Обогреватели Kalashnikov KVC-A15E9-31 101355 - инструкция пользователя по применению, эксплуатации и установке на русском языке. Мы надеемся, она поможет вам решить возникшие у вас вопросы при эксплуатации техники.
Если остались вопросы, задайте их в комментариях после инструкции.
"Загружаем инструкцию", означает, что нужно подождать пока файл загрузится и можно будет его читать онлайн. Некоторые инструкции очень большие и время их появления зависит от вашей скорости интернета.

13
Рисунок 11. Принципиальная схема завесы KVC-A08E5-11
RK1
t
°
ХТ3
ХТ4
1
2
3
4
5
6
7
8
9
NTC
DOOR
~230V
t,°C
SK1
S1
LED-1
(green)
SA2
SA1
LED-2
(red)
ХТ1
N
Тепловая завеса
5
6
8
9
4
2
ХТ2
1
KМ 1.1
K М 2.1
L
M1
~
M2
~
EK1.1
EK2.1
EK1.2
EK2.2
KМ1.2
KМ 2.2
M3
~
EK3.1
EK3.2
SK2
SK3
SK4
KVС-А15E6-11
Принципиа льная схема подключения завесы со стич нагреватель ным эле ментом к контролл еру
KRC-32
RK1
t
°
ХТ3
ХТ4
1
2
3
4
5
6
7
8
9
NTC
DOOR
~400V
t,°C
SK1
S1
LED-1
(green)
SA2
SA1
LED-2
(red)
Тепловая завеса
5
6
8
9
4
2
ХТ2
1
K М1.1
K М2.1
M1
~
M2
~
K М 1.2
KМ 2.2
M3
~
KVС-А15E9-31
Принципиальная схе ма подключения завесы со стич нагревате льным элементо м к контро ллеру
KRC-32
L1
L2
L3
N
EK1.1
EK2.1
EK3.1
EK1.2
EK2.2
EK3.2
SK3
SK4
SK2
ХТ1
N
L
M1
~
M2
~
K М1.1
K М1.2
K М 1.3
EK1.1
EK2.1
EK1.2
EK2.2
SK2
SK1
~230V
SA1
SA 2.1
SA2.2
KVС-А0,8E5-11
Принципиальная схема завесы со стич нагревательн ым элементом
KVС-А0,8E3-11
Принципиальная схе ма завесы со стич нагревательным элементом
ХТ1
Тепловая завеса
Принципиальная схема груп пового подк лючения завес
9КВт со стич нагреватель ным эле ментом к контрол леру
KRC-32.
RK1
t
°
~400V
ХТ3
ХТ4
ХТ1
L1
L2
L3
N
Тепловая завеса
5
6
8
9
4
2
ХТ2
1
ХТn
L1
L2
L3
N
Тепловая завеса
5
6
8
9
4
2
ХTn
1
N
N
N
N
N
N
1
2
3
4
5
6
7
8
9
NTC
DOOR
QF1
N
L1
L2
L3
t,°C
SK1
S1
LED-1
(green)
SA2
SA1
LED-2
(red)
Принципиальная схема группово го подк лючения завес
6КВТ со стич нагре вательн ым элементом к контролле ру
KRC-32.
t
°
RK1
1
2
3
4
5
6
7
8
9
NTC
DOOR
ХТ4
ХТ3
QF1
N
L
L
N
5
6
8
9
4
ХТ2
ХТn
L
N
Тепловая завеса
ХТn
ХТ1
Тепловая завеса
~230V
t,°C
SK1
S1
LED-1
(green)
SA2
SA1
LED-2
(red)
1
2
5
6
8
9
4
1
2
E
К
1 -
ЕК
3 -
электронагреватели
;
КМ
1,
КМ
2 -
электромагнитные реле
;
LED1 -
индикатор работы вентиляции
;
LED2 -
индикатор работы нагрева
;
М
1-
М
3 -
электродвигатель
;
S1 -
кнопка ВКЛ
/
ВЫКЛ
;
SK1 -
терморегулятор
;
SK2-SK4 -
защитный термостат
;
ХТ
1-XT4 -
колодка клеммная
;
SA2 -
переключатель режимов вентиляции
;
SA1 -
переключатель режимов нагрева
;
RK1 -
термодатчик
.
EK1 - ЕК3 - электронагреватели;
КМ1, КМ2 - контактор;
LED1 - индикатор работы вентиляции;
LED2 - индикатор работы нагрева;
М1-М3 - электродвигатель;
S1 - кнопка ВКЛ/ВЫКЛ;
SK1 - терморегулятор;
SK2-SK4 - защитный термостат;
ХТ1-XT4 - колодка клеммная;
SA2 - переключатель режимов вентиляции;
SA1 - переключатель режимов нагрева;
RK1 - термодатчик.
N
N
N
N
N
N
N
N
N
N
N
N
LED1 - индикатор работы вентиляции;
LED2 - индикатор работы нагрева;
S1 - кнопка ВКЛ/ВЫКЛ;
SK1 - терморегулятор;
ХТ1-XTn - колодка клеммная;
SA2 - переключатель режимов вентиляции;
SA1 - переключатель режимов нагрева;
RK1 - термодатчик;
QF1 - автоматический выключатель.
LED1 - индикатор работы вентиляции;
LED2 - индикатор работы нагрева;
S1 - кнопка ВКЛ/ВЫКЛ;
SK1 - терморегулятор;
ХТ1-ХТn - колодка клеммная;
SA2 - переключатель режимов вентиляции;
SA1 - переключатель режимов нагрева;
RK1 - термодатчик;
QF1 - автоматический выключатель.
EK1, ЕК2 - электронагреватели;
КМ1 - электромагнитное реле;
М1, М2 - электродвигатель;
SК1, SK2 - защитный термостат;
ХТ1 - колодка клеммная;
SA1 - клавиша включения вентиляции;
SA2 - клавиша включения нагрева.
,
ЕК
2 -
электронагреватели
;
М
1,
М
2 -
электродвигатель
;
S
К
1, SK2 -
защитный термостат
;
ХТ
1 -
колодка клеммная
;
SA1 -
клавиша включения вентиляции
;
SA2 -
клавиша включения нагрева
.
EK1.1
EK2.1
EK1.2
EK2.2
SK2
SK1
SA1
SA2.1
SA2.2
M1
~
M2
~
Тепловая завеса
~230V
PE
N
L
Рисунок 12. Принципиальная схема завесы KVC-A15E6-11 к контроллеру KRC-32
ÕÒ1
N
L
M1
~
M2
~
KÌ1.1
KÌ1.2
KÌ1.3
EK1.1
EK2.1
EK1.2
EK2.2
SK2
SK1
~230V
SA1
SA2.1
SA2.2
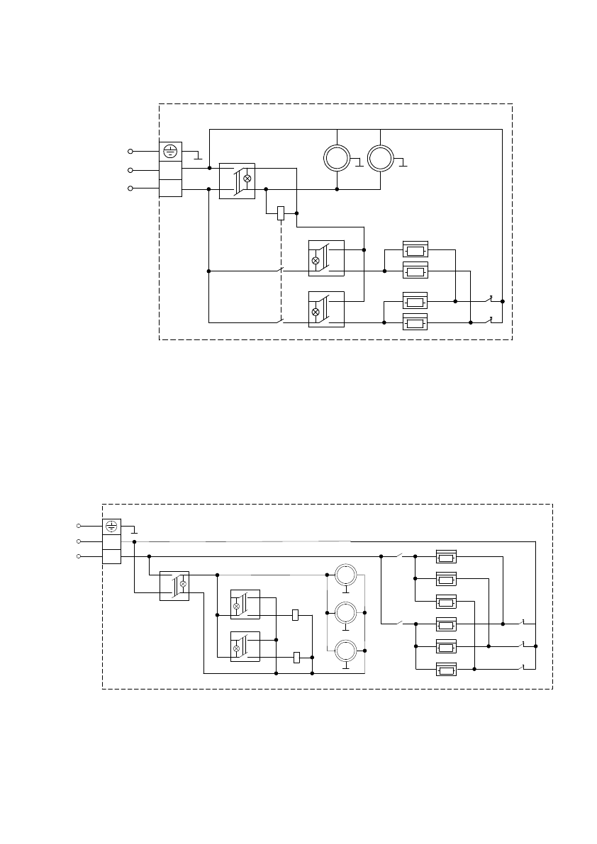
EK1, ÅÊ2 - ýëåêòðîíàãðåâàòåëè ;
ÊÌ1 - ýëåêòðîìàãíèòíîå ðåëå ;
Ì1, Ì2 - ýëåêòðîäâèãàòåëü ;
SÊ1, SK2 - çàùèòíûé òåðìîñòàò ;
ÕÒ1 - êîëîäêà êëåììíàÿ ;
SA1 - êëàâèøà âêëþ÷åíèÿ âåíòèëÿöèè ;
SA2 - êëàâèøà âêëþ÷åíèÿ íàãðåâà .
KVÑ-À0,8E5-11
Ïðèíöèïèà ëüíàÿ ñõåìà çàâåñ û ñî ñòè÷ íàãðåâà òåëüíûì ýëåìåíòîì
EK1.1
EK2.1
EK1.2
EK2.2
SK2
SK1
SA1
SA2.1
SA2.2
EK1, ÅÊ2 - ýëåêòðîíàãðåâàòåëè ;
Ì1, Ì2 - ýëåêòðîäâèãàòåëü ;
SÊ1, SK2 - çàùèòíûé òåðìîñòàò ;
SA1 - êëàâèøà âêëþ÷åíèÿ âåíòèëÿöèè ;
SA2 - êëàâèøà âêëþ÷åíèÿ íàãðåâà .
KVÑ-À0,8E3-11
Ïðèíöèïèàë üíàÿ ñõåìà çàâåñû ñî ñòè÷ íàãðåâàòåëüí ûì ýëåìåíòîì
M1
~
M2
~
Òåïëîâàÿ çàâåñà
Òåïëîâàÿ çàâåñà
~230V
~230V
ХТ1
N
Тепловая завеса
L
E
E
E
E
E
E
K
K
K
K
K
K
1.1
2.1
3.1
1.2
2.2
3.2
K
K
М
М
1
2
.2
.2
SA 2.1
SA2.2
K М 2.1
KМ1.1
SA1
M1
~
M2
~
M3
~
~400V
KМ 1.2
K М 2.2
L1
L2
L3
N
EK
EK
EK 3.1
EK1.2
2.2
ХТ1
EK
EK 3.2
SA 2.1
SA 2.2
K М 2.1
KМ 1.1
SA1
M1
~
M2
~
M3
~
N
L
ÐÅ
EК1, ЕК2, ЕК3 - электронагреватели;
КМ1, КМ2 - электромагнитное реле;
М1, М2, М3 - электродвигатель;
SК1, SK2, SK3 - защитный термостат;
ХТ1 - колодка клеммная;
SA1 - клавиша включения вентиляции;
SA2 - клавиша включения нагрева.
S 1
S 2
S 3
K
K
K
EК1, ЕК2, ЕК3 - электронагреватели;
КМ1, КМ2 - электромагнитный контактор;
М1, М2, М3 - электродвигатель;
SК1, SK2, SK2 - защитный термостат;
ХТ1 - колодка клеммная;
SA1 - клавиша включения вентиляции;
SA2 - клавиша включения нагрева.
1.1
2.1
SK 2
SK 3
SK 1
Тепловая завеса













