Обогреватели Kalashnikov KIRH-E30P-11 105045 - инструкция пользователя по применению, эксплуатации и установке на русском языке. Мы надеемся, она поможет вам решить возникшие у вас вопросы при эксплуатации техники.
Если остались вопросы, задайте их в комментариях после инструкции.
"Загружаем инструкцию", означает, что нужно подождать пока файл загрузится и можно будет его читать онлайн. Некоторые инструкции очень большие и время их появления зависит от вашей скорости интернета.

15
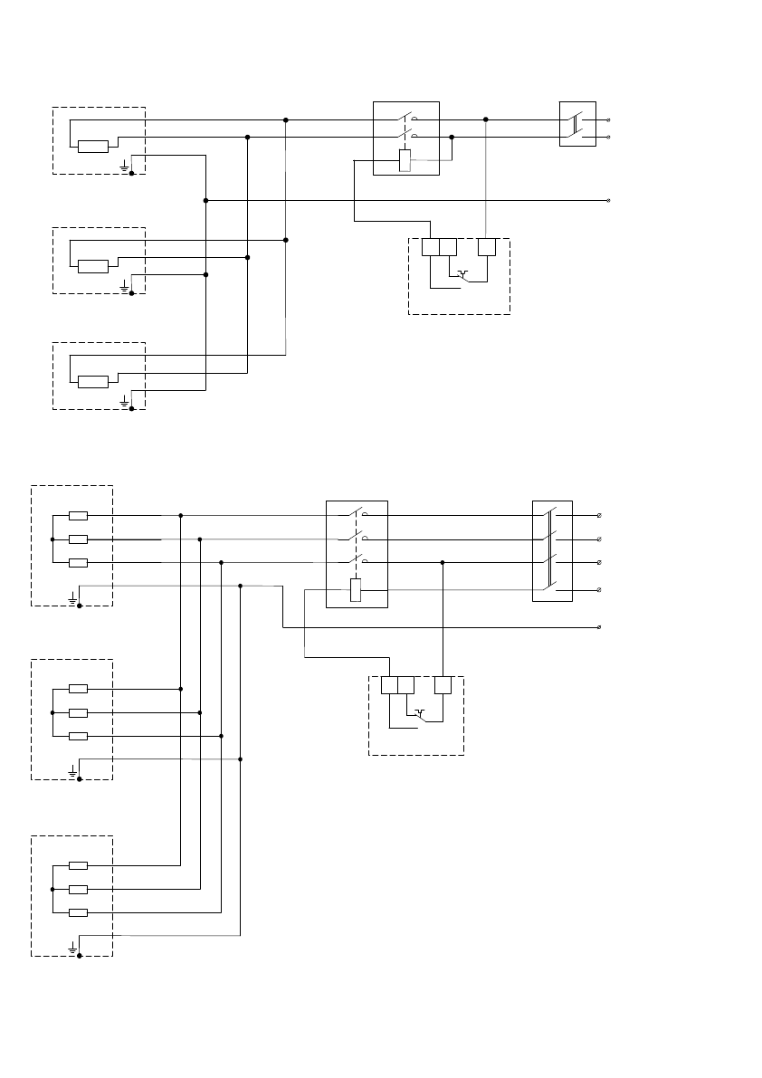
Схема электрическая принципиальная при групповом подключении к электрической сети.
Рис. 1 Обогреватель для KIRH-E06P-11, KIRH-E08P-11, KIRH-E10P-11
ИК-обогреватели KIRH-E20P-11,KIRH-E30P-11 подключаются аналогично.
ЕК
1
Схема электрическая принципиальная инфракрасных обогревателей
при подключении к электрической сети через автоматический выключатель
.
QF1
~230B
L
КМ
1
PE
N
EK1 - EK3 -
нагревательный элемент
;
КМ
1 -
электромагнитный пускатель
;
QF1 -
выключатель автоматический
(
или диф
.
автомат
);
SK1 -
контакт термостата
.
Схема электрическая принципиальная инфракрасных обогревателей при групповом подключении
к электрической сети
,
с использованием терморегулятора
.
L
N
~230
В
PE
QF1
EK1 -
нагревательный элемент
;
QF1 -
выключатель автоматический
(
или диф
.
автомат
);
SK1 -
контакт термостата
.
Схема электрическая принципиальная инфракрасных обогревателей
KIRH-E06P-11, KIRH-E08P-11, KIRH-E10P-11
при подключении к электрической сети через терморегулятор
.
*** -
при подключении ИК
-
обогревателей к терморегулятору
,
ознакомьтесь с инструкцией к терморегулятору
.
**** -
автоматический выключатель
,
магнитный пускатель
,
терморегулятор
-
являются опцией и в комплект поставки не входят
.
* -
при реализации группового подключения через автоматический выключатель
(
дифференцированный автомат
),
ИК
-
обогреватели подключаются параллельно
,
сечение кабеля и защитная аппаратура подбирается согласно
суммарного тока обогревателей
.
ЕК
1
ЕК
2
ЕК
1, EK2, EK3 -
нагревательные элементы
;
QF1 -
выключатель автоматический
(
или диф
.
автомат
)
.
ЕК
3
ЕК
2
ЕК
1
KIRH-E40P-31
** -
ИК
-
обогреватель
KIRH-
Е
20P-11
и
KIRH-E30P-11
подключается аналогично
,
подключение ИК
-
обогревателя
KIRH-E40P-31
осуществляется через магнитный пускатель
.
* -
см
.
примечания
KIRH-E06P-11, KIRH-E08P-11, KIRH-E10P-11
**** -
ИК
-
обогреватели
KIRH-E20P-11, KIRH-E30P-11
подключаются аналогично
.
~400
В
QF1
КМ
1
L2
L3
L1
N
PE
1
3
2
Терморегулятор
KRC-10
SK1
QF1
~400
В
L1
L2
L3
PE
ЕК
3
ЕК
2
ЕК
1
ЕК
6
ЕК
5
ЕК
4
ЕК
9
ЕК
8
ЕК
7
1
3
2
Терморегулятор
KRC-10
SK1
L
N
~230
В
PE
QF1
L
N ~230
В
PE
QF1
KIRH-E20P-11, KIRH-E30P-11
KIRH-E06P-11, KIRH-E08P-11, KIRH-E10P-11
ЕК
1
ЕК
1
ЕК
1
ЕК
1
1
3
2
Терморегулятор
KRC-10
SK1
EK1 - EK9 -
нагревательный элемент
;
КМ
1 -
электромагнитный пускатель
;
QF1 -
выключатель автоматический
(
или диф
.
автомат
);
SK1 -
контакт термостата
.
KIRH-E40P-31
ЕК
1
Схема электрическая принципиальная инфракрасных обогревателей
при подключении к электрической сети через автоматический выключатель
.
QF1
~230B
L
КМ
1
PE
N
EK1 - EK3 -
нагревательный элемент
;
КМ
1 -
электромагнитный пускатель
;
QF1 -
выключатель автоматический
(
или диф
.
автомат
);
SK1 -
контакт термостата
.
Схема электрическая принципиальная инфракрасных обогревателей при групповом подключении
к электрической сети
,
с использованием терморегулятора
.
L
N
~230
В
PE
QF1
EK1 -
нагревательный элемент
;
QF1 -
выключатель автоматический
(
или диф
.
автомат
);
SK1 -
контакт термостата
.
Схема электрическая принципиальная инфракрасных обогревателей
KIRH-E06P-11, KIRH-E08P-11, KIRH-E10P-11
при подключении к электрической сети через терморегулятор
.
*** -
при подключении ИК
-
обогревателей к терморегулятору
,
ознакомьтесь с инструкцией к терморегулятору
.
**** -
автоматический выключатель
,
магнитный пускатель
,
терморегулятор
-
являются опцией и в комплект поставки не входят
.
* -
при реализации группового подключения через автоматический выключатель
(
дифференцированный автомат
),
ИК
-
обогреватели подключаются параллельно
,
сечение кабеля и защитная аппаратура подбирается согласно
суммарного тока обогревателей
.
ЕК
1
ЕК
2
ЕК
1, EK2, EK3 -
нагревательные элементы
;
QF1 -
выключатель автоматический
(
или диф
.
автомат
)
.
ЕК
3
ЕК
2
ЕК
1
KIRH-E40P-31
** -
ИК
-
обогреватель
KIRH-
Е
20P-11
и
KIRH-E30P-11
подключается аналогично
,
подключение ИК
-
обогревателя
KIRH-E40P-31
осуществляется через магнитный пускатель
.
* -
см
.
примечания
KIRH-E06P-11, KIRH-E08P-11, KIRH-E10P-11
**** -
ИК
-
обогреватели
KIRH-E20P-11, KIRH-E30P-11
подключаются аналогично
.
~400
В
QF1
КМ
1
L2
L3
L1
N
PE
1
3
2
Терморегулятор
KRC-10
SK1
QF1
~400
В
L1
L2
L3
PE
ЕК
3
ЕК
2
ЕК
1
ЕК
6
ЕК
5
ЕК
4
ЕК
9
ЕК
8
ЕК
7
1
3
2
Терморегулятор
KRC-10
SK1
L
N
~230
В
PE
QF1
L
N ~230
В
PE
QF1
KIRH-E20P-11, KIRH-E30P-11
KIRH-E06P-11, KIRH-E08P-11, KIRH-E10P-11
ЕК
1
ЕК
1
ЕК
1
ЕК
1
1
3
2
Терморегулятор
KRC-10
SK1
EK1 - EK9 -
нагревательный элемент
;
КМ
1 -
электромагнитный пускатель
;
QF1 -
выключатель автоматический
(
или диф
.
автомат
);
SK1 -
контакт термостата
.
KIRH-E40P-31
Рис. 2 Обогреватель для KIRH-E40P-31
Автоматический выключатель, магнитный пускатель, терморегулятор являются опцией, в комплект
поставки не входят.













