Обогреватели Inforce GH 38 - инструкция пользователя по применению, эксплуатации и установке на русском языке. Мы надеемся, она поможет вам решить возникшие у вас вопросы при эксплуатации техники.
Если остались вопросы, задайте их в комментариях после инструкции.
"Загружаем инструкцию", означает, что нужно подождать пока файл загрузится и можно будет его читать онлайн. Некоторые инструкции очень большие и время их появления зависит от вашей скорости интернета.
Загружаем инструкцию

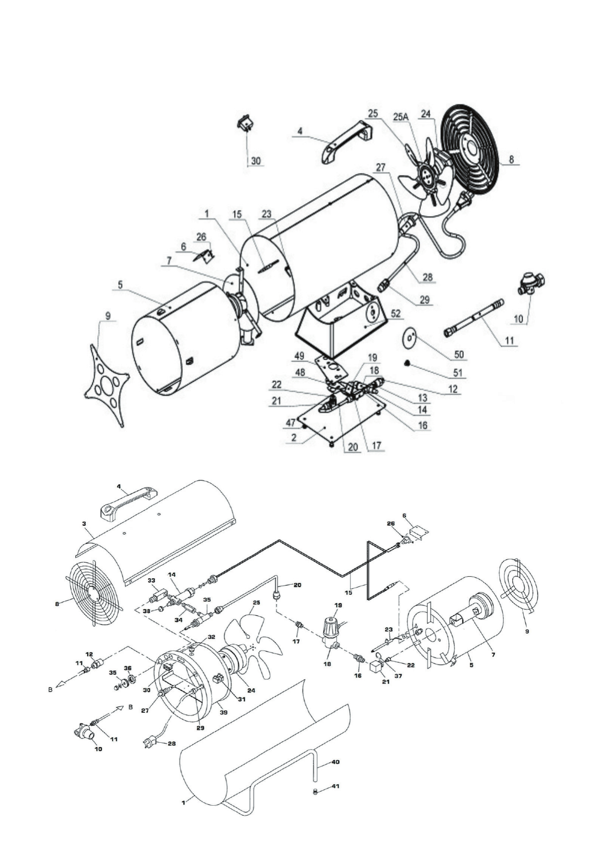
Приложение А
Внешний вид теплогенератора
Содержание
- 4 Основные характеристики
- 5 Указания по технике безопасности; Комплектность теплогенератора
- 6 Эксплуатация теплогенератора; Подготовка к эксплуатации
- 7 Аварийное отключение
- 8 Техническое обслуживание; циализированных мастерских.; Техническое обслуживание горелки; пары по схеме 1 и таблице 1.; Проверка герметичности подачи газа; нии подачи газа с помощью специального герметика Loctite 577.
- 9 Общие указания
- 10 Гарантии изготовителя; продажи, но не более 18 месяцев с момента производства.
- 12 Телефоны и адреса центральных сервисных центров; в регионах можно на сайте
- 15 Спецификация теплогенератора
- 16 Изделие проверялось во всех