Обогреватели Inforce EH 6 TR - инструкция пользователя по применению, эксплуатации и установке на русском языке. Мы надеемся, она поможет вам решить возникшие у вас вопросы при эксплуатации техники.
Если остались вопросы, задайте их в комментариях после инструкции.
"Загружаем инструкцию", означает, что нужно подождать пока файл загрузится и можно будет его читать онлайн. Некоторые инструкции очень большие и время их появления зависит от вашей скорости интернета.
Загружаем инструкцию

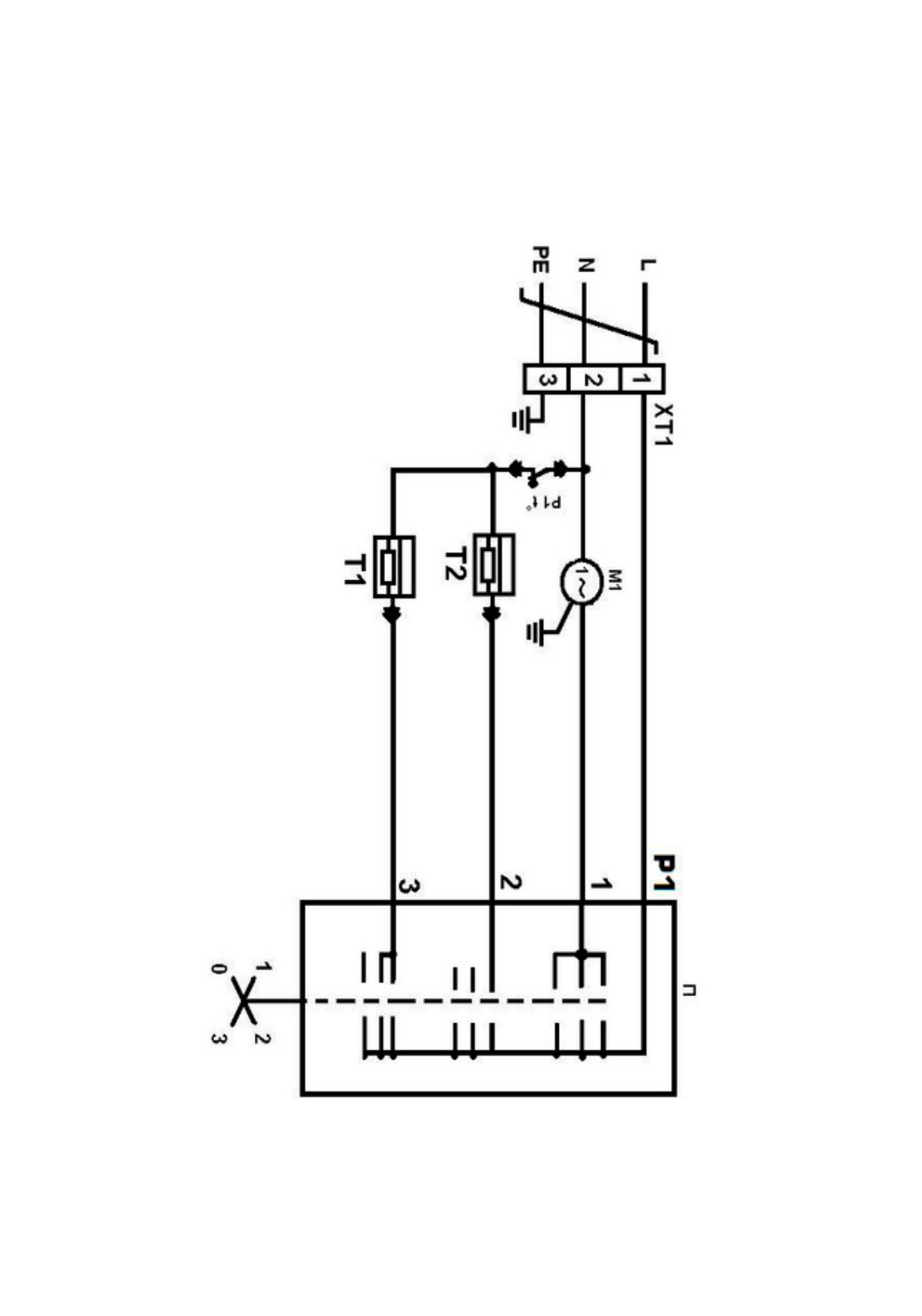
Приложение А. Схема электрическая EH-6 TR
Содержание
- 3 Описание и работа тепловентилятора; Сведения о содержании драгоценных металлов: серебро – 2,85848 г.; Соответствие положений ручки переключателя режимов работы
- 4 Рисунок 1. Внешний вид тепловентилятора EH-6 TR
- 5 Подготовка к эксплуатации; номиналом не менее 32 А.
- 6 Для повторного включения тепловентилятора необходимо
- 7 Техническое обслуживание; жен производить профилактический осмотр тепловентилятора.
- 9 Возможные неисправности и методы их устранения; Таблица 2; Гарантии изготовителя
- 11 Телефоны и адреса центральных сервисных центров; в регионах можно на
- 13 Таблица Б1 – Перечень деталей к внешнему виду тепловентиляторов
- 14 Изделие проверялось во всех













