Обогреватели Inforce EH 5 TR - инструкция пользователя по применению, эксплуатации и установке на русском языке. Мы надеемся, она поможет вам решить возникшие у вас вопросы при эксплуатации техники.
Если остались вопросы, задайте их в комментариях после инструкции.
"Загружаем инструкцию", означает, что нужно подождать пока файл загрузится и можно будет его читать онлайн. Некоторые инструкции очень большие и время их появления зависит от вашей скорости интернета.

8
№
Причина
EH-5 TR
EH-6 TR
1
Корпус СБ
2
Ложемент
3
Экран
4
Дно
5
Решетка выходная
6
Решетка входная пластиковая
7
Вентилятор
8
Мотор
9
Ручка для переноски
10
Нагреватель ТЭН 214 В 13/2,5 О 220
11
Кабельный ввод PG16
12
Переключатель роторный
13
Ручка на переключатель и капиллярный термостат
14
Виброопора
15
Термостат
Кабель электрический СБ
Блок зажимов
ТТ 6.01.000
ТТ 6.00.001
ТТ 6.00.004
33021/A
33108/A
900004/Н
900008
900012/А
900005/В
33296
900022
ТТ 6.34.000.220/А
20024
33273 А (05.24.00)
ТТ-6.3.220.04.000
ТТ-6.3.220.04.000
ТТ 6.01.000
ТТ 6.00.001
ТТ 6.00.004
ТТ-6Б.06.000
ТТ-6Б.06.000
ТТ-6П.00.005
ТТ-6П.00.005
33021/A
3310
33273 А (05.24.00)
8/A
900004/J
900008
900012/А
900005/В
33296
900022
ТТ 6.34.000.220/А
20024
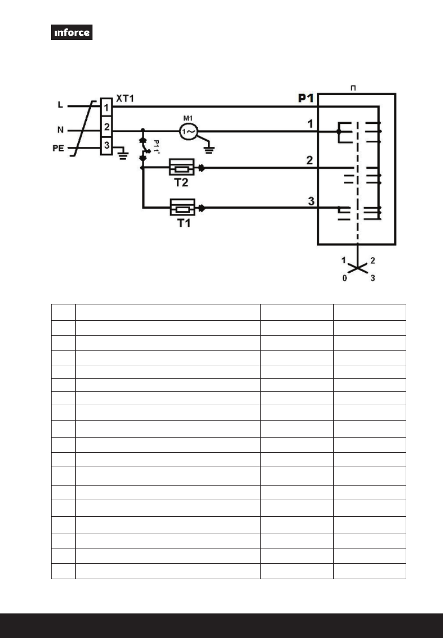
Схема электрическая EH-5 TR, EH-6 TR
Список деталей к внешнему виду тепловентиляторов













