Обогреватели Inforce EH 5 T - инструкция пользователя по применению, эксплуатации и установке на русском языке. Мы надеемся, она поможет вам решить возникшие у вас вопросы при эксплуатации техники.
Если остались вопросы, задайте их в комментариях после инструкции.
"Загружаем инструкцию", означает, что нужно подождать пока файл загрузится и можно будет его читать онлайн. Некоторые инструкции очень большие и время их появления зависит от вашей скорости интернета.

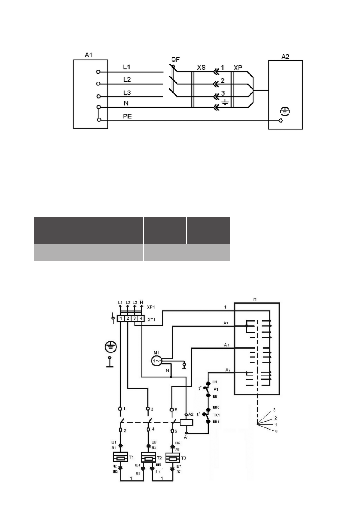
Приложение А. Схема подключения электротепловентилятора
Приложение Б. Схема электрическая принципиальная тепловентилятора EH-5 T, EH-9 T
А1 - распределительное устройство; А2 - электротепловентилятор; QF - выключатель ав-
томатический; ХР - вилка кабеля питания; XS - розетка из комплекта поставки
Основные параметры QF, необходимые для подключения тепловентилятора, приведены
в таблице. Для повышения электробезопасности рекомендуется подключать электроте-
пловентилятор к сети, оснащенной устройством защитного отключения (УЗО).
Таблица А1 – Основные параметры QF
Модель
Номинальный
ток
выключателя
QF, A
Кратность тока
отсечки, не
более
EH-5 T
20
3.5
EH-9 T
20
3.5
Содержание
- 3 Описание и работа тепловентилятора; влажность воздуха составляет 98% при температуре плюс 25 °С.
- 4 Рисунок 1. Внешний вид тепловентилятора; Положение 0 — Отключено; Соответствие положений ручки переключателя режимов работы
- 5 Необходимо оберегать тепловентилятор от ударов.; лятора и в приложении настоящего руководства.
- 7 Техническое обслуживание; жен производить профилактический осмотр тепловентилятора.; Для выключения тепловентилятора необходимо; режиме крыльчатка будет вращаться, а ТЭНы будут отключены.; Для повторного включения тепловентилятора необходимо
- 9 Возможные неисправности и методы их устранения; Возможные неисправности приведены в таблице 2; Гарантии изготовителя; более 24 месяцев с момента производства.
- 10 Случаи утраты гарантийных обязательств
- 11 в регионах можно на
- 14 Свидетельство о приемке; Изделие проверялось во всех