Обогреватели Inforce DH 30 D - инструкция пользователя по применению, эксплуатации и установке на русском языке. Мы надеемся, она поможет вам решить возникшие у вас вопросы при эксплуатации техники.
Если остались вопросы, задайте их в комментариях после инструкции.
"Загружаем инструкцию", означает, что нужно подождать пока файл загрузится и можно будет его читать онлайн. Некоторые инструкции очень большие и время их появления зависит от вашей скорости интернета.

Приложение Б.
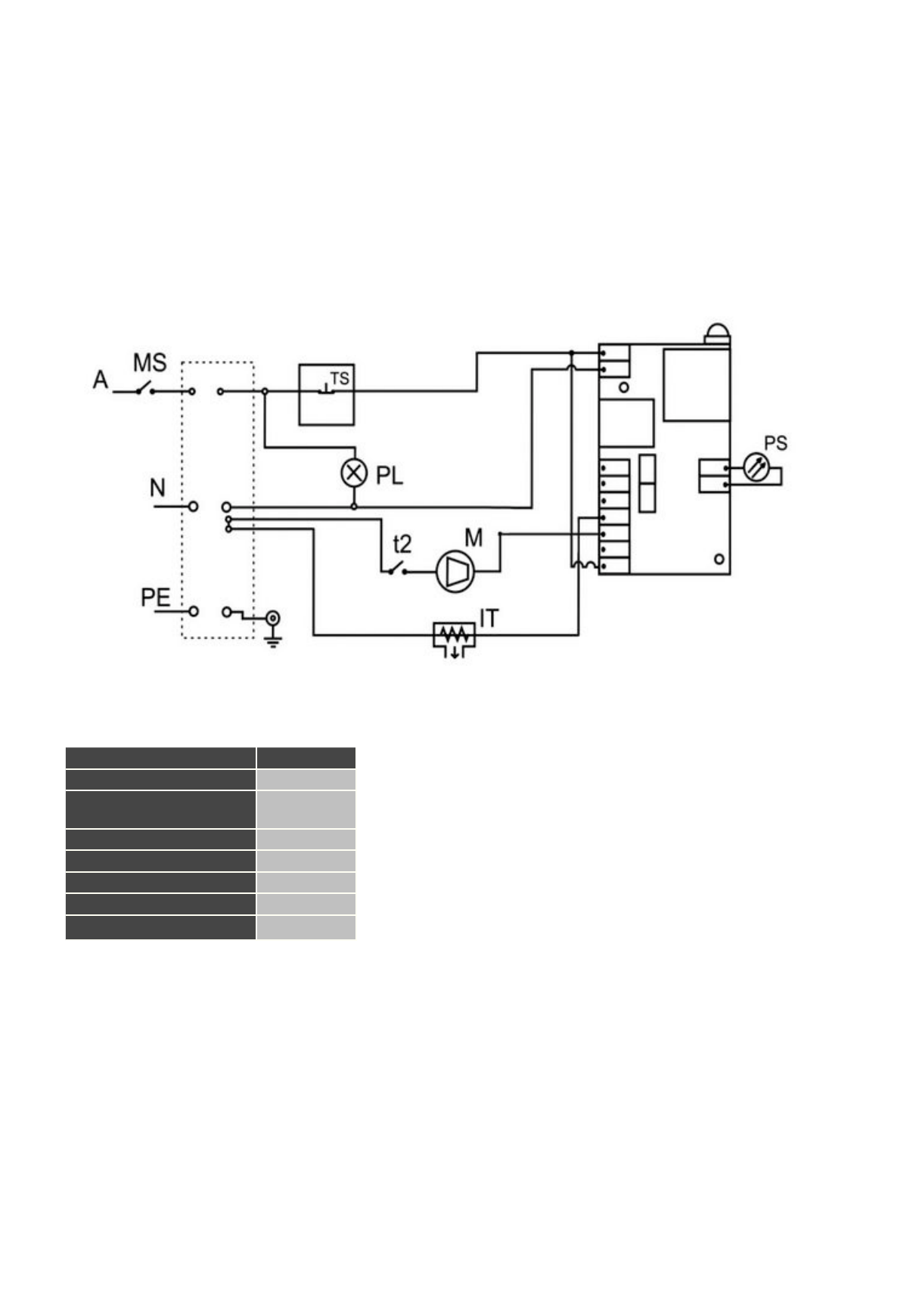
Схема электрическая принципиальная DH-30D
Условные обозначения:
MS-Выключатель питания
PL-Контрольная лампа наличия элек-
тропитания
TS-Внешний термостат
(или перемычка)
M-Мотор вентилятора
t2-Термостат 200
°
С
IT-Трансформатор зажигания
PC-Фотодатчик
LM-Индикатор состояния работы блока
Упаковочный лист для DH-30D
Наименование
Кол-во, шт
Дизельный генератор
1
Ручка для переноски
33273 А (05.24.00)
1
Болт М6*16
2
Шайба 6*13
2
Упаковочный мешочек
1
Паспорт
1
Коробка упаковочная
1
Содержание
- 4 Описание и работа дизельного теплогенератора; Таблица 1 - Основные параметры дизельных теплогенераторов
- 5 Указания по технике безопасности; Внимательно прочитайте инструкции перед началом эксплуатации
- 6 Эксплуатация теплогенератора; Подготовка к эксплуатации
- 7 Техническое обслуживание; Каждые 500 часов эксплуатации заменяйте топливный фильтр.
- 9 Возможные неисправности и методы их устранения; Таблица 2
- 10 Таблица 3
- 11 исчисляется со дня выпуска теплогенератора.
- 12 деформации корпуса или любых других элементов конструкции).
- 15 Условные обозначения:; Упаковочный лист для DH-30D
- 17 Свидетельство о приемке













