Обогреватели Inforce DH 105 D - инструкция пользователя по применению, эксплуатации и установке на русском языке. Мы надеемся, она поможет вам решить возникшие у вас вопросы при эксплуатации техники.
Если остались вопросы, задайте их в комментариях после инструкции.
"Загружаем инструкцию", означает, что нужно подождать пока файл загрузится и можно будет его читать онлайн. Некоторые инструкции очень большие и время их появления зависит от вашей скорости интернета.

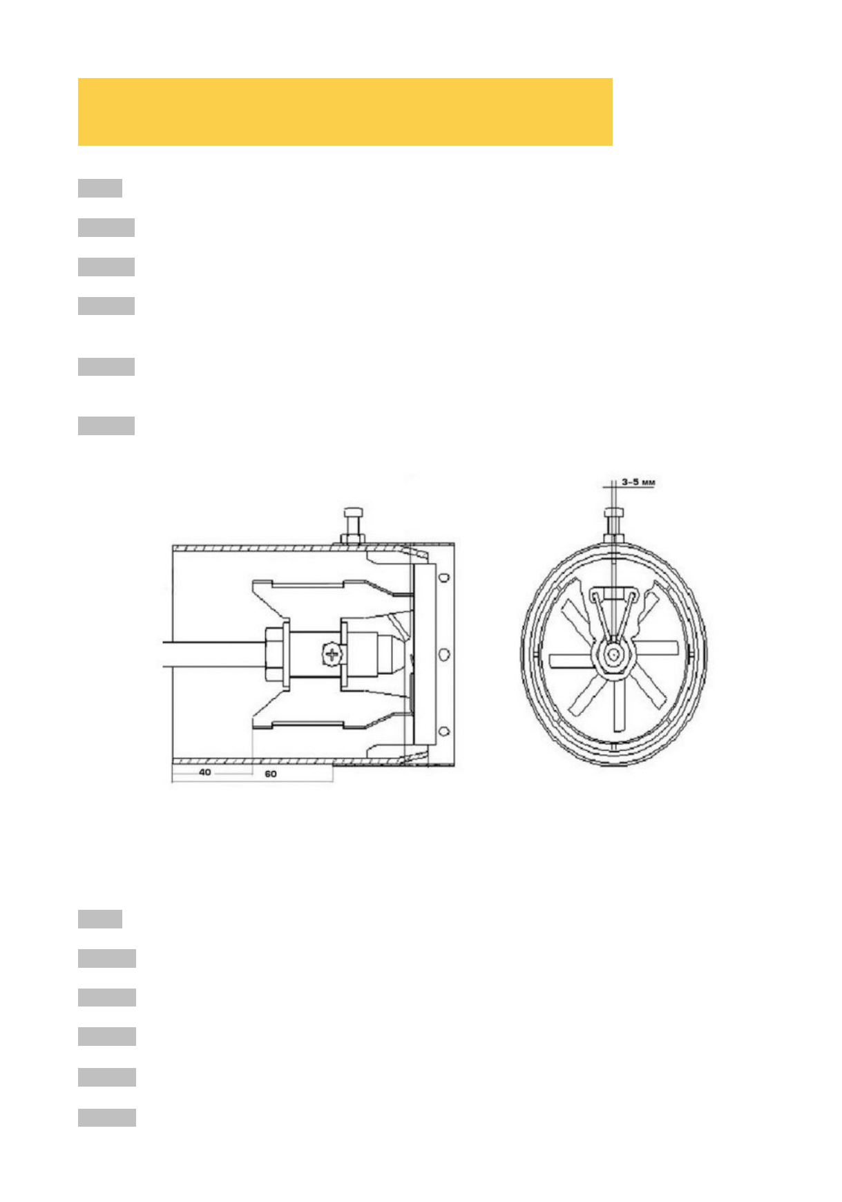
Рис 1. Схема горелки
5. Техническое обслуживание горелки,
топливной системы и топливного насоса
5.1
Техническое обслуживание горелки
5.1.1 Отсоедините высоковольтные провода.
5.1.2 Отключите линию подачи топлива, фотодатчик и достаньте горелку.
5.1.3 Проверьте и почистите головку горелки, фотодатчик, сопло, электроды от нага-
ра.
5.1.4 Замените изношенные/вышедшие из строя детали. Соберите горелку в обрат-
ном порядке согласно рис. 1..
5.1.5 Убедитесь, что электроды установлены правильно (см. рис. 1) и линия подачи
топлива герметична.
5.2
Техническое обслуживание топливной системы
5.2.1 Опустошите топливный бак, выкрутив пробку на дне бака.
5.2.2 Промойте бак чистым топливом.
5.2.3 Вкрутите пробку. Убедитесь, что она плотно завинчена.
5.2.4 Промойте и высушите топливные фильтры. Замените их при необходимости.
5.2.5 Проверьте линию подачи топлива на отсутствие утечек и подсоса воздуха.
Содержание
- 4 Описание и работа дизельного теплогенератора; Таблица 1 - Основные параметры дизельных теплогенераторов
- 5 Указания по технике безопасности; Внимательно прочитайте инструкции перед началом эксплуатации
- 6 Эксплуатация теплогенератора; Подготовка к эксплуатации
- 7 Техническое обслуживание; и горелки используйте сжатый воздух.; Летняя вентиляция
- 9 Техническое обслуживание топливного насоса; Рис 2. Топливный насос Delta
- 10 Возможные неисправности и методы их устранения; Возможные неисправности приведены в таблицах 2 и 3; при температуре 25 °С.
- 11 Таблица 3
- 12 деформации корпуса или любых других элементов конструкции).
- 13 рийный номер изделия.
- 16 Условные обозначения:; Упаковочный лист для DH-105D
- 17 Свидетельство о приемке













