Обогреватели Hyundai H-HV8-10-UI583 - инструкция пользователя по применению, эксплуатации и установке на русском языке. Мы надеемся, она поможет вам решить возникшие у вас вопросы при эксплуатации техники.
Если остались вопросы, задайте их в комментариях после инструкции.
"Загружаем инструкцию", означает, что нужно подождать пока файл загрузится и можно будет его читать онлайн. Некоторые инструкции очень большие и время их появления зависит от вашей скорости интернета.
Загружаем инструкцию

10.
Electric convector
EN
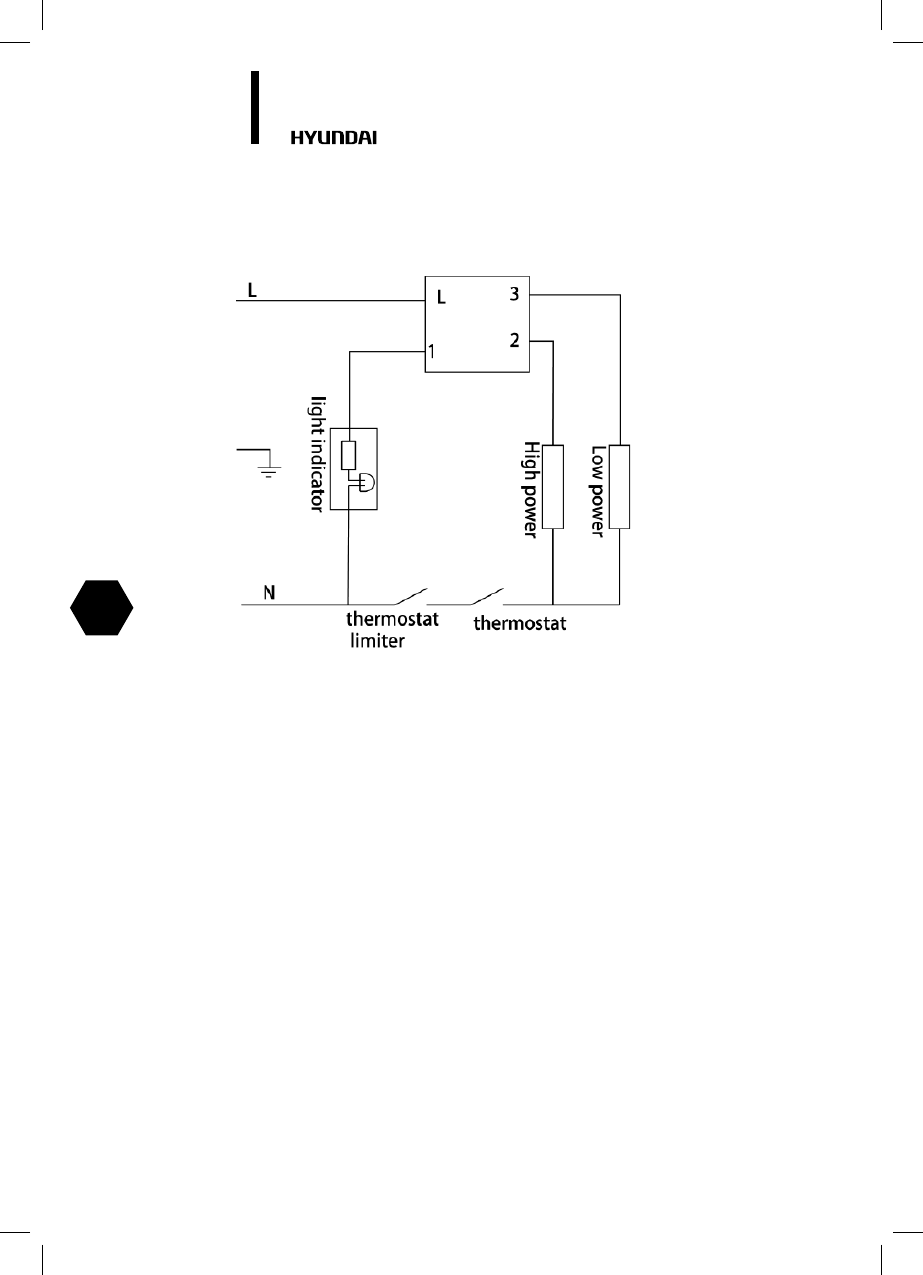
8. ELECTRICAL CIRCUIT DIAGRAM
Содержание
- 12 Содержание
- 13 Уважаемый покупатель!; Описание
- 14 Комплектация
- 15 Технические параметры; ОБЩИЕ ПРАВИЛА БЕЗОПАСНОСТИ
- 17 УСТАНОВКА КОНВЕКТОРА НА СТЕНУ
- 18 Установка конвектора на ножки; ПОДКЛЮЧЕНИЕ К ЭЛЕКТРИЧЕСКОЙ СЕТИ
- 20 ПОИСК И УСТРАНЕНИЕ НЕИСПРАВНОСТЕЙ; Неисправность
- 22 УВАЖАЕМЫЙ ПОКУПАТЕЛЬ!
- 25 Заполнение гарантийного талона
- 26 Изготовитель оставляет за собой право:; Досрочное прекращение гарантийного обслуживания.
- 28 Газовое оборудование
- 29 Водонагревательное оборудование
- 31 Кондиционеры, устройства с компрессором
- 32 Электрические обогреватели
- 33 Накопительные водонагреватели:; Электрические конвекторы:
- 36 Сведения об установке изделия
- 39 Отрывной талон «A»; Отрывной талон «В»; Отрывной талон «Г»
- 40 Профилактическое обслуживание изделия.
- 42 Вниманию покупателей!













