Обогреватели Hyundai H-HV2-20-UI567 - инструкция пользователя по применению, эксплуатации и установке на русском языке. Мы надеемся, она поможет вам решить возникшие у вас вопросы при эксплуатации техники.
Если остались вопросы, задайте их в комментариях после инструкции.
"Загружаем инструкцию", означает, что нужно подождать пока файл загрузится и можно будет его читать онлайн. Некоторые инструкции очень большие и время их появления зависит от вашей скорости интернета.

25.
Электрический конвектор
RU
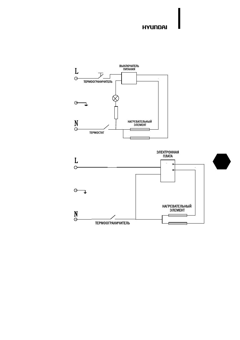
9. ЭЛЕКТРИЧЕСКАЯ ПРИНЦИПИАЛЬНАЯ СХЕМА
Рис. 8
Рис. 9
H-HV1-10-UI562
H-HV1-15-UI563
H-HV1-20-UI564
H-HV2-10-UI565
H-HV2-15-UI566
H-HV2-20-UI567
H-HV3-10-UI568
H-HV3-15-UI569
H-HV3-20-UI570
Содержание
- 14 Содержание
- 15 Описание
- 16 Внешний вид
- 18 ОБЩИЕ ПРАВИЛА БЕЗОПАСНОСТИ
- 20 СБОРКА И УСТАНОВКА; Настенная установка
- 21 ПОДКЛЮЧЕНИЕ К ЭЛЕКТРИЧЕСКОЙ СЕТИ
- 22 Панель управления
- 25 ПОИСК И УСТРАНЕНИЕ НЕИСПРАВНОСТЕЙ; Неисправность
- 26 ЭЛЕКТРИЧЕСКАЯ ПРИНЦИПИАЛЬНАЯ СХЕМА
- 27 ТРАНСПОРТИРОВКА И ХРАНЕНИЕ
- 28 УВАЖАЕМыЙ ПОКУПАТЕЛЬ!
- 30 Гарантийные обязательства
- 31 Заполнение гарантийного талона
- 32 Изготовитель оставляет за собой право:; Общие правила установки, подключения и запуска в эксплу
- 33 Гарантийные обязательства не распространяются на
- 34 Изготовитель не несет гарантийных обязательств за изделие; Особые условия гарантийного обслуживания для отдельных
- 35 Водонагревательное оборудование
- 37 Кондиционеры, устройства с компрессором
- 38 Электрические обогреватели
- 39 Cтандартные гарантийные сроки для изделий,; Кондиционеры воздуха:
- 42 Сведения об установке изделия
- 45 Отрывной талон «A»; Отрывной талон «В»; Отрывной талон «Г»
- 46 Профилактическое обслуживание изделия.
- 48 Вниманию покупателей!

 
  
  
  
  
  
  
  
  
  
  
  
  
  
  
  
  
  
  
  
  
  
  
  
  
  
  
  
  
  
  
  
  
  
  
  
  
  
  
  
  
  
  
  
  
  
  
  
  
  
  
  
  
 











