Обогреватели Hyundai H-HG2-09-UI506 - инструкция пользователя по применению, эксплуатации и установке на русском языке. Мы надеемся, она поможет вам решить возникшие у вас вопросы при эксплуатации техники.
Если остались вопросы, задайте их в комментариях после инструкции.
"Загружаем инструкцию", означает, что нужно подождать пока файл загрузится и можно будет его читать онлайн. Некоторые инструкции очень большие и время их появления зависит от вашей скорости интернета.

20.
Электрический тепловентилятор
21.
Электрический тепловентилятор
RU
RU
H-НG2-05-UI504
Рис. 14
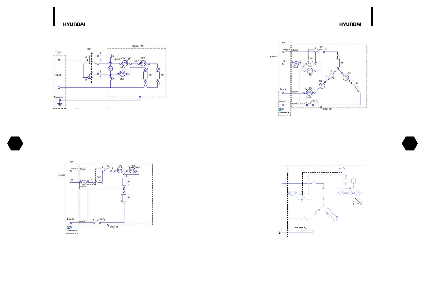
SA1 – переключатель роторный
ХP1 – промышленная вилка 3-х контактная
М – электродвигатель вентилятора 10/36 Вт, ~220 В
SK1 – термостат регулировки температуры в помещении 0-40
0
С
SK2, SK3 – ограничитель температуры (Н.З; 110
0
С)
R1, R2 – нагревательный элемент (ТЭН 2500 Вт, 220В)
SA1 – переключатель роторный
SK1 – термостат регулировки температуры в помещении 0-40
0
С
SK2 – термостаты защиты от перегрева (Н.З; 110
0
С)
М - эл. двигатель тепловентилятора 10/36 Вт,
~
220В
R1, R2 – нагревательный элемент (ТЭН 3000 Вт, 220В)
ХP1 – вилка 3-фазная 5-контактная
Серия: Н-НG2-06-UI505
Рис. 15
Н-НG2-09-UI506
SA1 – переключатель роторный
SK1 – термостат продувки (НР; 50
0
С)
SK2, SK3 – термостаты защиты от перегрева (НЗ; 110
0
С)
SK4 – термостат регулировки температуры в помещении 0-40
0
С
М – электродвигатель вентилятора 10/36 Вт, ~220В
R1-R3 – нагревательный элемент (ТЭН 3000 Вт, 220В)
ХP1 – вилка 3-фазная 5-контактная
Рис. 16
Н-НG2-12-UI507
М
L
1
"
О
"
L
2
L
3
1
А
S
K
1
R
1
R
3
S
K
5
ч
е
р
н
ы
й
к
о
р
и
ч
н
.
с
и
н
и
й
б
е
л
ы
й
∼
3
N
3
8
0
Х
Р
1
К
2
/
1
S
A
1
R
4
R
2
К
1
/
1
К
1
/
2
А
2
S
A
1
S
K
2 S
K
3
S
K
4
К
1
К
2
S
A
1
В
3
М
L
1
"
О
"
L
2
L
3
1
А
S
K
1
R
1
R
3
S
K
5
ч
е
р
н
ы
й
к
о
р
и
ч
н
.
с
и
н
и
й
б
е
л
ы
й
∼
3
N
3
8
0
Х
Р
1
К
2
/
1
S
A
1
R
4
R
2
К
1
/
1
К
1
/
2
А
2
S
A
1
S
K
2 S
K
3
S
K
4
К
1
К
2
S
A
1
В
3
Внутренний кожух
Заземление
110
0
110
0
110
0
0-40
0
50
0
SA1 – переключатель роторный
SK1 – ограничитель температуры (Н.Р; 50
0
С)
SK2, SK3, SK4 – ограничитель температуры (Н.З; 110
0
С)
SK5 – термостат регулировки температуры в помещении 0-40
0
С
М – электродвигатель вентилятора 18/70 Вт, ~220В
R1-R4 – нагревательный элемент (ТЭН 3000 Вт, 220В)
ХP1 – вилка 3-фазная 5-контактная
K1, K2 – реле силовое
Рис. 17
°
°
°
Содержание
- 3 Содержание; ВВЕДЕНИЕ; ОПИСАНИЕ
- 5 Комплектация; Модель прибора
- 6 ПРАВИЛА БЕЗОПАСНОЙ ЭКСПЛУАТАЦИИ И; Безопасность детей и лиц с ограниченными физическими
- 7 УТИЛИЗАЦИЯ; Подключение к электрической сети
- 8 Серия прибора
- 9 ЭКСПЛУАТАЦИЯ
- 10 ОБСЛУЖИВАНИЕ; Неисправность; ПОИСК И УСТРАНЕНИЕ НЕИСПРАВНОСТЕЙ
- 11 ЭЛЕКТРИЧЕСКИЕ СХЕМЫ ТЕПЛОВЕНТИЛЯТОРОВ
- 13 СЕРТИФИКАЦИЯ
- 14 Гарантийный талон; Территория действия:; Гарантийные обязательства
- 17 Водонагревательное оборудование
- 18 Кондиционеры, устройства с компрессором; Электрические обогреватели
- 19 Cтандартные гарантийные сроки для изделий,; Кондиционеры воздуха:
- 20 Сведения об установке изделия
- 22 Отрывной талон «A»; Отрывной талон «В»; Отрывной талон «Г»; Профилактическое обслуживание изделия.

 
  
  
  
  
  
  
  
  
  
  
  
  
  
  
  
  
  
  
  
  
  
  
  
  
  
 











