Обогреватели HYUNDAI H-HC7-20-UI291 - инструкция пользователя по применению, эксплуатации и установке на русском языке. Мы надеемся, она поможет вам решить возникшие у вас вопросы при эксплуатации техники.
Если остались вопросы, задайте их в комментариях после инструкции.
"Загружаем инструкцию", означает, что нужно подождать пока файл загрузится и можно будет его читать онлайн. Некоторые инструкции очень большие и время их появления зависит от вашей скорости интернета.

12.
Электрический инфракрасный обогреватель
RU
1. Перед проведением профилактических работ по чистке прибора, выключите прибор, от
-
соедините его от электрической сети и дайте прибору остыть.
2. При загрязнении решётки, пыль протирать влажной салфеткой.
3. Протирать прибор мягкой, слегка влажной тряпкой/куском ткани. Ткань не должна
оставлять ворса на поверхности прибора
4. Не рекомендуется использовать моющие средства, в том числе средства с абразивными
составами.
5. В процессе чистки, пожалуйста, не допускайте повреждения поверхности прибора
острыми предметами (жесткая губка, наждачная бумага и т.п.). Царапины на окрашенной
поверхности могут привести к образованию ржавчины.
6. Включайте и используйте прибор снова, только выполнив все «Правила безопасной экс
-
плуатации и установки электрического инфракрасного обогревателя».
8. ОБСЛУЖИВАНИЕ
ВНИМАНИЕ!
См. «Правила безопасной эксплуатации и установки электрического
инфракрасного обогревателя»
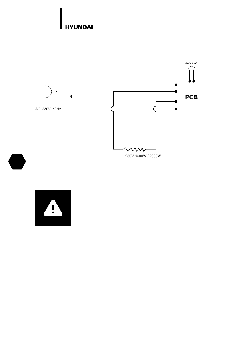
7. ПРИНЦИПИАЛЬНАЯ ЭЛЕКТРИЧЕСКАЯ СХЕМА
ИСТОЧНИК ПИТАНИЯ
ВЫКЛЮЧАТЕЛЬ
НАГРЕВАТЕЛЬНЫЙ
ЭЛЕМЕНТ
ПЕЧАТНАЯ
ПЛАТА
Рис.12













