Обогреватели HYUNDAI AT8, 5кВт, ТЭН H-AT8-50-UI517 - инструкция пользователя по применению, эксплуатации и установке на русском языке. Мы надеемся, она поможет вам решить возникшие у вас вопросы при эксплуатации техники.
Если остались вопросы, задайте их в комментариях после инструкции.
"Загружаем инструкцию", означает, что нужно подождать пока файл загрузится и можно будет его читать онлайн. Некоторые инструкции очень большие и время их появления зависит от вашей скорости интернета.

10.
Тепловая завеса
RU
Рис. 5
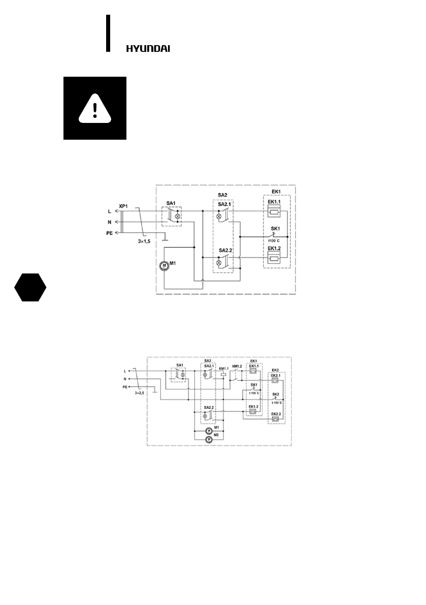
Модель H-AT8-30-UI516
7. ПРИНЦИПИАЛЬНАЯ ЭЛEКТРИЧЕСКАЯ СХЕМА
EK1 - нагревательный элемент
M1 - электродвигатель
SA1 - выключатель вентилятора
SA2 - выключатель режимов нагрева
SK1 - термоограничитель
XP1 - вилка сетевая
ВНИМАНИЕ!
В целях увеличения эксплуатационного срока службы тепло-
вой завесы рекомендуется соблюдать указанную последова-
тельность выключения прибора. Выключение завесы без пред-
варительного охлаждения нагревательных элементов может
привести к перегреву и преждевременному выходу из строя
нагревательных элементов.
Модель H-AT8-50-UI517
EK1/EK2 - нагревательные элементы
KM1 - магнитный пускатель
M1/M2 - электродвигатели
SA1 - выключатель вентиляторы
SA2 - выключатель режимов нагрева
SK1/SK2 - термоограничитель
Рис. 6
8.1 При соблюдении требований безопасности и правил эксплуатации завеса не требует
специального технического обслуживания.
8.2 Необходимо периодически (не реже одного раза в месяц) производить чистку от пыли и
загрязнений перфорированной решётки забора воздуха и при необходимости других наруж
-
ных поверхностей завесы.
8. ОБСЛУЖИВАНИЕ













