Обогреватели Hintek SW 1500M 04.05.01.214552 - инструкция пользователя по применению, эксплуатации и установке на русском языке. Мы надеемся, она поможет вам решить возникшие у вас вопросы при эксплуатации техники.
Если остались вопросы, задайте их в комментариях после инструкции.
"Загружаем инструкцию", означает, что нужно подождать пока файл загрузится и можно будет его читать онлайн. Некоторые инструкции очень большие и время их появления зависит от вашей скорости интернета.

15
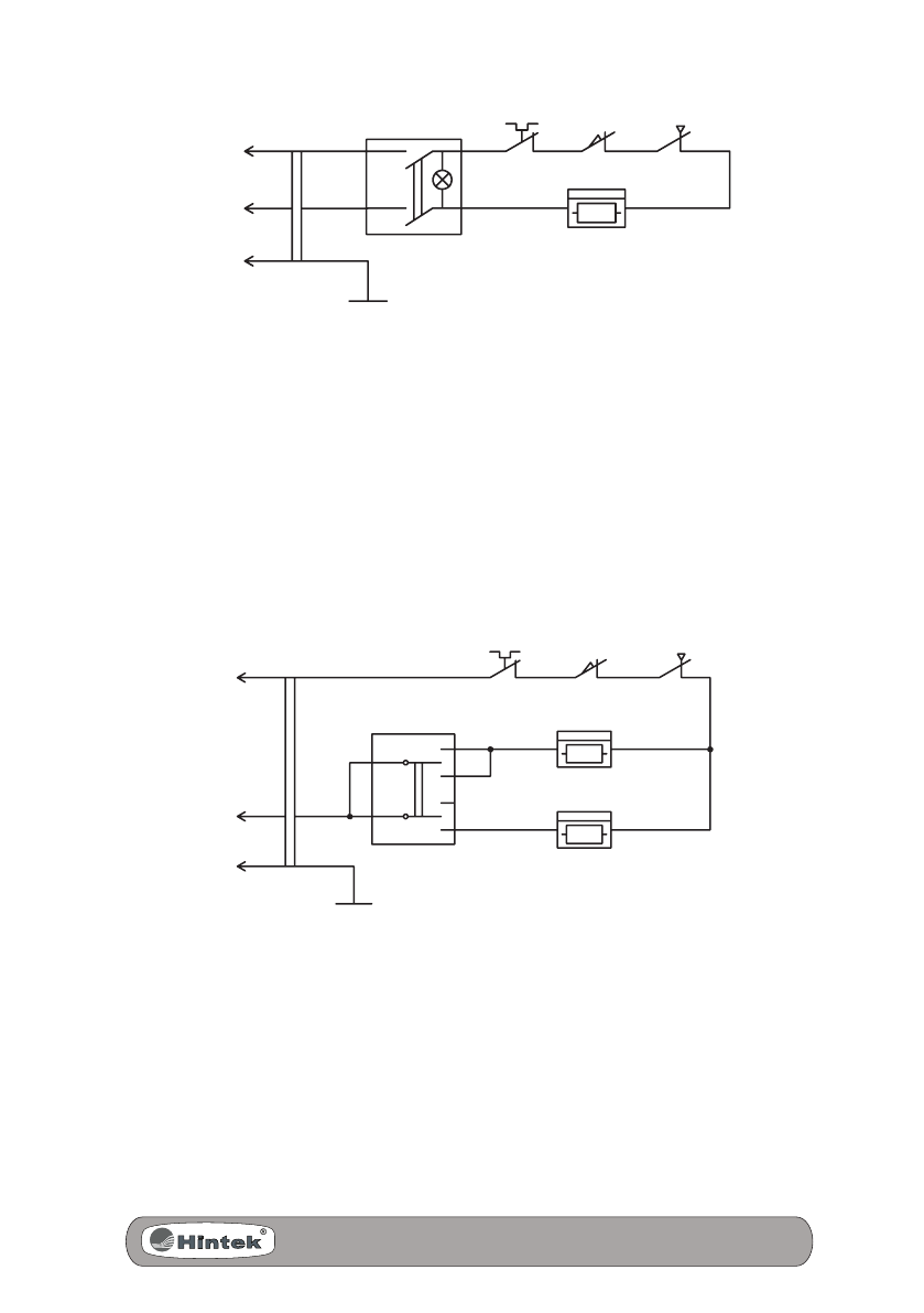
Рис. 3. Схема электрическая принципиальная конвекторов
со стич элементом мощностью 1000 Вт модель SW.
L
PE
SK1
SK2
EK1
N
SQ1
SA1
~ 230 В
SA1
L
PE
SQ1
SK1
N
EK1.1
EK1.2
SK2
~ 230 В
ek1 - электронагреватель;
Sk1 - терморегулятор;
SA1 - двухпозиционная клавиша;
Sk2 - защитный термостат;
SQ1 - датчик защиты от опрокидывания;
L - фазный проводник;
n - нулевой проводник;
Pe - защитный проводник.
Рис. 4. Схема электрическая принципиальная конвекторов
со стич элементом мощностью 1500 Вт и 2000 Вт модель SW.
ek1 - электронагреватель;
Sk1 - терморегулятор;
SA1 - трехпозиционная клавиша;
Sk2 - защитный термостат;
SQ1 - датчик опрокидывания;
L - фазный проводник;
n - нулевой проводник;
Pe - защитный проводник.
Содержание
- 3 соДерЖАние
- 5 инстрУкЦиЯ По теХнике БеЗоПАсности
- 6 теХнические ХАрАктеристики; технические характеристики
- 7 Комплектность конвектора должна соответствовать таблице 2.; Устройство и ПорЯДок рАБотЫ; Подготовка к работе:; Убедитесь, что конвектор находится в положении «ВЫКЛ», прежде чем
- 8 теХническое оБслУЖивАние
- 9 Установка на полу для моделей SW:
- 10 и УтилиЗАЦиЯ
- 12 ГАрАнтиЯ иЗГотовителЯ
- 13 Конвектор электрический имеет сертификат соответствия.
- 15 Рис. 4. Схема электрическая принципиальная конвекторов
- 17 О гарантийных мастерских Вы можете узнать у поставщика.; ООО «Элком»; Изготовлено в России