Обогреватели Hintek RM-0615-3D-Y 6 кВт 05.000040 - инструкция пользователя по применению, эксплуатации и установке на русском языке. Мы надеемся, она поможет вам решить возникшие у вас вопросы при эксплуатации техники.
Если остались вопросы, задайте их в комментариях после инструкции.
"Загружаем инструкцию", означает, что нужно подождать пока файл загрузится и можно будет его читать онлайн. Некоторые инструкции очень большие и время их появления зависит от вашей скорости интернета.

ПРИЛОЖЕНИЕ
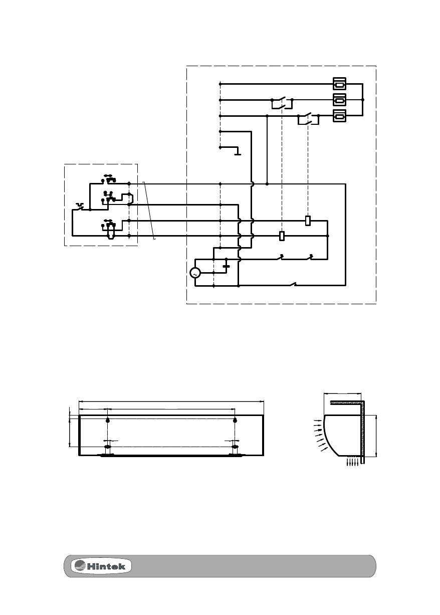
Рис.2. Схема электрическая
A1
A2
A1
A2
6
3
2
1
O N -OF
II
I
t
°
П у л ьт у п р а в л е н ия
7
A1
X T2
X T3
M
M1
С1
КМ 1 .2
КМ 2 .2
КМ 1 .1
КМ 2 .1
E K1
EK2
SK1
t
°
SK3
EK3
L1
PE
N
L2
L3
4
ґ
0 ,75
А1- п у л ьт у п р а в л ения
С1- ко н д е н с а т ор
ЕК 1 ...ЕК 3 - э л е к тр о н а г рев а те ли
КМ 1, КМ 2- м а г н и т н ы е п у с к а т ели
М 1- э л ек т р о д в и га т ел ь ве н т ил я т о ра
S K 1 ... S K 3-т ер м оо г р а н и ч и те ли
ХТ 1 ...ХТ 3- к о л о д ки к л е м м н ые
ч ерный
син ий
жел тый
к ор и ч н ев ый
t
°
S K2
t
°
X T1
Рис.3. Габаритные и установочные размеры
Вид с тыльной стороны
Всасывание
Размеры в миллиметрах
Нагнетание
2
4
0
215
1430
165
1100
2
0
1
6
0
12
24
24
12
Вид с тыльной стороны
Всасывание
Размеры в миллиметрах
Нагнетание
2
4
0
215
1430
165
1100
2
0
1
6
0
12
24
24
12
®
16
Содержание
- 3 СОДЕРЖАНИЕ
- 4 еред использованием воздушно-тепловой завесы; Здесь Вы найдете
- 6 ТРЕБОВАНИЯ БЕЗОПАСНОСТИ; При эксплуатации завесы соблюдайте правила безопасности
- 7 ТЕХНИЧЕСКИЕ ХАРАКТЕРИСТИКИ; Технические характеристики указаны в таблице 1.
- 10 Для защиты электропроводки от перегрузки подключение к
- 14 Воздушно-тепловая завеса имеет сертификат соответствия.
- 16 ГАРАНТИЯ ИЗГОТОВЛЕНИЯ; Изготовитель гарантирует надежную и безотказную работу
- 17 ПРИЛОЖЕНИЕ
- 19 RM; ООО «Элком»