Обогреватели Hintek PROF-15380, 15 Квт 04.000097 - инструкция пользователя по применению, эксплуатации и установке на русском языке. Мы надеемся, она поможет вам решить возникшие у вас вопросы при эксплуатации техники.
Если остались вопросы, задайте их в комментариях после инструкции.
"Загружаем инструкцию", означает, что нужно подождать пока файл загрузится и можно будет его читать онлайн. Некоторые инструкции очень большие и время их появления зависит от вашей скорости интернета.

17
Схема электрическая для PROF-24380 и PROF-30380
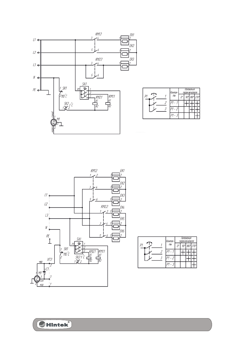
Схема электрическая для PROF-12380 и PROF-15380
EK1- EK3 - электронагреватели
KM1, КМ2 - контакторы
M1 - электродвигатель вентилятора
SA1 - переключатель режимов
SK1 - термовыключатель
SK2 - терморегулятор
ХТ1 - колодка клеммная
Схема коммутации переключателя SA1
ХT1
EK1- EK6 - электронагреватели
KM1, КМ2 - контакторы
M1 - электродвигатель вентилятора
SA1 - переключатель режимов
SK1 - термовыключатель
SK2 - терморегулятор
ХТ1 - колодка клеммная
Схема коммутации переключателя SA1
ХT1