Обогреватели Hintek PROF-09380, 9 кВт 04.000040 - инструкция пользователя по применению, эксплуатации и установке на русском языке. Мы надеемся, она поможет вам решить возникшие у вас вопросы при эксплуатации техники.
Если остались вопросы, задайте их в комментариях после инструкции.
"Загружаем инструкцию", означает, что нужно подождать пока файл загрузится и можно будет его читать онлайн. Некоторые инструкции очень большие и время их появления зависит от вашей скорости интернета.

16
ПРИЛОЖЕНИЕ
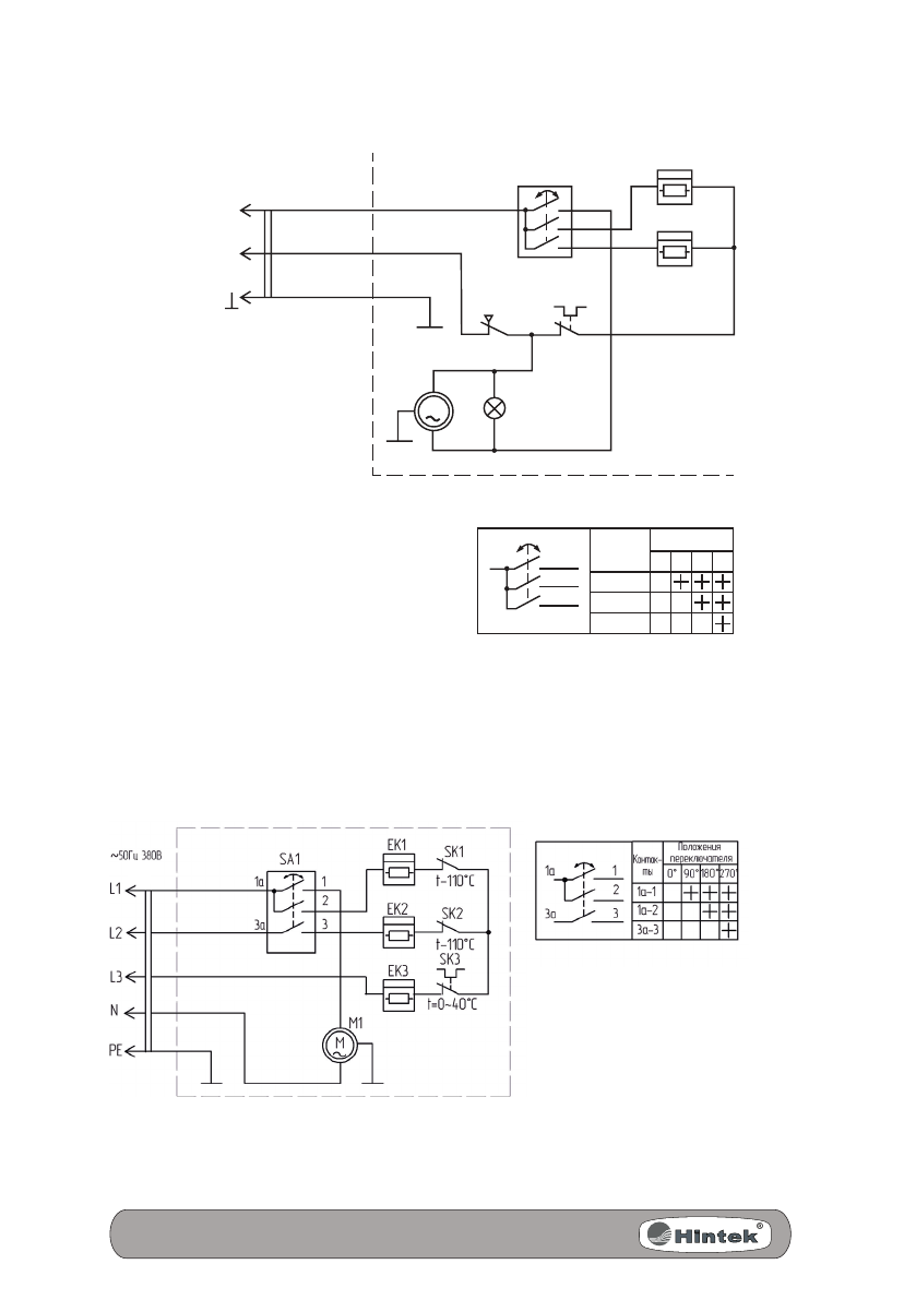
EK1- EK3 - электронагреватели
M1 - электродвигатель вентилятора
SA1 - переключатель режимов
SK1 , SK2 - термовыключатели
SK3 - терморегулятор
ХТ1 - колодка клеммная
ХT1
Схема коммутации переключателя SA1
Схема электрическая для PROF-06380 и PROF-09380
Схема электрическая PROF-03220, PROF-05220
ХТ1
SA1
EK1
EK2
M1
M
HL1
P1
EK1, EK2 - электронагреватели
М1 - электронагреватель вентилятора
SA1 - переключатель режимов
SK1 - термовыключатель
SK2 - терморегулятор
ХТ1 - колодка клеммная
Схема коммутации переключателя SA1
SK1
SK2
1
2
1
1
2
1
2
3
2
2
3
1
1
2
1
2
t
0
t110
0
C
L
N
кор
кор
син
син
3
ж-з
~50Гц 220В
P1
P1-1
P1-2
P1-3
Положения
переключателя
Контакты
0
0
90
0
180
0
270
0