Обогреватели FUBAG Mistral 85 H 20821299 - инструкция пользователя по применению, эксплуатации и установке на русском языке. Мы надеемся, она поможет вам решить возникшие у вас вопросы при эксплуатации техники.
Если остались вопросы, задайте их в комментариях после инструкции.
"Загружаем инструкцию", означает, что нужно подождать пока файл загрузится и можно будет его читать онлайн. Некоторые инструкции очень большие и время их появления зависит от вашей скорости интернета.

8 ХАРАКТЕРИСТИКИ ИСПОЛЬЗУЕМОГО ТОПЛИВА
.
Плотность при 15°C
кг/м
3
815 - 865
Вода и осадок
% объем/объем
0,05
Зола
% масса/масса
0,01
Окисление меди (за 3 часа при 100°C)
коэффициент
1
Дистилляция при 250°C
%
65
Дистилляция при 350°C
%
96
Испарение:
150°C
250°C
% объем/объем
65
350°C
% объем/объем
85
Температура вспышки
°C
56
Температура самовоспламенения
°C
255
НКПР
°C
-15
Температура помутнения
°C
-5
Предел ползучести
°C
-10
Вязкость при 40°C
сСт
2,87
Сера
Масса %
0,2
Нижний предел воспламеняемости
% объем/объем
0,7
Верхний предел воспламеняемости
% объем/объем
6
% объем/объем
2
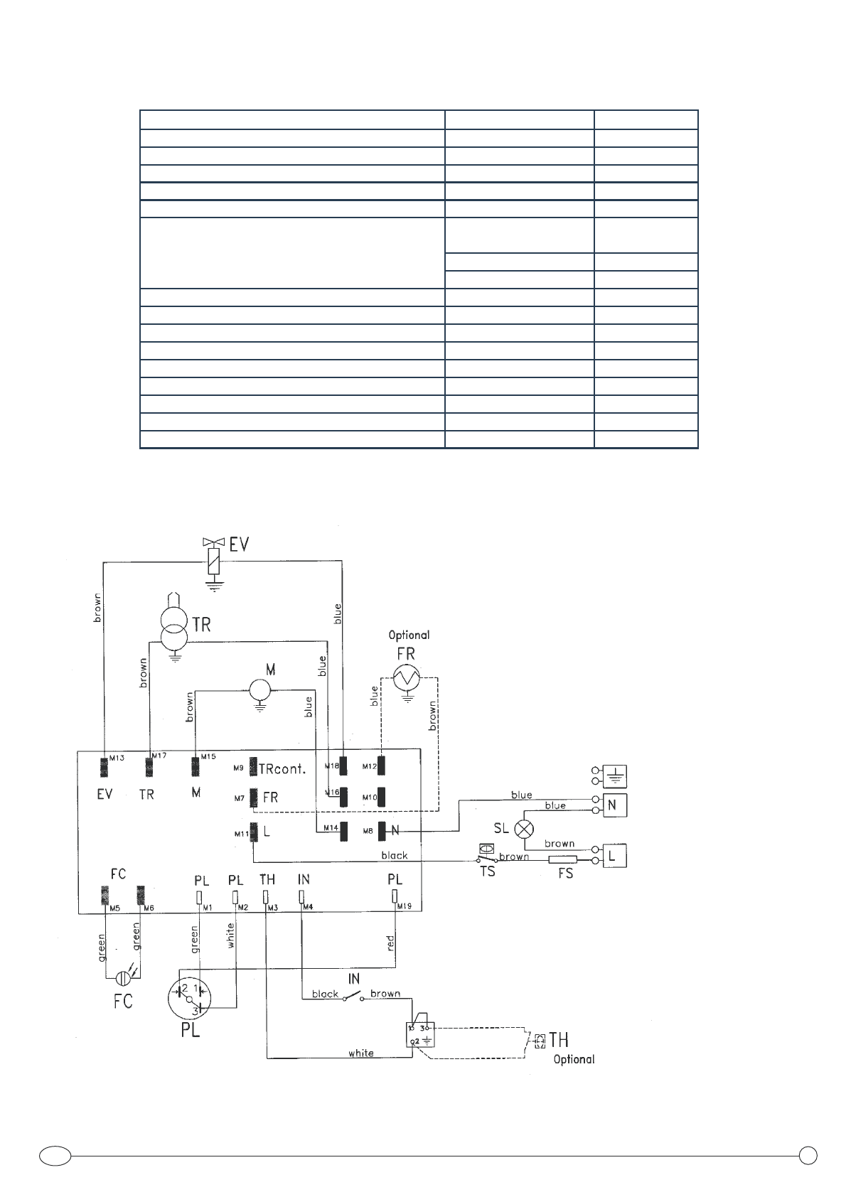
ЭЛЕКТРИЧЕСКИЕ СХЕМЫ - БАЗОВАЯ МОДЕЛЬ
EV
TR
SL
TS
FS
FC
PL
IN
FR
Топливный электромагнитный клапан
Преобразователь
Двигатель
Индикатор
Предохранительное термореле
Горелка
Датчик пламени
Кнопка перезапуска
Выключатель
Комнатный термостат опция
Подогреваемый фильтр опция
(
)
(
)
М
ТН
blue-
, brown-
, green-
red-
white-
синий
коричневый
зеленый,
красный,
белый
RU
15












