Обогреватели FRICO PA4210A - инструкция пользователя по применению, эксплуатации и установке на русском языке. Мы надеемся, она поможет вам решить возникшие у вас вопросы при эксплуатации техники.
Если остались вопросы, задайте их в комментариях после инструкции.
"Загружаем инструкцию", означает, что нужно подождать пока файл загрузится и можно будет его читать онлайн. Некоторые инструкции очень большие и время их появления зависит от вашей скорости интернета.

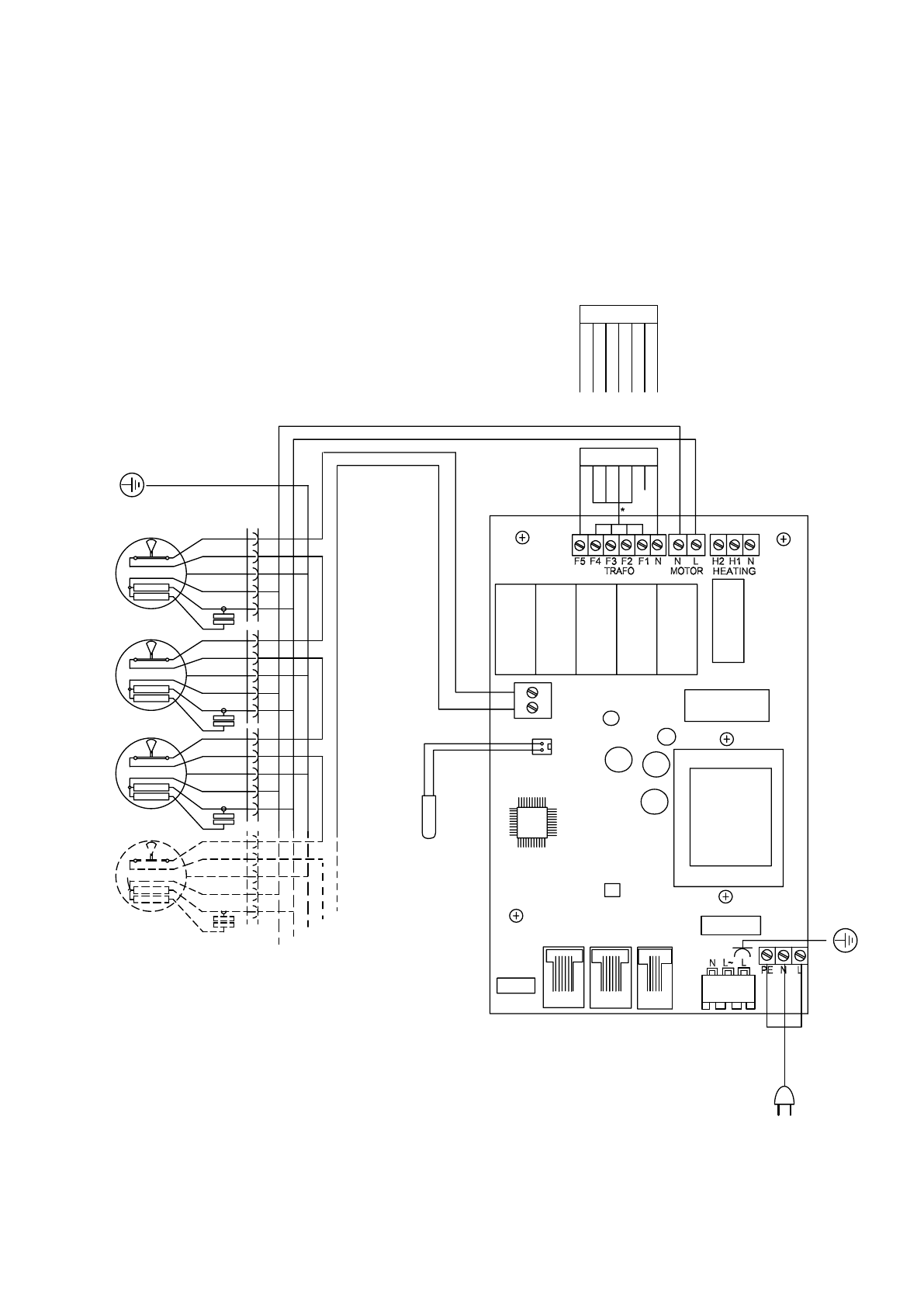
Internal wiring diagram
Wiring diagrams
PA3500 W
PA4200 W
4215W/4220W/4225W
3515W/3520W/3525W
421
0W
351
0W
SIReB1
230V~
Actuator
230V~
Transformer
230V
20
0V
17
0V
145V
12
0V
10
0V
N
Blac
k
Blue
White
White
Supply
230V~
C2
C1
ROOM
Internal
sensor
Motor
protection
°C
°C
°C
°C
Transformer
230V
20
0V
170V
145V
120V
10
0V
N
Yellow
Orange
Re
d
Brown
Blac
k
Green
Blue
PA3500/4200
16