Обогреватели FRICO AD210E06 - инструкция пользователя по применению, эксплуатации и установке на русском языке. Мы надеемся, она поможет вам решить возникшие у вас вопросы при эксплуатации техники.
Если остались вопросы, задайте их в комментариях после инструкции.
"Загружаем инструкцию", означает, что нужно подождать пока файл загрузится и можно будет его читать онлайн. Некоторые инструкции очень большие и время их появления зависит от вашей скорости интернета.

Thermozone AD 200 A/E
8
230V~
2 3 4 5 6
1
8 9 10
7
CB32N
11
L
2
1
5
3
4
6
7
N
c°
RTI2
11
14
12
L
N
DC
DC
MDC
Door
contact
21
24
22
31
34
32
400V 3~, Heat
230V ~, Motor and control
AD210/215E
CB32N
5 + PE
400V 3~, Heat
6+PE
AD210/215E
6+PE
6+PE
RTI2
MDC
Door
contact
3+PE
2
3+PE
400V 3~, Heat
230V ~, Motor and control
AD220E
400V 3~, Heat
6+PE
AD220E
6+PE
400V 3~, Heat
400V 3~, Heat
CB32N
5 + PE
6+PE
RTI2
MDC
Door
contact
3+PE
2
3+PE
2
4 5 6
1
L
N
8 9
400V3~
L
1
L
2
L
3
400V3~
L
1
L
2
L
3
2
4 5 6
1
L
N
8 9
230V~
400V3~
L
1
L
2
L
3
400V3~
L
1
L
2
L
3
2
4 5 6
1
L
N
8 9
400V3~
L
1
L
2
L
3
400V3~
L
1
L
2
L
3
AD200E
AD200E
AD200E
Only valid for AD220E
2 3 4 5 6
1
N
L
8
11
9
L3
L1 L2
kW
kW
M
Blue
Blac
k
Br
ow
n
~
400V3~
AD200E
L3
L1 L2
kW
kW
400V3~
AD220E
2
4 5 6
1
L
N
8 9
400V3~
L
1
L
2
L
3
400V3~
L
1
L
2
L
3
2
4 5 6
1
L
N
8 9
230V~
400V3~
L
1
L
2
L
3
400V3~
L
1
L
2
L
3
2
4 5 6
1
L
N
8 9
400V3~
L
1
L
2
L
3
400V3~
L
1
L
2
L
3
AD200E
AD200E
AD200E
Only valid for AD220E
Level 2
AD 200 E
Содержание
- 35 Назначение и область применения; пониженное давление в помещении; Установка; Закрепите завесу на консолях и затяните гайки.; Альтернативный вариант подвески
- 36 Устранение неисправностей; Переустановите датчик перегрева, для чего:; Обслуживание; Отключите центральный выключатель
- 37 Технические параметры; Описание
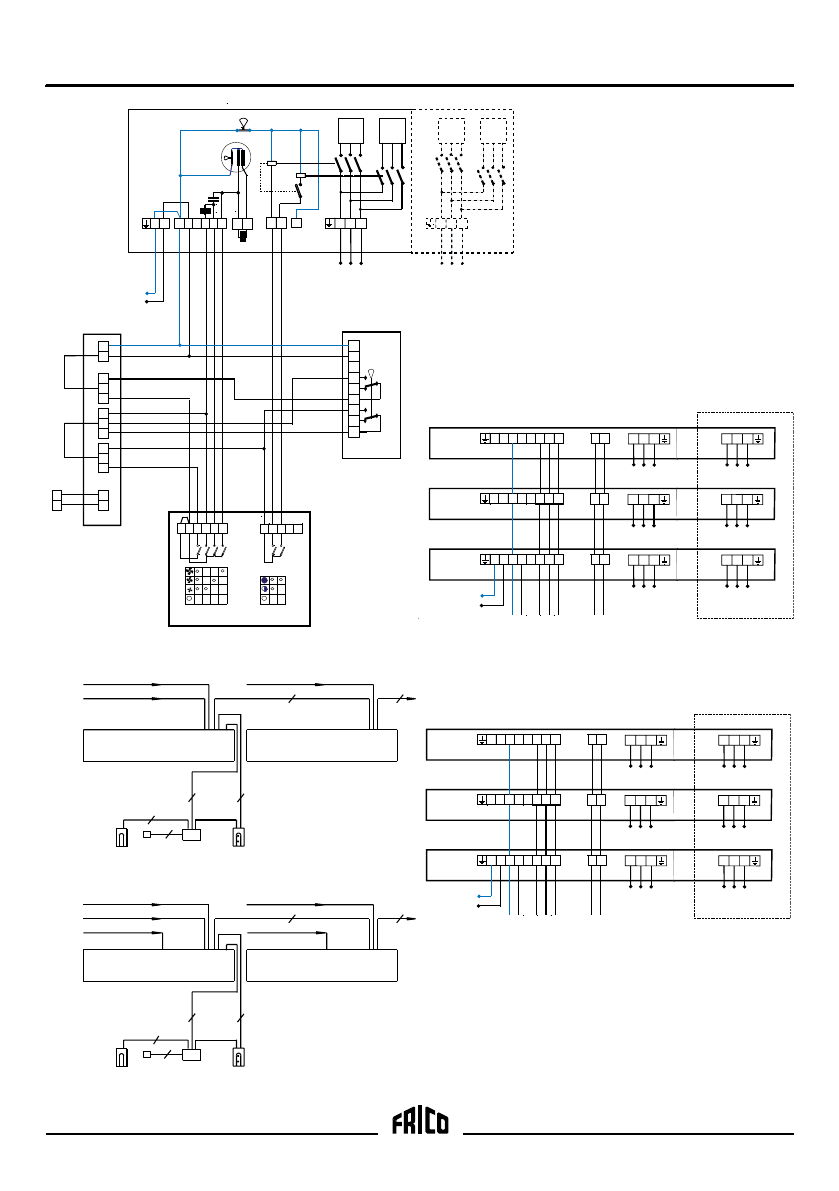
- 38 RTI2, электронный 2х ступенчатый термостат; Пульт управления; ADPK1; Принадлежности; Please see English pages for other regulations.