Обогреватели FRICO ACCH10WL - инструкция пользователя по применению, эксплуатации и установке на русском языке. Мы надеемся, она поможет вам решить возникшие у вас вопросы при эксплуатации техники.
Если остались вопросы, задайте их в комментариях после инструкции.
"Загружаем инструкцию", означает, что нужно подождать пока файл загрузится и можно будет его читать онлайн. Некоторые инструкции очень большие и время их появления зависит от вашей скорости интернета.

!
ADEAEB
1
2
ADEA
OS
ADEAIS
4
MDCDC
Thermoz
one
AC
Corinte E
ADEAR
230V~
Fuse
230V~
400V3~
LN
PE
L1
L2
L3
PE
Supply heat
control
Supply heater
Supply
fa
n
ADEA
GD1
2×230V~ Motor and contro
l
AC
Corinte E
ADEAEB +
ADEA
GD1
10x0,5mm²
10x0,5mm²
10x0,5mm²
2×(2+PE)
400V3~ Heat
400V3~ Heat
AC
Corinte E
2+PE
ADEAR
ADEAIS
ADEA
OS
MDCDC
8x0,5mm²
2x0,5mm²
2x0,5mm²
2x0,5mm²
2+PE
K1
K2
140V
120V
170V
200V
230V
L
N
12345
6
LL
L
12
3
LN
K3
5
3
6
78
C3
C1
C6
C7
C2
50º
Trafo
II
I
I + II = III
Fuse
~
MM
1
1
~
M
1
~
M
1
~
˚C
F5 40º
˚C
F3
˚C
F2 80º
˚C
F4 50º
L
N
12345
6
5
3
6
78
C3
C1
C6
C7
C2
LN
4
5
89
20
21
31
41
50
11
51
81
80
83
82
84
86
85
87
G2
G1
G4
G3
G5
C2
C1
C3
C6
C7
30
40
6
6
4
5
8
7
9
11
10
230V~
C 1
C 6
C 7
C 2
C 3
Control
heat
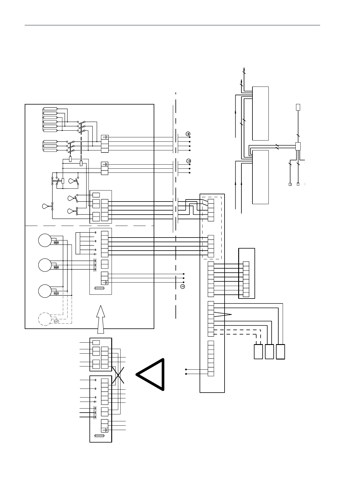
Wiring diagrams AC Corinte
Electric regulations options
Level 3
9
AC Corinte













