Обогреватели FRICO ACC20E - инструкция пользователя по применению, эксплуатации и установке на русском языке. Мы надеемся, она поможет вам решить возникшие у вас вопросы при эксплуатации техники.
Если остались вопросы, задайте их в комментариях после инструкции.
"Загружаем инструкцию", означает, что нужно подождать пока файл загрузится и можно будет его читать онлайн. Некоторые инструкции очень большие и время их появления зависит от вашей скорости интернета.

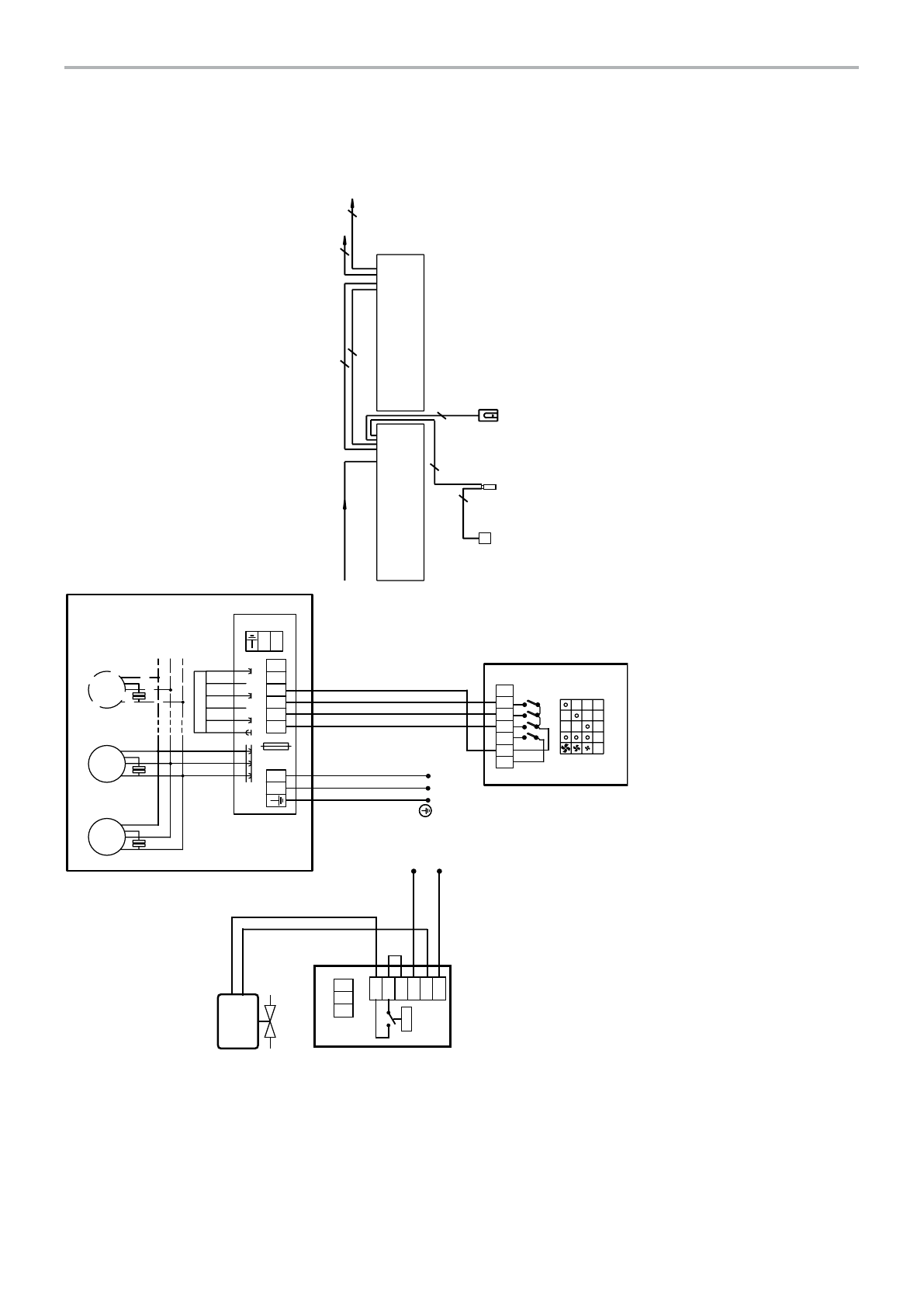
Wiring diagrams AC Corinte
Water regulations options
Level 1
0
23
45
67
1
SD20
CB30N
LN
1
2345
B2
B3
Fuse
6
7N
230V~
Thermoz
one
AC
Corinte
W
M
1~
M
1~
M
1~
TVV20/25
T1
0
230V~ Motor and contro
l
AC
Corinte
W
CB30N
4x0,5mm²
4x0,5mm²
4x0,5mm²
2+PE
AC
Corinte
W
2+PE
2+PE
2+PE
SD20
A/B
2
4
4
>t°C
6 2
7
T1
0
230V~
LN
PE
Supply
fa
n
1234
Control
140V
120V
1 70V
200V
230V
Traf
o
10
AC Corinte













