Обогреватели FRICO ACC15E - инструкция пользователя по применению, эксплуатации и установке на русском языке. Мы надеемся, она поможет вам решить возникшие у вас вопросы при эксплуатации техники.
Если остались вопросы, задайте их в комментариях после инструкции.
"Загружаем инструкцию", означает, что нужно подождать пока файл загрузится и можно будет его читать онлайн. Некоторые инструкции очень большие и время их появления зависит от вашей скорости интернета.

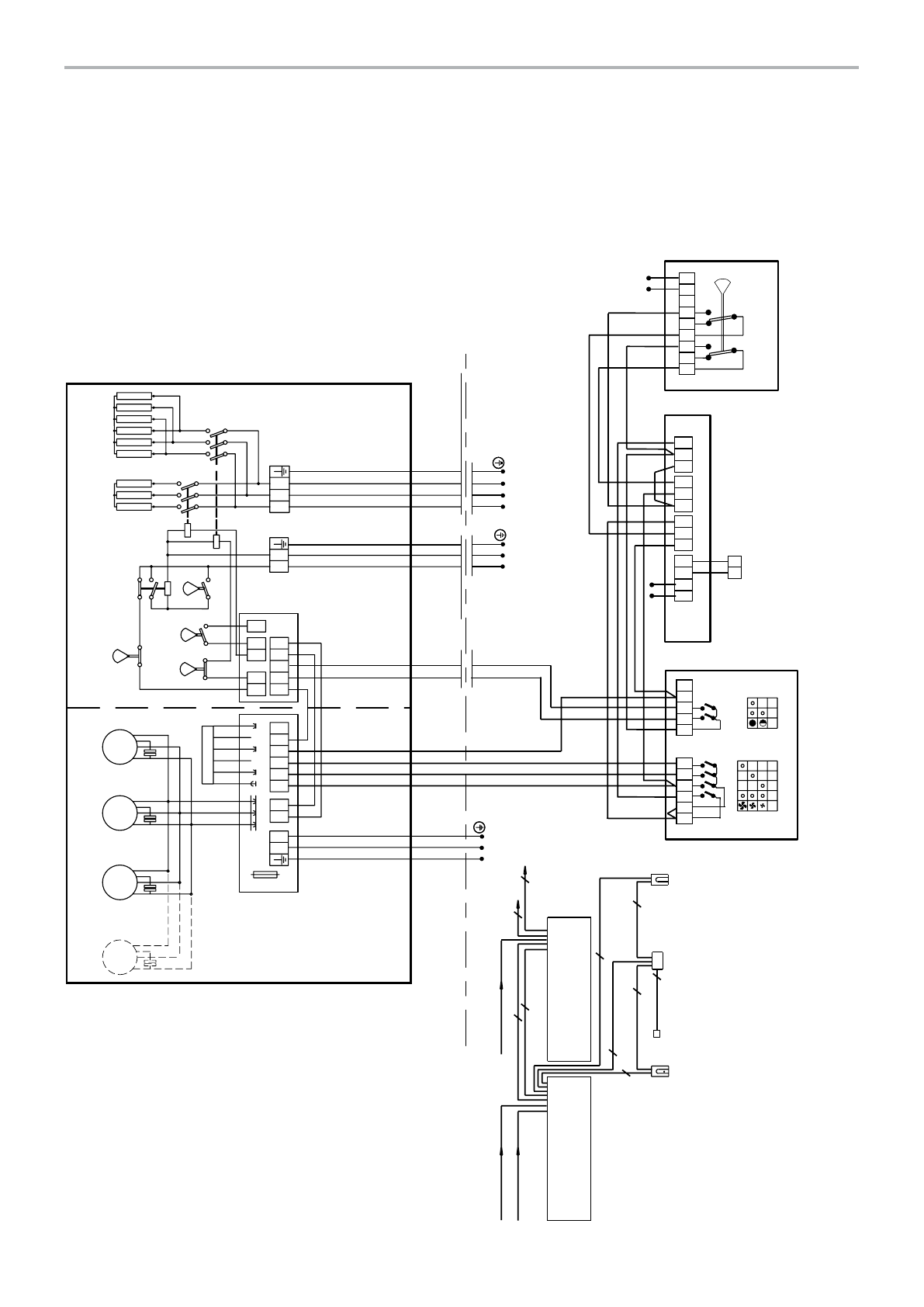
Wiring diagrams AC Corinte
Electric regulations options
Level 2
0
0
CB32N
Hi
Lo
R
TI2
MDC
Door cont
act
CB32N
MDC
Door cont
act
R
TI2
230V~
230V~
230V~
400V3~
230V~ Motor and control
AC
Corinte E
6x0,5mm²
6x0,5mm²
6x0,5mm²
AC
Corinte E
2+PE
5x0,5mm²
4x0,5mm²
2x0,5mm²
2+PE
2+PE
40
0V3~ Heat
40
0V3~ Heat
23
45
6
1
N
L
DC
DC
12
11
14
22
21
24
32
31
34
78
9
10
11
C°
23
45
67
LN
1
L
N
1234
56
LL
L
12
3
LN
C3
C1
C6
C7
C2
II
I
I + II = III
Fuse
~
MM
1
1
~
M
1
~
M
1
~
Thermoz
one
AC
Corinte E
140V
120V
170V
200V
230V
5
3
6
78
Trafo
K1
K2
K3
F5 40º
F3 50º
F2 80º
F4 50º
LN
PE
L1
L2
L3
PE
C6
C7
Supply heat
control
Supply
fa
n
Supply heater
C
C
C
C
230V~
2×(2+PE)
8
AC Corinte