Обогреватели Ballu BIH-T-3.0 - инструкция пользователя по применению, эксплуатации и установке на русском языке. Мы надеемся, она поможет вам решить возникшие у вас вопросы при эксплуатации техники.
Если остались вопросы, задайте их в комментариях после инструкции.
"Загружаем инструкцию", означает, что нужно подождать пока файл загрузится и можно будет его читать онлайн. Некоторые инструкции очень большие и время их появления зависит от вашей скорости интернета.

12
Приложение
Схема электрическая принципиальная при групповом подключении обогревателей к
электрической сети.
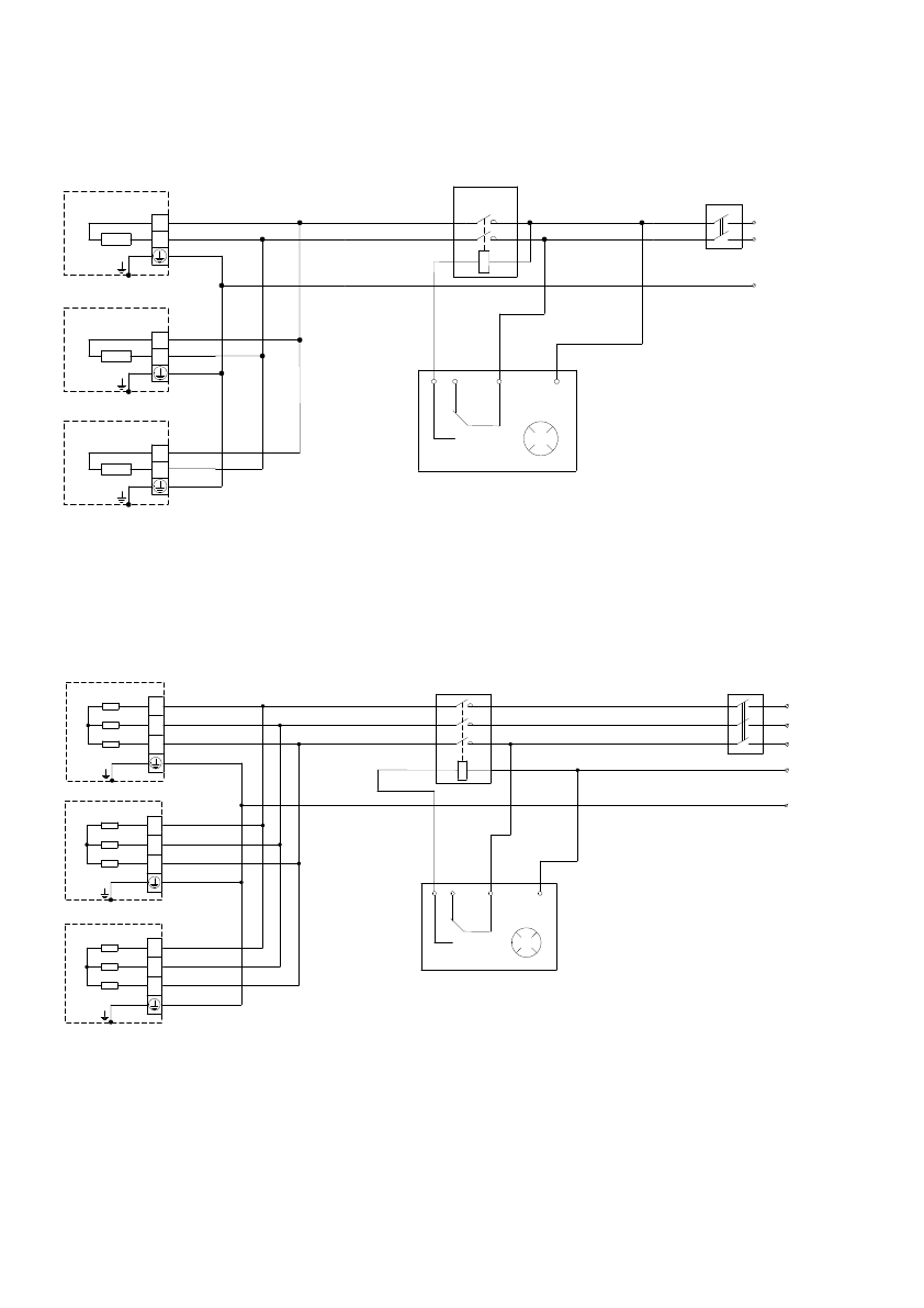
Рис. 4. Обогреватель BIH-T-1.0-E, BIH-T-1.5-E, BIH-T-2.0-E
Рис. 4. Обогреватель BIH-T-3.0; BIH-T-4.5, BIH-T-6.0
ПРИМЕЧАНИЕ
Выключатель, терморегулятор в комплект поставки не входят.
~400
В
QF1
КМ
1
ЕК
3
ЕК
2
ЕК
1
L2
L3
L1
XT1
ЕК
6
ЕК
5
ЕК
4
L2
L3
L1
XT2
ЕК
9
ЕК
8
ЕК
7
L2
L3
L1
XT3
L2
L3
L1
N
PE
Схема электрическая принципиальная инфракрасных обогревателей
I
НО
-3.0, IH
О
-4.5, I
НО
-6.0
при групповом подключении
к электрической сети
.
EK1 - EK9 -
нагревательные элементы
;
XT1 - XT3 -
клеммные колодки
;
КМ
1 -
пускатель магнитный
;
QF1 -
выключатель автоматический
.
Терморегулятор
t
Å
10
20
30
1 2
L
N
NC
С
NO
PDF created with pdfFactory Pro trial version
www.pdffactory.com
~400
В
QF1
КМ
1
ЕК
3
ЕК
2
ЕК
1
L2
L3
L1
XT1
ЕК
6
ЕК
5
ЕК
4
L2
L3
L1
XT2
ЕК
9
ЕК
8
ЕК
7
L2
L3
L1
XT3
L2
L3
L1
N
PE
Схема электрическая принципиальная инфракрасных обогревателей
I
НО
-3.0, IH
О
-4.5, I
НО
-6.0
при групповом подключении
к электрической сети
.
EK1 - EK9 -
нагревательные элементы
;
XT1 - XT3 -
клеммные колодки
;
КМ
1 -
пускатель магнитный
;
QF1 -
выключатель автоматический
.
Терморегулятор
t
Å
10
20
30
1 2
L
N
NC
С
NO
PDF created with pdfFactory Pro trial version
www.pdffactory.com
QF1
Терморегулятор
~230B
EK1, EK2, EK3 -
нагревательные элементы
;
XT1, XT2, XT3 -
клеммные колодки
;
КМ
1 -
пускатель магнитный
;
QF1 -
выключатель автоматический
.
L
КМ
1
PE
Схема электрическая принципиальная инфракрасных обогревателей
IH
О
-1,0, IH
О
-1,5, IH
О
-2.0
при групповом подключении
к электрической сети
.
N
t
Å
10
20
30
1 2
L
N
NC
С
NO
XT2
L
N
N
L
L
N
ЕК
2
ЕК
1
ЕК
3
XT1
XT3
PDF created with pdfFactory Pro trial version
www.pdffactory.com
QF1
Терморегулятор
~230B
EK1, EK2, EK3 -
нагревательные элементы
;
XT1, XT2, XT3 -
клеммные колодки
;
КМ
1 -
пускатель магнитный
;
QF1 -
выключатель автоматический
.
L
КМ
1
PE
Схема электрическая принципиальная инфракрасных обогревателей
IH
О
-1,0, IH
О
-1,5, IH
О
-2.0
при групповом подключении
к электрической сети
.
N
t
Å
10
20
30
1 2
L
N
NC
С
NO
XT2
L
N
N
L
L
N
ЕК
2
ЕК
1
ЕК
3
XT1
XT3
PDF created with pdfFactory Pro trial version
www.pdffactory.com
Характеристики
Остались вопросы?Не нашли свой ответ в руководстве или возникли другие проблемы? Задайте свой вопрос в форме ниже с подробным описанием вашей ситуации, чтобы другие люди и специалисты смогли дать на него ответ. Если вы знаете как решить проблему другого человека, пожалуйста, подскажите ему :)