Обогреватели Ballu BIH-T-2.0-E НС-1135608 - инструкция пользователя по применению, эксплуатации и установке на русском языке. Мы надеемся, она поможет вам решить возникшие у вас вопросы при эксплуатации техники.
Если остались вопросы, задайте их в комментариях после инструкции.
"Загружаем инструкцию", означает, что нужно подождать пока файл загрузится и можно будет его читать онлайн. Некоторые инструкции очень большие и время их появления зависит от вашей скорости интернета.

12
Приложение
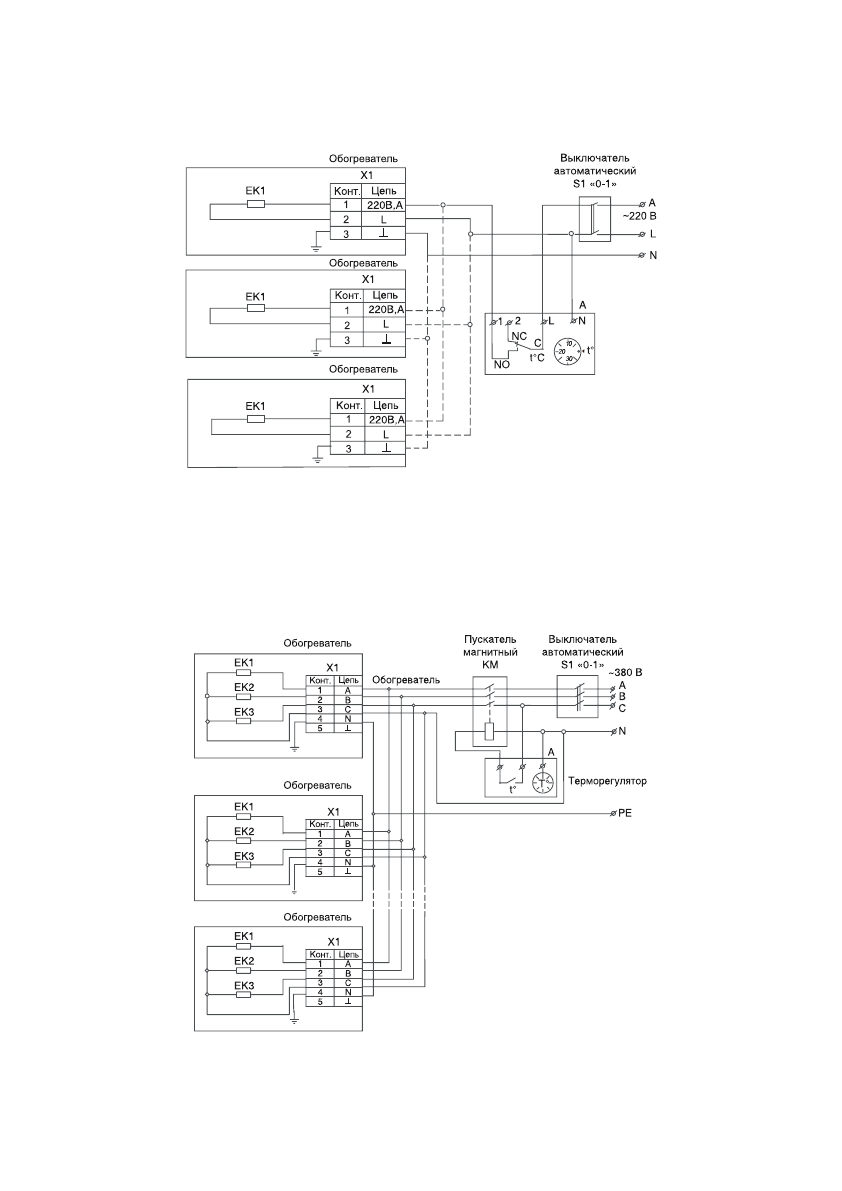
Схемы подключения обогревателей к стационарной проводке через терморегулятор
Рис. 4. Обогреватель BIH-T-1.0-E, BIH-T-1.5-E, BIH-T-2.0-E
ПРИМЕЧАНИЕ
Выключатель, терморегулятор в комплект поставки не входят.
Рис. 4. Обогреватель BIH-T-3.0; BIH-T-4.5, BIH-T-6.0
ПРИМЕЧАНИЕ:
Выключатель, пускатель магнитный, терморегулятор в комплект поставки не входят.
Содержание
- 2 Используемые обозначения; ПРИМЕЧАНИЕ; В тексте данной инструкции инфракрасные обо-; Содержание
- 3 Правила безопасности; Не используйте данный прибор с про-
- 4 Назначение и применение прибора; Назначение и применение; экономия электроэнергии; Устройство инфракрасного
- 5 Модель; Подготовка к работе; Правила установки обогревателя; Модель; Интенсивность теплового облучения
- 7 Назначение; Наименование; Установка терморегулятора
- 9 Поиск и устранение неисправностей; Неисправность; Отсутствует излучаемое тепло; Утилизация прибора
- 10 Адрес; Приборы и аксессуары можно приобрести
- 11 Приложение; Схемы подключения обогревателей к стационарной проводке
- 12 Выключатель, терморегулятор в комплект поставки не входят.
- 13 ГАРАНТИЙНЫЙ ТАЛОН; ТИП
- 14 Настоящая гарантия не распространяется на:; аксессуары, входящие в комплект поставки.; тепловентиляторы
- 15 Особые условия эксплуатации кондиционеров; В обязательном порядке при эксплуатации ультразву-
- 16 Памятка по уходу за кондиционером:; • вся необходимая информация о купленном изделии
- 17 сохраняется у клиента; УНИВЕРСАЛЬНЫЙ ОТРЫВНОЙ ТАЛОН; УНИВЕРСАЛЬНЫЙ ОТРЫВНОЙ ТАЛОН