Обогреватели Ballu BIH-T-2.0 - инструкция пользователя по применению, эксплуатации и установке на русском языке. Мы надеемся, она поможет вам решить возникшие у вас вопросы при эксплуатации техники.
Если остались вопросы, задайте их в комментариях после инструкции.
"Загружаем инструкцию", означает, что нужно подождать пока файл загрузится и можно будет его читать онлайн. Некоторые инструкции очень большие и время их появления зависит от вашей скорости интернета.

11
Приложение
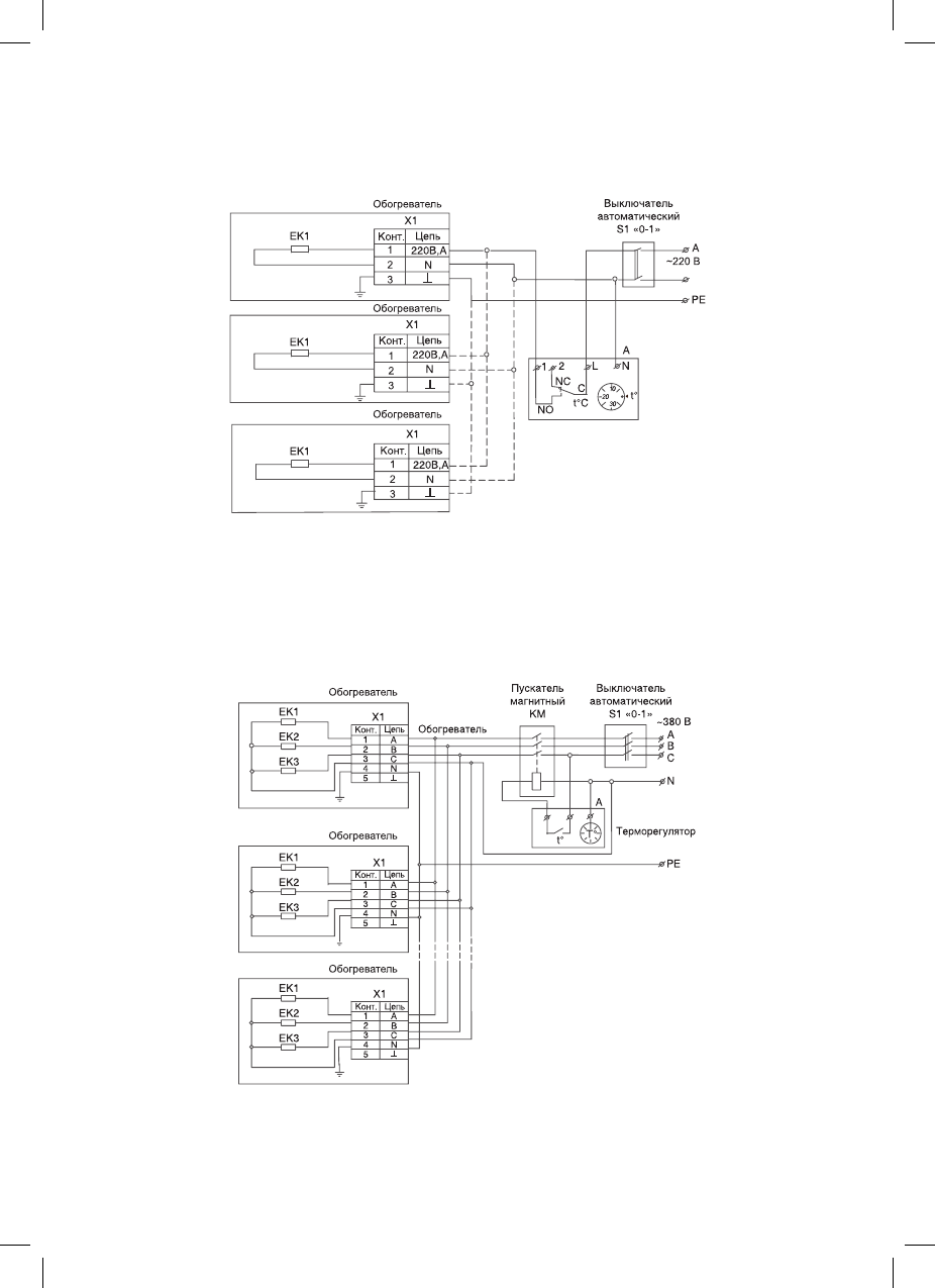
Схемы подключения обогревателей к стационарной проводке через терморегулятор
Рис. 4. Обогреватель BIH-T-1.0; BIH-T-1.5, BIH-T-2.0
ПРИМЕЧАНИЕ
Выключатель, терморегулятор в комплект поставки не входят.
Рис. 4. Обогреватель BIH-T-3.0; BIH-T-4.5, BIH-T-6.0
ПРИМЕЧАНИЕ:
Выключатель, пускатель магнитный, терморегулятор в комплект поставки не входят.
Характеристики
Остались вопросы?Не нашли свой ответ в руководстве или возникли другие проблемы? Задайте свой вопрос в форме ниже с подробным описанием вашей ситуации, чтобы другие люди и специалисты смогли дать на него ответ. Если вы знаете как решить проблему другого человека, пожалуйста, подскажите ему :)