Обогреватели Ballu BIH-LM-1.5 НС-1136144 - инструкция пользователя по применению, эксплуатации и установке на русском языке. Мы надеемся, она поможет вам решить возникшие у вас вопросы при эксплуатации техники.
Если остались вопросы, задайте их в комментариях после инструкции.
"Загружаем инструкцию", означает, что нужно подождать пока файл загрузится и можно будет его читать онлайн. Некоторые инструкции очень большие и время их появления зависит от вашей скорости интернета.

6
Уход и обслуживание
При загрязнении, после обязательного вы-
ключения и остывания обогревателя, корпус
протирать влажной тряпкой, а отражатель
мягкой тряпкой, смоченной в спирте, не остав-
ляющей после себя на поверхности царапин.
Использование других жидкостей запрещается!
Срок эксплуатации
Срок эксплуатации прибора составляет 7 лет при
условии соблюдения соответствующих правил по
установке и эксплуатации.
Транспортировка и хранение
Обогреватель в упаковке изготовителя может
транспортироваться всеми видами крытого транс-
порта, с исключением возможных ударов и пере-
мещений внутри транспортного средства.
Обогреватель должен храниться в упаковке изго-
товителя в закрытом помещении при температуре
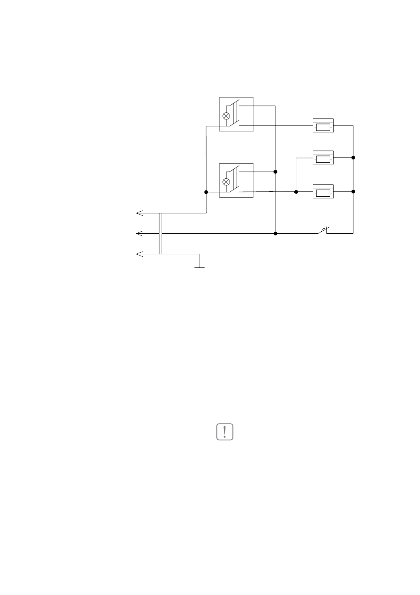
Схема электрическая принципиальная ИК обогревателя
SA1 - выключатель нагревателей;
EK1 - ЕК3 - нагревательный элемент;
SQ1 - датчик защиты от опрокидывания.
SA1.2
SA1.1
EK1
EK3
~
230 B
L
N
PE
EK2
SQ1
Схема электрическая принципиальная ИК обогревателя
от +5 до +40°С и относительной влажности до 65%
при температуре 25 °С.
Гарантия
Гарантийное обслуживание прибора произво-
дится в соответствии с гарантийными обязатель-
ствами, перечисленными в гарантийном талоне.
ВНИМАНИЕ!
Гарантия на прибор составляет 2 года.
Гарантия на нагревательный элемент составляет
6 месяцев.
Комплектация
Инфракрасный обогреватель ламповый – 1
Опоры – 2
Ручка для переноски – 1
Руководство по эксплуатации
с гарантийным талоном – 1
Упаковка – 1
Уход и обслуживание
Содержание
- 2 Используемые обозначения; Требования, несоблюдение которых может при-; ПРИМЕЧАНИЕ; Содержание; Свидетельство о приемке
- 3 Правила безопасности; Во избежание перегрева обогреватель не
- 4 Назначение и применение прибора
- 5 Управление прибором
- 6 PE; Схема электрическая принципиальная ИК обогревателя; Гарантия
- 7 Неисправность
- 8 Сертификация продукции; Товар сертифицирован на территории
- 9 ГАРАНТИЙНЫЙ ТАЛОН; ТИП
- 13 сохраняется у клиента













