Обогреватели Ballu BIH-CM-0.6 НС-1135825 - инструкция пользователя по применению, эксплуатации и установке на русском языке. Мы надеемся, она поможет вам решить возникшие у вас вопросы при эксплуатации техники.
Если остались вопросы, задайте их в комментариях после инструкции.
"Загружаем инструкцию", означает, что нужно подождать пока файл загрузится и можно будет его читать онлайн. Некоторые инструкции очень большие и время их появления зависит от вашей скорости интернета.

11
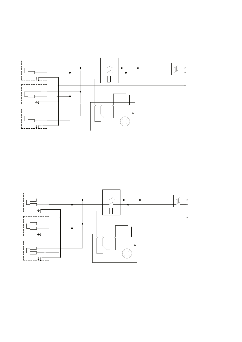
Схема электрическая принципиальная инфракрасных обогревателей BIH-CM-0.6, BIH-CM-0.8, BIH-
CM-1.0 при групповом подключении к электрической сети с использованием магнитного пускателя.
EK1, EK2, EK3 - нагревательные элементы;
КМ1 - контактор;
QF1 - выключатель автоматический.
QF1
L
N
~220-230В
PE
ЕК1
QF1
Терморегулятор
~220-230B
L
КМ1
PE
N
t
10
20
30
1 2
L
N
NC
С
NO
ЕК1
ЕК2
ЕК3
QF1
L
N
~220-230В
PE
ЕК2
ЕК1 - нагревательный элемент;
QF1 - выключатель автоматический.
ЕК1
ЕК1, EK2 - нагревательный элемент;
QF1 - выключатель автоматический.
EK1, EK2, EK3, EK4, EK5, EK6 - нагревательные элементы;
КМ1 - контактор;
QF1 - выключатель автоматический.
QF1
Терморегулятор
~220-230B
L
КМ1
PE
N
t
10
20
30
1 2
L
N
NC
С
NO
ЕК2
ЕК4
ЕК6
ЕК1
ЕК3
ЕК5
Схема электрическая принципиальная инфракрасных обогревателей BIH-CM-2.0 при групповом под-
ключении к электрической сети с использованием магнитного пускателя.
EK1, EK2, EK3 - нагревательные элементы;
КМ1 - контактор;
QF1 - выключатель автоматический.
QF1
L
N
~220-230В
PE
ЕК1
QF1
Терморегулятор
~220-230B
L
КМ1
PE
N
t
10
20
30
1 2
L
N
NC
С
NO
ЕК1
ЕК2
ЕК3
QF1
L
N
~220-230В
PE
ЕК2
ЕК1 - нагревательный элемент;
QF1 - выключатель автоматический.
ЕК1
ЕК1, EK2 - нагревательный элемент;
QF1 - выключатель автоматический.
EK1, EK2, EK3, EK4, EK5, EK6 - нагревательные элементы;
КМ1 - контактор;
QF1 - выключатель автоматический.
QF1
Терморегулятор
~220-230B
L
КМ1
PE
N
t
10
20
30
1 2
L
N
NC
С
NO
ЕК2
ЕК4
ЕК6
ЕК1
ЕК3
ЕК5
ПРИМЕЧАНИЕ
Выключатель, терморегулятор в комплект поставки не входят.
Приложение
Содержание
- 2 Используемые обозначения; Требования, несоблюдение которых может при-; ПРИМЕЧАНИЕ; Содержание; Свидетельство о приемке
- 4 Примерная площадь обогрева:
- 5 Подготовка к работе; Правила установки обогревателя; Технические характеристики
- 6 Монтаж обогревателей
- 9 Товар сертифицирован на территории
- 10 PE; электрической сети через автоматический выключатель; PE; NC; PE; NC; Приложение
- 13 ГАРАНТИЙНЫЙ ТАЛОН; ТИП
- 17 сохраняется у клиента