Обогреватели Ballu BIH-APL-1.5 - инструкция пользователя по применению, эксплуатации и установке на русском языке. Мы надеемся, она поможет вам решить возникшие у вас вопросы при эксплуатации техники.
Если остались вопросы, задайте их в комментариях после инструкции.
"Загружаем инструкцию", означает, что нужно подождать пока файл загрузится и можно будет его читать онлайн. Некоторые инструкции очень большие и время их появления зависит от вашей скорости интернета.

10
Приложение
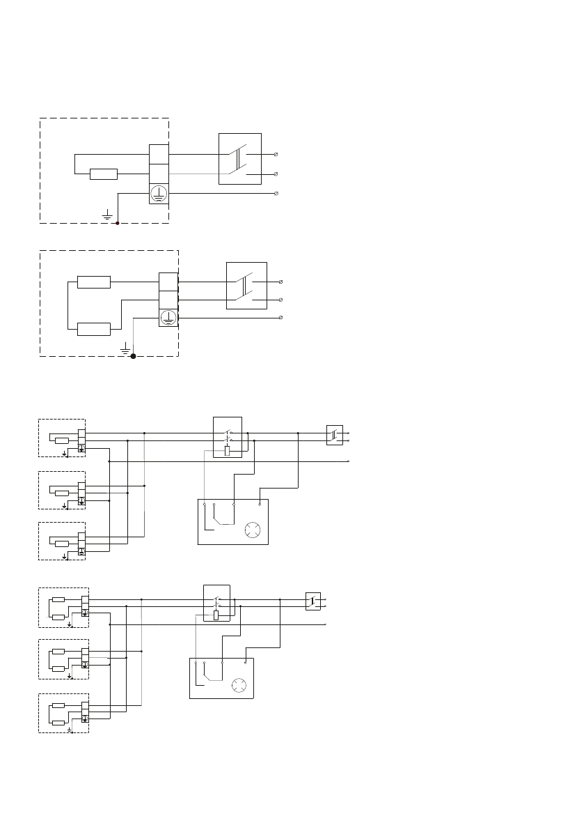
Схемы подключения обогревателей к стационарной проводке
Рис. 1. Обогреватель BIH-APL-0.6; BIH-APL-0.8; BIH-APL-1.0, BIH-APL-1.5
Рис. 2. Обогреватель BIH-APL-2.0, BIH-APL-3.0
Приложение
Схема подключения обогревателей к стационарной проводке через терморегулятор
Рис. 3. Обогреватель BIH-APL-0.6; BIH-APL-0.8; BIH-APL-1.0, BIH-APL-1.5
Рис. 4. Обогреватель BIH-APL-2.0, BIH-APL-3.0
ПРИМЕЧАНИЕ
Выключатель, терморегулятор в комплект поставки не входят.
ЕК
1
QF1
~220-230B
L
КМ
1
PE
N
L
N
N
L
L
N
ЕК
2
ЕК
3
ЕК
4
ЕК
5
ЕК
6
Схема электрическая принципиальная инфракрасных обогревателей
IH-2.0
при групповом подключении
к электрической сети
.
XT1
X
Т
2
XT3
EK1 - EK6 -
нагревательные элементы
;
XT1 - XT3 -
клеммные колодки
;
КМ
1 -
пускатель магнитный
;
QF1 -
выключатель автоматический
.
Терморегулятор
t
Å
10
20
30
1 2
L
N
NC
С
NO
PDF created with pdfFactory Pro trial version
www.pdffactory.com
QF1
Терморегулятор
~220-230B
EK1, EK2, EK3 -
нагревательные элементы
;
XT1, XT2, XT3 -
клеммные колодки
;
КМ
1 -
пускатель магнитный
;
QF1 -
выключатель автоматический
.
L
КМ
1
PE
Схема электрическая принципиальная инфракрасных обогревателей
IH-0.6, IH-0.8, IH-1.0
при групповом подключении
к электрической сети
.
N
t
Å
10
20
30
1 2
L
N
NC
С
NO
XT2
L
N
N
L
L
N
ЕК
2
ЕК
1
ЕК
3
XT1
XT3
PDF created with pdfFactory Pro trial version
www.pdffactory.com
ЕК
1
QF1
~220-230B
L
КМ
1
PE
N
L
N
N
L
L
N
ЕК
2
ЕК
3
ЕК
4
ЕК
5
ЕК
6
Схема электрическая принципиальная инфракрасных обогревателей
IH-2.0
при групповом подключении
к электрической сети
.
XT1
X
Т
2
XT3
EK1 - EK6 -
нагревательные элементы
;
XT1 - XT3 -
клеммные колодки
;
КМ
1 -
пускатель магнитный
;
QF1 -
выключатель автоматический
.
Терморегулятор
t
Å
10
20
30
1 2
L
N
NC
С
NO
PDF created with pdfFactory Pro trial version
www.pdffactory.com
QF1
Терморегулятор
~220-230B
EK1, EK2, EK3 -
нагревательные элементы
;
XT1, XT2, XT3 -
клеммные колодки
;
КМ
1 -
пускатель магнитный
;
QF1 -
выключатель автоматический
.
L
КМ
1
PE
Схема электрическая принципиальная инфракрасных обогревателей
IH-0.6, IH-0.8, IH-1.0
при групповом подключении
к электрической сети
.
N
t
Å
10
20
30
1 2
L
N
NC
С
NO
XT2
L
N
N
L
L
N
ЕК
2
ЕК
1
ЕК
3
XT1
XT3
PDF created with pdfFactory Pro trial version
www.pdffactory.com
ЕК
1;
ЕК
2 -
нагревательные элементы
;
XT1 -
клеммная колодка
;
QF1 -
выключатель автоматический
.
QF1
L
N
~220-230
В
PE
ЕК
1
XT1
N
L
ЕК
2
Схема электрическая принципиальная инфракрасного обогревателя
IH-2.0
при подключении к электрической сети через автоматический выключатель
.
PDF created with pdfFactory Pro trial version
www.pdffactory.com
ЕК
1;
ЕК
2 -
нагревательные элементы
;
XT1 -
клеммная колодка
;
QF1 -
выключатель автоматический
.
QF1
L
N
~220-230
В
PE
ЕК
1
XT1
N
L
ЕК
2
Схема электрическая принципиальная инфракрасного обогревателя
IH-2.0
при подключении к электрической сети через автоматический выключатель
.
PDF created with pdfFactory Pro trial version
www.pdffactory.com
ЕК
1 -
нагревательный элемент
;
XT1 -
клеммная колодка
;
QF1 -
выключатель автоматический
.
QF1
L
N
~220-230
В
XT1
PE
L
N
ЕК
1
Схема электрическая принципиальная инфракрасных обогревателей
IH-0.6, IH-0.8, IH-1.0
при подключении к электрической сети через автоматический выключатель
.
PDF created with pdfFactory Pro trial version
www.pdffactory.com
ЕК
1 -
нагревательный элемент
;
XT1 -
клеммная колодка
;
QF1 -
выключатель автоматический
.
QF1
L
N
~220-230
В
XT1
PE
L
N
ЕК
1
Схема электрическая принципиальная инфракрасных обогревателей
IH-0.6, IH-0.8, IH-1.0
при подключении к электрической сети через автоматический выключатель
.
PDF created with pdfFactory Pro trial version
www.pdffactory.com