Обогреватели Ballu BIH-APL-1.0 - инструкция пользователя по применению, эксплуатации и установке на русском языке. Мы надеемся, она поможет вам решить возникшие у вас вопросы при эксплуатации техники.
Если остались вопросы, задайте их в комментариях после инструкции.
"Загружаем инструкцию", означает, что нужно подождать пока файл загрузится и можно будет его читать онлайн. Некоторые инструкции очень большие и время их появления зависит от вашей скорости интернета.

12
Рис.6. Обогреватель BIH-APL-1.5
Обогреватель BIH-APL-3.0 подключается аналогично
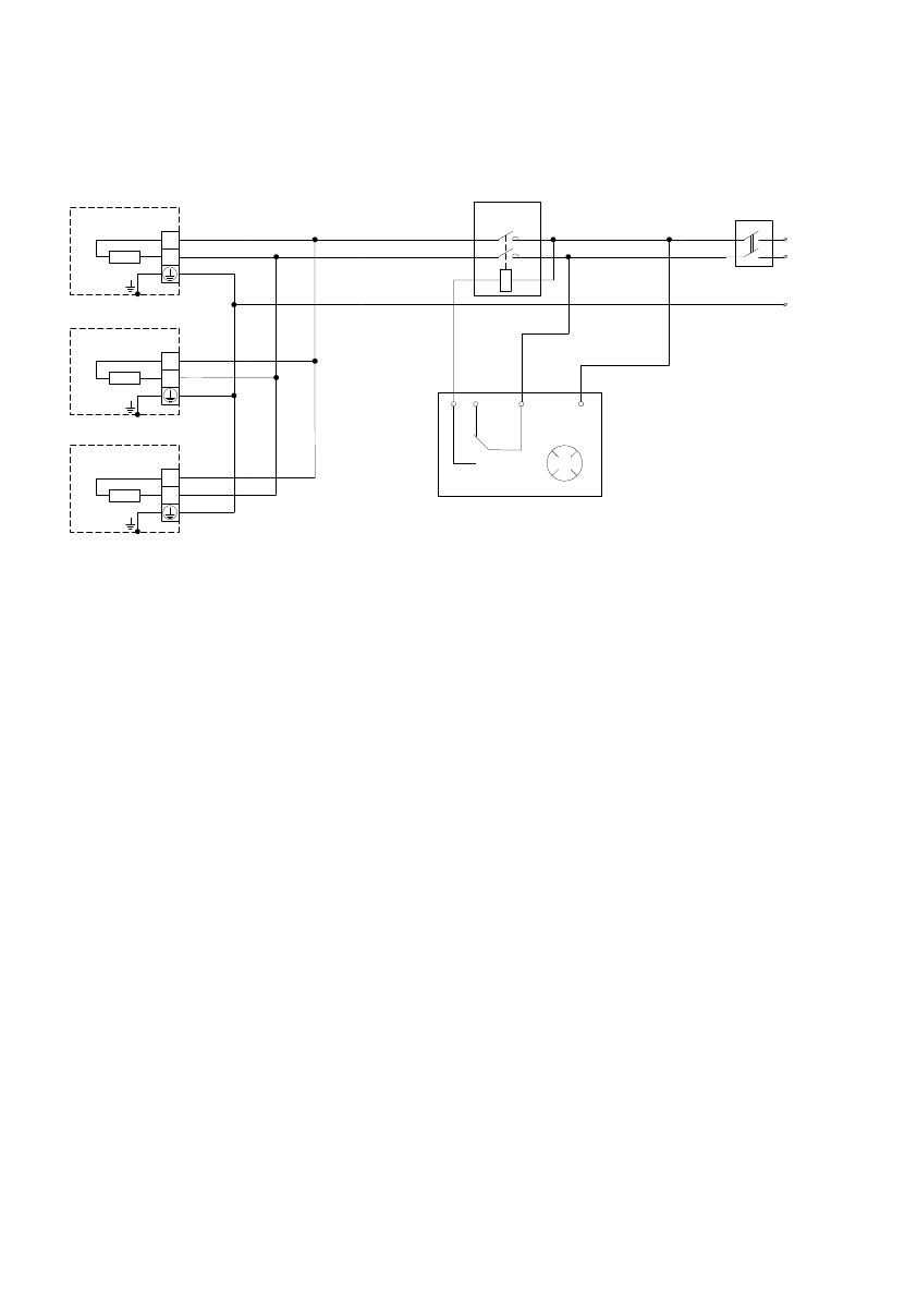
QF1
Терморегулятор
*
~230B
EK1 - EK3 - íàãðåâàòåëüíûå ýëåìåíòû
;
XT1 - XT3 - êëåììíûå êîëîäêè;
ÊÌ1 - ïóñêàòåëü ìàãíèòíûé;
QF1 - -âûêëþ÷àòåëü àâòîìàòè÷åñêèé.
L
КМ
1
PE
Схема электрическая принципиальная инфракрасных обогревателей
IH-0.6, IH-0.8, IH-1.0
при групповом подключении
к электрической сети
.
N
t
Å
10
20
30
1 2
L
N
NC
С
NO
XT2
L
N
N
L
L
N
ЕК
2
ЕК
1
ЕК
3
XT1
XT3
*терморегулятор изображен условно, для отображения принципа подключения, для подключения
модели своего терморегулятора руководствуетесь инструкцией к нему.
ПРИМЕЧАНИЕ
Выключатель, терморегулятор в комплект поставки не входят.