Обогреватели Ballu BIH-AP4-0.8 - инструкция пользователя по применению, эксплуатации и установке на русском языке. Мы надеемся, она поможет вам решить возникшие у вас вопросы при эксплуатации техники.
Если остались вопросы, задайте их в комментариях после инструкции.
"Загружаем инструкцию", означает, что нужно подождать пока файл загрузится и можно будет его читать онлайн. Некоторые инструкции очень большие и время их появления зависит от вашей скорости интернета.

12
Приложение
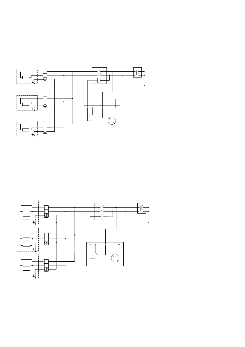
Схемы подключения обогревателей к стационарной проводке через терморегулятор
ПРИМЕЧАНИЕ:
Выключатель, терморегулятор в комплект поставки не входят.
QF1
Терморегулятор
~220-230B
L
КМ
1
PE
N
t
Å
10
20
30
1 2
L
N
NC
С
NO
XT3
N
L
ЕК
3
XT2
N
L
ЕК
2
XT1
N
L
ЕК
1
EK1 - EK3 -
нагревательный элемент
;
XT1 - XT3 -
клеммная колодка
;
КМ
1 -
электромагнитный пускатель
;
QF1 -
выключатель автоматический
.
Схема электрическая принципиальная инфракрасных обогревателей
BIH-AP4-0.6, BIH-AP4-0.8, BIH-AP4-1.0
при групповом подключении
к электрической сети
.
PDF created with pdfFactory Pro trial version
www.pdffactory.com
Схема электрическая принципиальная инфракрасных обогревателей BIH-AP4-0.6, BIH-AP4-0.8,
BIH-AP4-1.0 при групповом подключении к электрической сети.
Схема электрическая принципиальная инфракрасного обогревателя BIH-AP4-2.0 при групповом
подключении к электрической сети.
EK1 - EK3 - нагревательный элемент;
XT1 -XT3 - клеммная колодка;
КМ1 - электромагнитный пускатель;
QF1 - выключатель автоматический.
EK1 - EK6 - нагревательный элемент;
XT1 -XT3 - клеммная колодка;
КМ1 - электромагнитный пускатель;
QF1 - выключатель автоматический.
QF1
Терморегулятор
~220-230B
L
КМ
1
PE
N
t
Å
10
20
30
1 2
L
N
NC
С
NO
XT1
N
L
ЕК
1
ЕК
2
XT2
N
L
ЕК
3
ЕК
4
XT3
N
L
ЕК
5
ЕК
6
EK1 - EK6 -
нагревательный элемент
;
XT1 - XT3 -
клеммная колодка
;
КМ
1 -
электромагнитный пускатель
;
QF1 -
выключатель автоматический
.
Схема электрическая принципиальная инфракрасных обогревателей
BIH-AP4-2.0
при групповом подключении
к электрической сети
.
PDF created with pdfFactory Pro trial version
www.pdffactory.com
Рис. 3. Обогреватель BIH-AP4-0.6; BIH-AP4-0.8; BIH-AP4-1.0
Рис. 4. Обогреватель BIH-AP4-2.0