Обогреватели Ballu BIH-2.0 - инструкция пользователя по применению, эксплуатации и установке на русском языке. Мы надеемся, она поможет вам решить возникшие у вас вопросы при эксплуатации техники.
Если остались вопросы, задайте их в комментариях после инструкции.
"Загружаем инструкцию", означает, что нужно подождать пока файл загрузится и можно будет его читать онлайн. Некоторые инструкции очень большие и время их появления зависит от вашей скорости интернета.

11
Приложение
Приложение
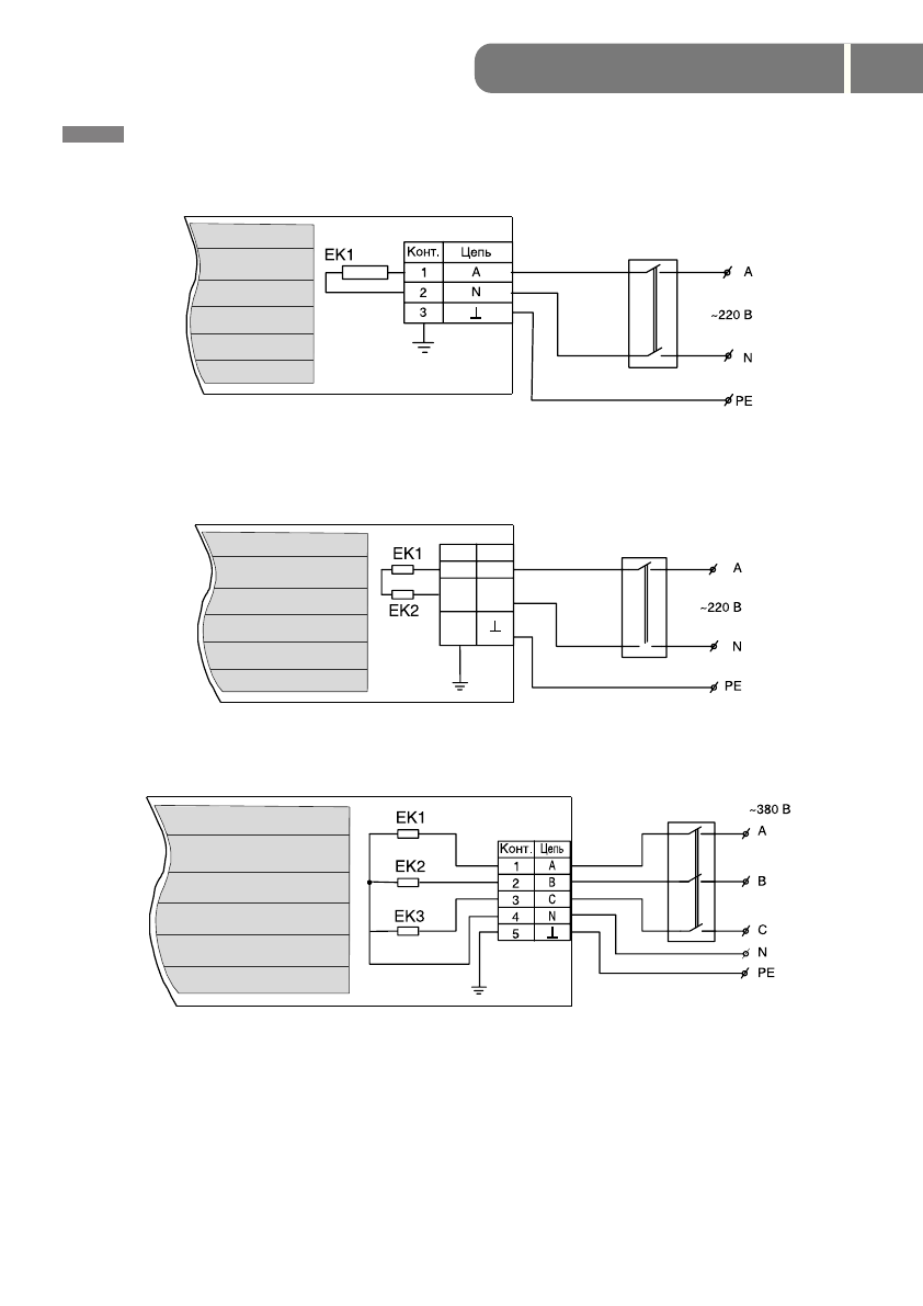
Схемы подключения обогревателей к стационарной проводке
Рис. 1. Обогреватель BIH0.8; BIH1.0
Рис. 2. Обогреватель BIH2.0
Рис. 3. Обогреватель BIH3.0; BIH4.0
ЕК1, ЕК2, ЕК3 – электронагреватели;
ХТ1 – колодка клеммная;
S1 – выключатель автоматический "0–1"
ПРИ МЕ ЧА НИЕ:
Выключатель автоматический в комплект поставки не входит.
Обогреватель
Цепь
А
N
S1
Конт.
1
2
3
XT1
Обогреватель
XT1
S1
ХТ1
S1
Содержание
- 2 Гарантийный талон; Инфракрасный обогреватель
- 3 Содержание; Используемые обозначения; Тре бо ва ния, не со блю де ние ко то рых мо жет
- 4 Правила безопасности
- 5 Инфракрасный обогрев
- 6 Технические данные; Технические характеристики; Комплектность
- 7 Правила установки обогревателя; Интенсивность теплового облучения; Подготовка к работе
- 10 Подбор терморегулятора; Эксплуатация прибора; Если отсутствует излучаемое тепло; Установка терморегулятора
- 11 Уход и обслуживание
- 12 Приложение; Схемы подключения обогревателей к стационарной проводке; ХТ1 – колодка клеммная
- 14 ГАРАНТИЙНЫЙ ТАЛОН
- 16 сохраняется у клиента; на гарантийное обслуживание