Обогреватели Ballu BHC-U15T12-PS НС-1248457 - инструкция пользователя по применению, эксплуатации и установке на русском языке. Мы надеемся, она поможет вам решить возникшие у вас вопросы при эксплуатации техники.
Если остались вопросы, задайте их в комментариях после инструкции.
"Загружаем инструкцию", означает, что нужно подождать пока файл загрузится и можно будет его читать онлайн. Некоторые инструкции очень большие и время их появления зависит от вашей скорости интернета.

12
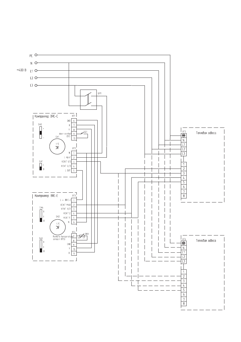
Схема электрическая принципиальная BHC-U15T12-PS и BHC-U20T18-PS при групповом под-
ключении к контроллеру BRC-E и энергосберегающему пульту BRC-C
SK1, SK2 – терморегуляторы;
ХT1-ХTn – колодка клеммная;
SA1 – переключатель включения режима защиты от
проникновения уличного воздуха;
SA2 – регулятор задержки выключения электродвигателей;
SA3 – переключатель режимов вентиляции;
RK1 – термодатчик;
SQ1 – концевой выключатель:
YA1 – электромагнитный прибор двух-/трехходового вентиля;
QF1 – автоматический выключатель.
Электрические схемы
Содержание
- 2 Используемые обозначения; ПРИМЕЧАНИЕ; Содержание; Свидетельство о приемке
- 4 Монтаж завесы; Варианты монтажа; Технические характеристики
- 5 Горизонтальный монтаж на транспортировочные кронштейны; Модель завесы
- 7 Подключение к электрической сети
- 9 Электрические схемы; к контроллеру BRC-E
- 11 к контроллеру BRC-E и энергосберегающему пульту BRC-C
- 12 ключении к контроллеру BRC-E и энергосберегающему пульту BRC-C
- 13 Управление прибором; Вентиляция с подогревом потока воздуха.
- 15 Поиск и устранение неисправностей; Примечание; Уход и обслуживание; Для контроля работы завесы необходимо
- 16 приведенной в Таблице 4.; Транспортирование и хранение
- 17 Сделано в России; Гарантия; Товар сертифицирован на территории
- 19 ГАРАНТИЙНЫЙ ТАЛОН; ТИП
- 20 Настоящая гарантия не распространяется на:
- 21 Особые условия эксплуатации кондиционеров
- 22 Памятка по уходу за кондиционером:
- 23 сохраняется у клиента; на гарантийное обслуживание; на гарантийное обслуживание













