Обогреватели Ballu BHC-M20T12-PS - инструкция пользователя по применению, эксплуатации и установке на русском языке. Мы надеемся, она поможет вам решить возникшие у вас вопросы при эксплуатации техники.
Если остались вопросы, задайте их в комментариях после инструкции.
"Загружаем инструкцию", означает, что нужно подождать пока файл загрузится и можно будет его читать онлайн. Некоторые инструкции очень большие и время их появления зависит от вашей скорости интернета.

16
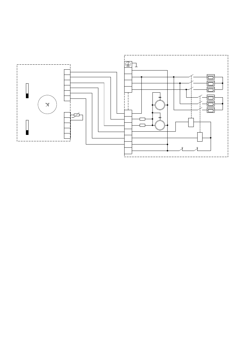
Схема электрическая принципиальная завес ВНС -Н20 Т24-PS, ВНС -Н20 Т36-PS с подключением
пульта BRC-E.
EK1-EK6 - нагревательный элемент;
КМ1, КМ2 - электромагнитный пускатель;
М1, М2 - электродвигатель;
C1, С2 - конденсатор;
R1, R2 - нагрузка;
SK1, SK2 - защитный термостат без автовозврата,
SK1 - терморегулятор;
ХТ1-XT3 - колодка клеммная;
SA1 - переключатель режимов вентиляции;
SA2 - переключатель режимов нагрева;
RK1 - термодатчик.
Подготовка к работе
1
2
3
4
5
6
Remote temperature
sensor (RTS)
XT1
XT2
L <- BRC-C
VENT MAX
VENT 1/2
HEAT 2
HEAT 1
N
SA1
I
II
0
SK1
SA2
I
II
0
GND
Y
X
7
8
9
10
11
RK1
-
EK1
EK2
EK3
EK4
EK5
EK6
KM2
KM1
1
2
3
4
5
6
7
R1
M2
M
~
C2
SK1
M1
M
~
C1
L1
L2
L3
N
XT3
SK2
R2
B
Пульт
RC-E
Тепловая завеса
t,
о
С
t,
о
С
Тепловые завесы ВНС-H10Т12-PS, ВНС-H15Т18-PS подключаются аналогично.













