Обогреватели Ballu BHC-L10T05 НС-1248461 - инструкция пользователя по применению, эксплуатации и установке на русском языке. Мы надеемся, она поможет вам решить возникшие у вас вопросы при эксплуатации техники.
Если остались вопросы, задайте их в комментариях после инструкции.
"Загружаем инструкцию", означает, что нужно подождать пока файл загрузится и можно будет его читать онлайн. Некоторые инструкции очень большие и время их появления зависит от вашей скорости интернета.

6
Подготовка к работе
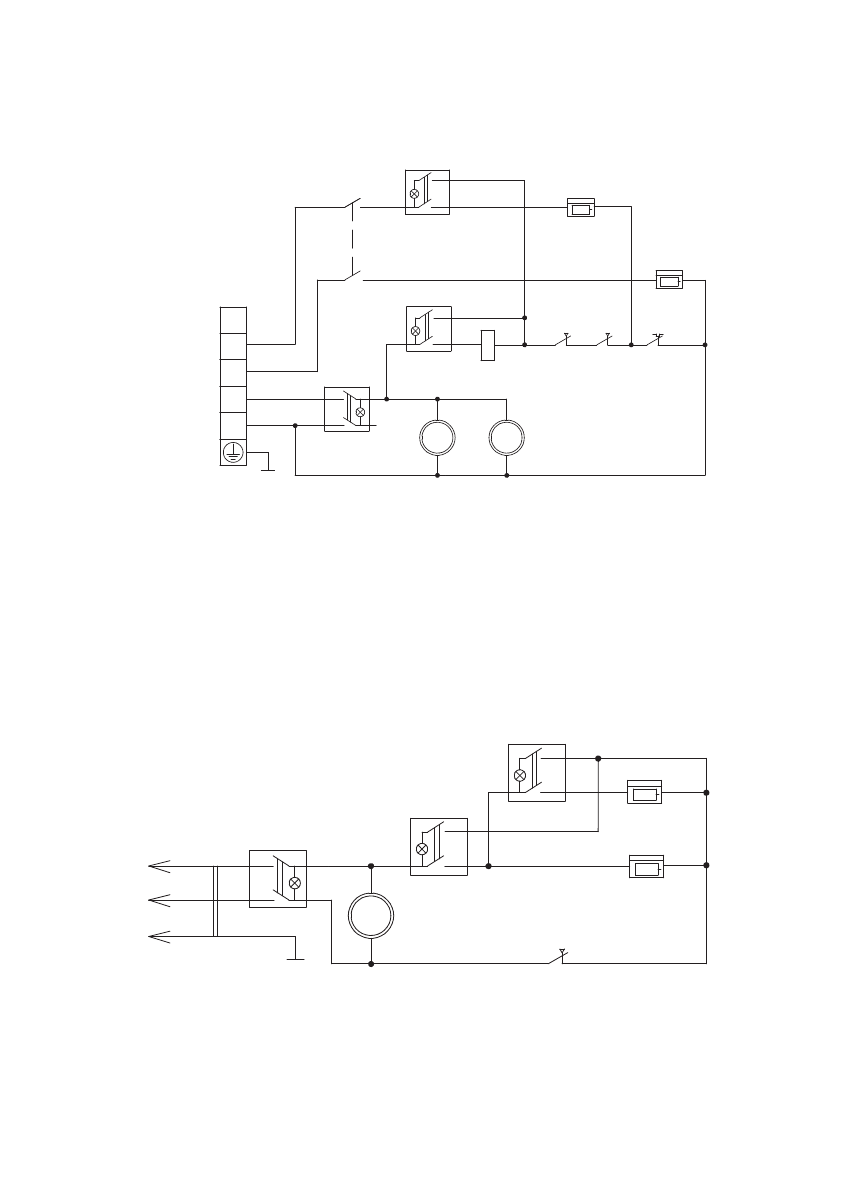
Подключение тепловой завесы BHC-L10T05
EK1,
ЕК
2 -
электронагреватель
;
КМ
1 -
электромагнитное реле
;
М
1,
М
2 -
электродвигатель
;
SK3 -
терморегулятор
;
SK1, SK2 -
защитный термостат
;
ХТ
1 -
колодка клеммная
;
SA1 -
выключатель
;
SA2 -
двухклавишная кнопка
,
включение нагрева
.
ХТ
1
N
L1
~400
В
L2
L
L3
M1
M2
M
~
M
~
KM1.2
SA2.2
EK1.1
EK2.1
SA2.1
К
M1.1
SA1
SK1
SK2
SK3
EK1,
ЕК
2 -
электронагреватель
;
М
1 -
электродвигатель
;
SK1 -
защитный термостат
;
SA1 -
выключатель
;
SA2 -
двухклавишная кнопка
,
включение нагрева
.
~230
В
M1
M
~
SA2.1
SA1
BHC-L10-T05
BHC-L08-T03
SK1
SA2.2
EK2.1
EK1.1
EK1,
ЕК
2 -
электронагреватель
;
КМ
1 -
электромагнитное реле
;
М
1,
М
2 -
электродвигатель
;
SK3 -
терморегулятор
;
SK1, SK2 -
защитный термостат
;
ХТ
1 -
колодка клеммная
;
SA1 -
выключатель
;
SA2 -
двухклавишная кнопка
,
включение нагрева
.
ХТ
1
N
L1
~400
В
L2
L
L3
M1
M2
M
~
M
~
KM1.2
SA2.2
EK1.1
EK2.1
SA2.1
К
M1.1
SA1
SK1
SK2
SK3
EK1,
ЕК
2 -
электронагреватель
;
М
1 -
электродвигатель
;
SK1 -
защитный термостат
;
SA1 -
выключатель
;
SA2 -
двухклавишная кнопка
,
включение нагрева
.
~230
В
M1
M
~
SA2.1
SA1
BHC-L10-T05
BHC-L08-T03
SK1
SA2.2
EK2.1
EK1.1
Подключение тепловой завесы BHC-L08-T03
Содержание
- 2 Содержание; Используемые обозначения; Свидетельство о приемке
- 4 Номинальная потребляемая мощность, кВт; Устройство и принцип работы прибора
- 5 Подготовка к работе; Монтаж тепловой завесы; Подключение к электрической сети; Тепловая завеса
- 6 Подключение тепловой завесы BHC-L10T05
- 7 Управление прибором; – Клавиша включения вентиляторов; Поиск и устранение неисправностей
- 8 Техническое обслуживание; После транспортирования при отрицательных температу-; а – месяц и год производства.
- 9 Сертификация продукции; Товар соответствует требованиям
- 11 ГАРАНТИЙНЫЙ ТАЛОН; По России звонок бесплатный; Внешний вид и комплектность изделия
- 13 сохраняется у клиента; УНИВЕРСАЛЬНЫЙ ОТРЫВНОЙ ТАЛОН; на гарантийное обслуживание













