Обогреватели Ballu BHC-H20W45-PS НС-1116114 - инструкция пользователя по применению, эксплуатации и установке на русском языке. Мы надеемся, она поможет вам решить возникшие у вас вопросы при эксплуатации техники.
Если остались вопросы, задайте их в комментариях после инструкции.
"Загружаем инструкцию", означает, что нужно подождать пока файл загрузится и можно будет его читать онлайн. Некоторые инструкции очень большие и время их появления зависит от вашей скорости интернета.

11
Монтаж завесы
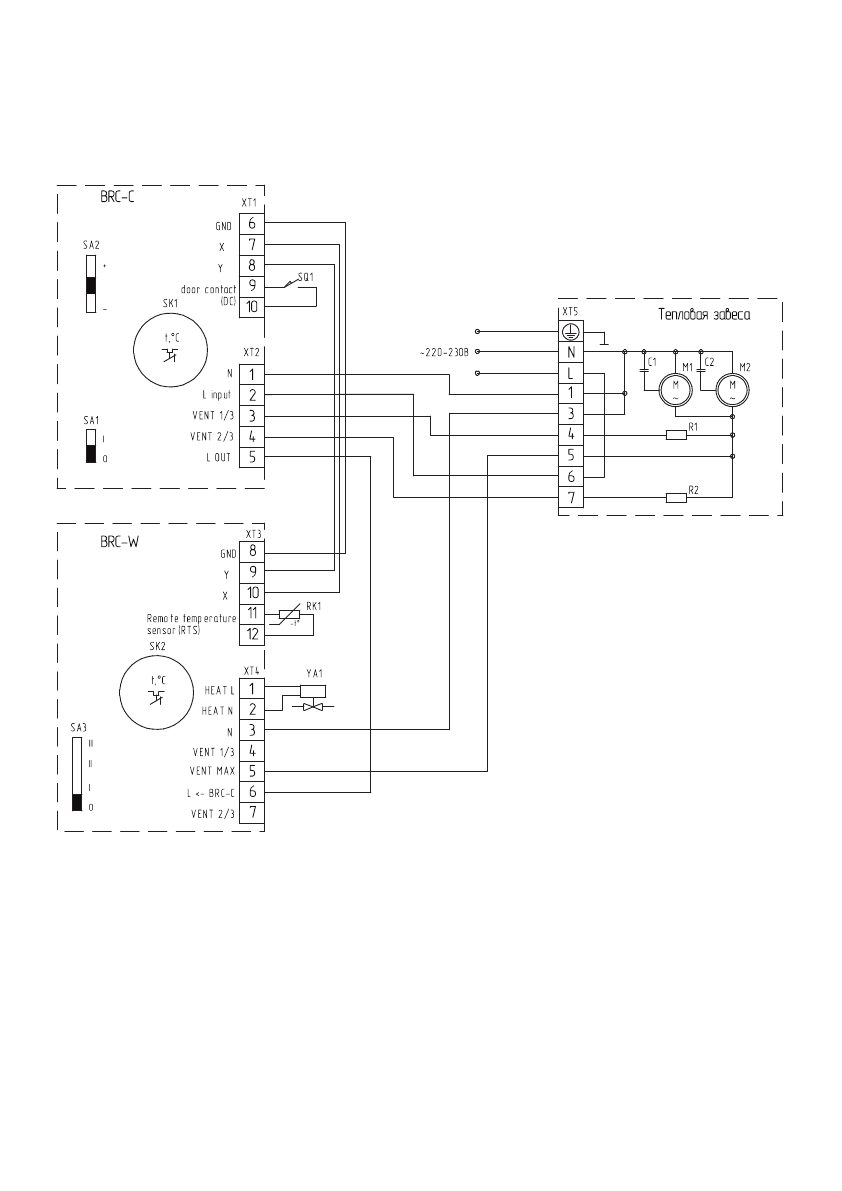
Схема электрическая принципиальная тепловой завесы ВНС-Н20W45-PS с пультами BRC-W +
BRC-C:
Пульт
Пульт
М1, М2 - электродвигатель;
C1, С2 - конденсатор;
R1, R2 - нагрузка;
SK1, SK2 - терморегулятор;
ХТ1-XT5 - колодка клеммная;
SA1 - переключатель включения режима защиты
от проникновения уличного воздуха;
SA2 - регулятор задержки выключения электро-
двигателей;
SA3 - переключатель режимов вентиляции;
RK1 - термодатчик;
SQ1 - концевой выключатель:
YA1 - электромагнитный привод
двух-/трехходового вентиля.
Подключение тепловых завес ВНС-М10W12-PS, ВНС-М15W20-PS, ВНС-М20W30-PS, ВНС-H10W18-PS, ВНС-
Н15W30-PS к пультам BRC-W + BRC-C производится аналогично.
Содержание
- 2 Используемые обозначения; ПРИ МЕ ЧА НИЕ; Свидетельство о приемке; Содержание
- 4 Устройство и принцип работы прибора; Устройство и принцип работы
- 5 Технические характеристики
- 6 • Перед проведением монтажных работ необхо-; Размещение завесы; Вертикальная установка; Монтаж завесы
- 7 Крепежные размеры для кронштейнов; Модель; Монтаж завесы на кронштейны
- 8 Схема крепления завесы; Схема задней пластины завес для; вкрутить наполовину болты в верхние отвер-
- 9 Подключение к электрической сети; Переустановка теплообменника
- 10 Пульт
- 14 Подключение пультов; в соответствии; H E A T L; H EA T L; КМ
- 15 Управление прибором; Управление завесами пультом BRC-W; Для включения завесы в режим ми-
- 16 Управление завесами пультом BRC-W и BRC-C
- 17 • Функция «энергосбережения» пульта BRC-C предус-; Поиск и устранение неисправностей
- 19 Сделано в России
- 20 Приложение; При
- 27 ГАРАНТИЙНЫЙ ТАЛОН; ТИП
- 28 Настоящая гарантия не распространяется на:
- 29 Особые условия эксплуатации кондиционеров; В обязательном порядке при эксплуатации ультразвуко-
- 30 Памятка по уходу за кондиционером:
- 31 сохраняется у клиента; УНИВЕРСАЛЬНЫЙ ОТРЫВНОЙ ТАЛОН; УНИВЕРСАЛЬНЫЙ ОТРЫВНОЙ ТАЛОН













