Обогреватели Ballu BHC-H20T36-PS НС-1111738 - инструкция пользователя по применению, эксплуатации и установке на русском языке. Мы надеемся, она поможет вам решить возникшие у вас вопросы при эксплуатации техники.
Если остались вопросы, задайте их в комментариях после инструкции.
"Загружаем инструкцию", означает, что нужно подождать пока файл загрузится и можно будет его читать онлайн. Некоторые инструкции очень большие и время их появления зависит от вашей скорости интернета.

14
Подготовка к работе
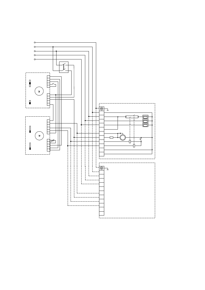
Групповое подключение тепловых завес BHC-M10T09-PS, BHC-M15T09-PS, BHC-M15T12-PS,
BHC-M20T12-PS к пультам BRC-E и BRC-С.
EK1, EK2, EK3 - нагревательный элемент;
КМ1, КМ2 - электромагнитное реле;
М1 - электродвигатель;
С1 - конденсатор;
R1 - резистор;
SK1 - защитный термостат без автовозврата;
SK2, SK3 - терморегулятор;
XТ1-XТn - колодка клеммная;
QF1
~
380-400 B
L1
L2
L3
N
PE
1
2
3
4
5
6
Remote temperature
sensor (RTS)
3
4
BRC-E
L <- BRC-C
VENT MAX
VENT 1/2
HEAT 2
HEAT 1
N
SA3
I
II
0
SK3
SA4
I
II
0
GND
Y
X
RK1
-
BRC-C
Пульт
Пульт
1
2
3
4
5
6
2
N
L input
VENT 1/3
L OUT
VENT 2/3
1
SK2
SA1
I
0
SA2
+
-
GND
X
Y
door contact
(DC)
SQ1
7
8
9
10
11
7
8
9
10
5
XT
XT
XT
XT
XT
XT
L1
L2
L3
N
EK2
EK3
EK1
KM 1.2
KM 2.2
Тепловая завеса
Тепловая завеса
4
3
2
1
5
SK1
M1
~
C1
R1
KM 1.1
KM2.1
6
7
n
L1
L2
L3
N
4
3
2
1
5
6
7
n n
n
n
n
n
n
n
n
t,
о
С
t,
о
С
t,
о
С
SA1 - переключатель включения режима защиты от
проникновения уличного воздуха;
SA2 - регулятор задержки выключения вентиляции;
SA3 - переключатель режимов вентиляции;
SA4 - переключатель режимов нагрева;
RK1 - термодатчик;
SQ1 - дверной контакт;
QF1 - автоматический выключатель.
Тепловые завесы ВНС-М10Т06-PS, ВНС-М20Т18-PS, ВНС-М20Т24-PS подключаются аналогично.
Содержание
- 2 Содержание; Используемые обозначения; Производитель оставляет за собой право без; Свидетельство о приемке
- 5 Подготовка к работе; Монтаж тепловой завесы
- 6 Модель
- 7 Установка тепловой завесы с помощью кронштейнов; Крепежные элементы для кронштейна; Проем; места; Место ввода силового кабеля
- 8 Инструкция по установке завес:; закрепить кронштейны к несущей конструк-; Шайба ø6 оцинкованная; Вид сверху; Схема крепления завесы
- 9 Подключение к электрической сети; Далее приведены электрические схемы завес:; Схема электрическая принципиальная; Групповое подключение тепловых завес ВНС; Принципиальная схема тепловой завесы ВНС; PDF created with pdfFactory Pro trial version
- 15 Схема электрическая принципиальная завес; SK1 - защитный термостат без автовозврата
- 21 Управление прибором; Вентиляция с подогревом потока воздуха.
- 22 ПРИМЕЧАНИЕ; Поиск и устранение неисправностей; Если завеса не включается
- 23 Если снизилась скорость воздушного потока,; Уход и обслуживание; Транспортировка и хранение; Комплектация
- 24 Товар сертифицирован на территории
- 25 ГАРАНТИЙНЫЙ ТАЛОН; ТИП
- 26 Настоящая гарантия не распространяется на:
- 27 Особые условия эксплуатации кондиционеров; В обязательном порядке при эксплуатации ультразвуко-
- 28 Памятка по уходу за кондиционером:
- 29 сохраняется у клиента; Заполняется продавцом; УНИВЕРСАЛЬНЫЙ ОТРЫВНОЙ ТАЛОН; УНИВЕРСАЛЬНЫЙ ОТРЫВНОЙ ТАЛОН













