Обогреватели Ballu BHC-B20T12-PS НС-1248459 - инструкция пользователя по применению, эксплуатации и установке на русском языке. Мы надеемся, она поможет вам решить возникшие у вас вопросы при эксплуатации техники.
Если остались вопросы, задайте их в комментариях после инструкции.
"Загружаем инструкцию", означает, что нужно подождать пока файл загрузится и можно будет его читать онлайн. Некоторые инструкции очень большие и время их появления зависит от вашей скорости интернета.

9
Подключение к электрической сети
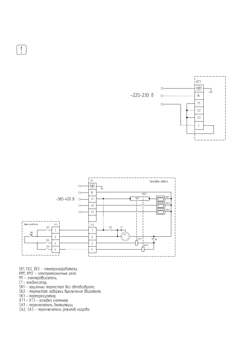
ВНИМАНИЕ!
Тепловая завеса должна подключаться специали-
стами, имеющими соответствующую группу допуска
по электробезопасности.
Подключение к электросети осуществляется че-
рез автоматический выключатель в соответствии
с «Правилами эксплуатации электроустановок». Для
этого необходимо снять крышку на верхней стенке
корпуса, завести шнур питания и подключить его
к клеммной колодке.
Завеса BHC-B10T06-PS изначально предназначена
для подключения к однофазной сети 230 В. Также за-
весу BHC-B10T06-PS можно подключить и к трехфаз-
ной сети 400 В. Для этого необходимо удалить пере-
мычку между клеммами L, L1, L2 и L3.
Ниже указана схема электрическая принципи альная
силовой части завесы BHC-B10T06-PS для подключе-
ния к однофазной сети 230 В, в соот ветствии со схе-
мами для завес, соединенные для трехфазной сети.
Подключение тепловой завесы BHC-B10T06-PS
к сети 230 В
Подготовка к работе
Подключение тепловой завесы BHC-B10T06-PS к пульту NTL
Содержание
- 2 Содержание; Используемые обозначения; Свидетельство о приемке
- 4 Устройство и принцип работы прибора; Устройство и принцип работы
- 5 Подготовка к работе; Монтаж тепловой завесы
- 6 Крепежные элементы для кронштейна; Расположение кронштейнов для горизонтального установки
- 7 Инструкция по установке завес:; закрепить кронштейны к несущей конструкции, согласно размерам
- 9 Подключение тепловой завесы BHC-B10T06-PS к пульту NTL
- 10 Подключение пульта управления; в соответствии с цифровым обозначением
- 12 Уход и обслуживание; Техническое обслуживание
- 14 Дата изготовления; а – месяц и год производства.; Сертификация продукции; Сделано в России
- 15 ГАРАНТИЙНЫЙ ТАЛОН; ТИП
- 16 Настоящая гарантия не распространяется на:
- 17 Особые условия эксплуатации кондиционеров
- 18 Памятка по уходу за кондиционером:
- 19 сохраняется у клиента; УНИВЕРСАЛЬНЫЙ ОТРЫВНОЙ ТАЛОН; УНИВЕРСАЛЬНЫЙ ОТРЫВНОЙ ТАЛОН













