Обогреватели Ballu BHC-6.000 TR - инструкция пользователя по применению, эксплуатации и установке на русском языке. Мы надеемся, она поможет вам решить возникшие у вас вопросы при эксплуатации техники.
Если остались вопросы, задайте их в комментариях после инструкции.
"Загружаем инструкцию", означает, что нужно подождать пока файл загрузится и можно будет его читать онлайн. Некоторые инструкции очень большие и время их появления зависит от вашей скорости интернета.

19
Приложение 2
EK1
EK2
EK3
EK4
EK5
EK6
SK1
C1
5
2
1
3
6
SK2
M1
M
~
R1
XT1
L1
L2
L3
N
PE
KM1.1
KM2.1
KM1.2
KM2.2
SA1
SA2
SA3.1
SK3
SA3.2
~50 Гц, 380 Вт
L1 L2 L3
5
6
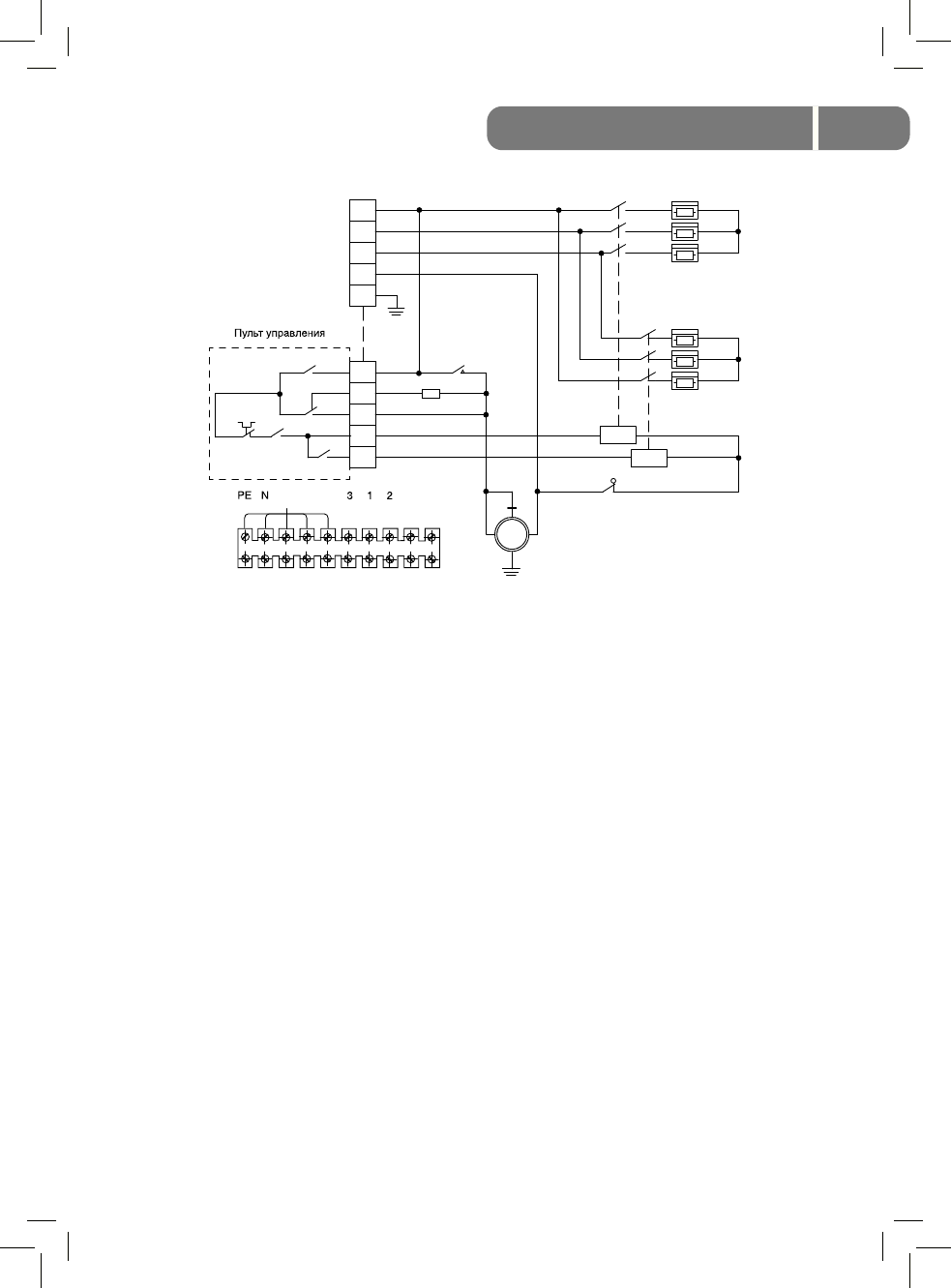
EK1...EK6 – электронагреватели;
SА2, SA3 – выключатели нагревателей;
KM1, КМ2 – магнитные пускатели;
SK1 - защитный термостат без автовозврата;
C1 – конденсатор;
SK2– термостат задержки выключения двигателя;
R1 – нагрузка;
XT1 – колодка клеммная.
SA1 – сетевой выключатель;
Рис. 8.
Схема электрическая BHC-12.500TR, BHC-18.500TR
Manual Ballu BHC all.indd 19
Manual Ballu BHC all.indd 19
17.10.2011 10:57:42
17.10.2011 10:57:42
Содержание
- 2 Гарантийный талон; Тепловая завеса
- 3 Содержание; Используемые обозначения; Требования, не соблюдение которых может
- 4 Правила безопасности
- 5 Устройство и принцип работы; Устройство и принцип; Управление завесой
- 6 Технические характеристики; Параметр
- 7 Подготовка к работе; Монтаж тепловой завесы; Комплектность; Наименование; Завеса
- 8 Подключение пульта управления; Порядок работы; Подключение к электрической сети; Шнур с вилкой
- 11 Уход и обслуживание; Номер; Осторожное обращение
- 12 Если воздушный поток не нагревается; После транспортирования при отрицательных темпе-; Утилизация; Если завеса не включается; Транспортировка и хранение
- 13 Сертификация; ООО “Ижевский завод тепло-; Поиск неисправностей
- 14 Свидетельство о приемке; (личная подпись) (расшифровка подписи)
- 15 Приложение 1; Установочные размеры завес; Модель
- 16 Приложение 2; SK1 – защитный термостат
- 17 КМ1 – электромагнитное реле
- 18 SK4 – терморегулятор; SK1, SK2 – защитные термостаты без автовозврата
- 20 SK1 - защитный термостат без автовозврата
- 21 SK3– термостат задержки выключения двигателя
- 22 ГАРАНТИЙНЫЙ ТАЛОН
- 24 сохраняется у клиента; УНИВЕРСАЛЬНЫЙ ОТРЫВНОЙ ТАЛОН; на гарантийное обслуживание