Обогреватели Ballu BHC-3.000 SB - инструкция пользователя по применению, эксплуатации и установке на русском языке. Мы надеемся, она поможет вам решить возникшие у вас вопросы при эксплуатации техники.
Если остались вопросы, задайте их в комментариях после инструкции.
"Загружаем инструкцию", означает, что нужно подождать пока файл загрузится и можно будет его читать онлайн. Некоторые инструкции очень большие и время их появления зависит от вашей скорости интернета.

10
11
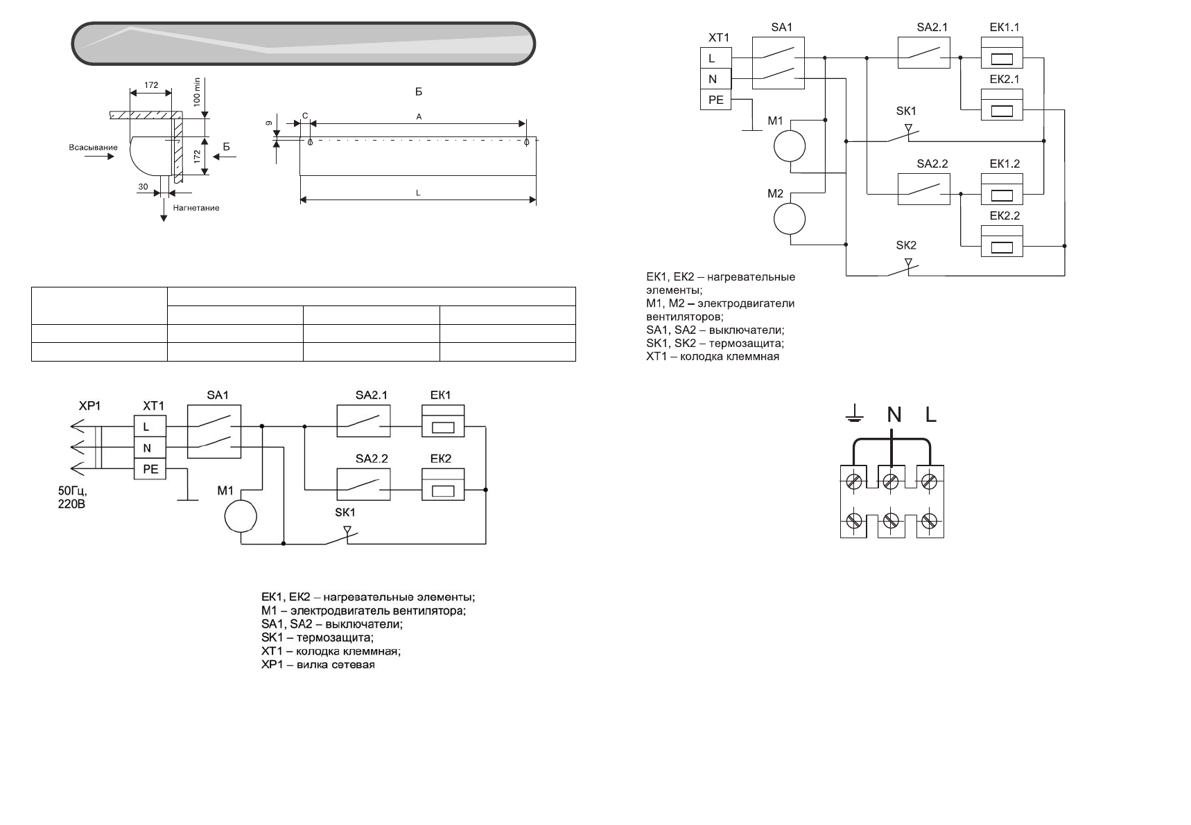
Рис.1. Габаритные и установочные размеры
Таблица 1
Рис. 2. Схема электрическая BHC-3 SB(N)
Рис. 3. Схема электрическая BHC-5 SB(N)
Рис. 4. Схема подключения
13. Приложение
Модель
Размеры, мм
L
A
C
BHC-3 SB(N)
580
500
40
BHC-5 SB(N)
800
740
30
Содержание
- 2 ТЕПЛОВАЯ ЗАВЕСА; РУКОВОДСТВО ПО ЭКСПЛУАТАЦИИ
- 3 СОДЕРЖАНИЕ; ся с настоящим Руководством.; Наименование; Завеса
- 4 Технические данные; Наименование параметра; Подготовка к работе
- 6 Таблица 4; Товар соответствует требованиям нормативных документов:; Правила транспортировки и хранения; Характер неисправности и; Для устранения неисправностей, связанных с заменой комплекту-; Гарантии изготовителя
- 7 Таблица 1; Модель
- 8 ГАРАНТИЙНЫЙ ТАЛОН; По здрав ля ем Вас с при об ре те ни ем тех ни ки от лич но го ка че с т ва!