Ballu-Biemmedue SP 150B LPG - Инструкция по эксплуатации - Страница 9

Обогреватели Ballu-Biemmedue SP 150B LPG - инструкция пользователя по применению, эксплуатации и установке на русском языке. Мы надеемся, она поможет вам решить возникшие у вас вопросы при эксплуатации техники.

Если остались вопросы, задайте их в комментариях после инструкции.

"Загружаем инструкцию", означает, что нужно подождать пока файл загрузится и можно будет его читать онлайн. Некоторые инструкции очень большие и время их появления зависит от вашей скорости интернета.
Страница:
/ 12
Загружаем инструкцию
background image

 

 

 

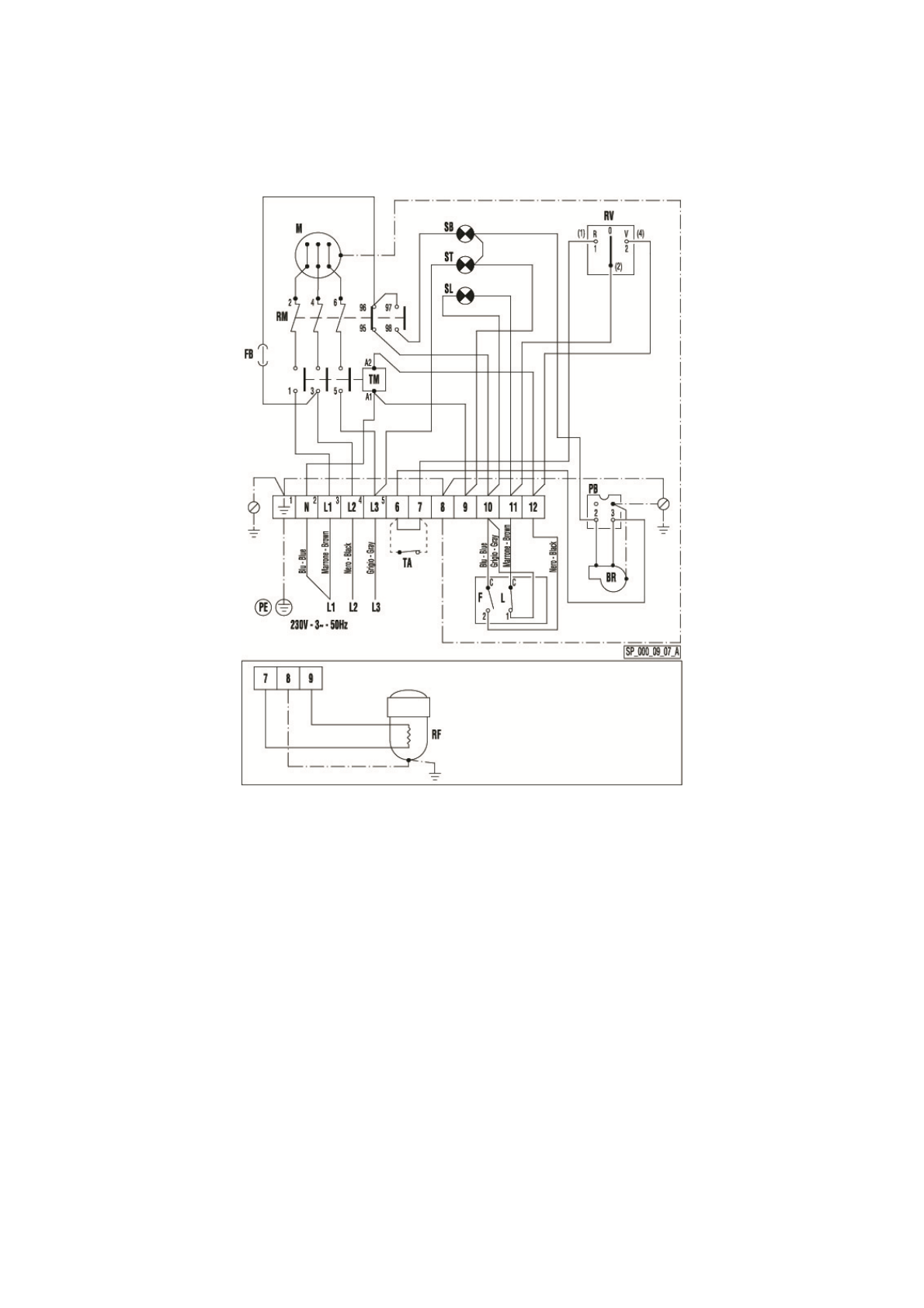
ЭЛЕКТРИЧЕСКАЯ

 

СХЕМА

 

 

 

 
 
 

 

ДВИГАТЕЛЬ

 

ВЕНТИЛЯТОРА

 

 
F  

ТЕРМОВЫКЛЮЧАТЕЛЬ

 

ВЕНТИЛЯТОРА

, F

 

 
FB 

ПРЕДОХРАНИТЕЛЬ

 

ГОРЕЛКИ

 6A 

 

TM 

ДИСТАНЦИОННЫЙ

 

ВЫКЛЮЧАТЕЛЬ

 

ВЕНТИЛЯТОРА

 

 

RM 

ТЕРМОРЕЛЕ

 

ВЕНТИЛЯТОРА

 

 

ST 

ИНДИКАТОР

 

НАПРЯЖЕНИЯ

 

ШКАФА

 

 

SB 

ИНДИКАТОР

 

БЛОКИРОВКИ

 

ВЕНТИЛЯТОРА

 

 

BR 

ГОРЕЛКА

 

 

TA 

РЕЛЕ

 

ТЕМПЕРАТУРЫ

 

В

 

ПОМЕЩЕНИИ

 

 

RF 

ФИЛЬТР

 

НАГРЕТОГО

 

ДИЗЕЛЬНОГО

 

ТОПЛИВА

 

 

PB 

ГНЕЗДО

 

ДЛЯ

 

ГОРЕЛКИ

 

 

L  

ПРЕДОХРАНИТЕЛЬНЫЙ

 

ТЕРМОВЫКЛЮЧАТЕЛЬ

 

С

 

РУЧНОЙ

 

ПЕРЕУСТАНОВКОЙ

, L 

 

RV 

ПЕРЕКЛЮЧАТЕЛЬ

 

НАГРЕВА

-

ОСТАНОВА

-

ВЕНТИЛЯЦИИ

 

 

SL 

ИНДИКАТОР

 

ПРЕДОХРАНИТЕЛЬНЫХ

 

ТЕРМОВЫКЛЮЧАТЕЛЕЙ

, L 

 

 

 

 

Полезные видео

Характеристики

Оцените статью
tehnopanorama.ru
Остались вопросы?

Не нашли свой ответ в руководстве или возникли другие проблемы? Задайте свой вопрос в форме ниже с подробным описанием вашей ситуации, чтобы другие люди и специалисты смогли дать на него ответ. Если вы знаете как решить проблему другого человека, пожалуйста, подскажите ему :)

Задать вопрос

Часто задаваемые вопросы
Как посмотреть инструкцию к Ballu-Biemmedue SP 150B LPG?
Необходимо подождать полной загрузки инструкции в сером окне на данной странице
Руководство на русском языке?
Все наши руководства представлены на русском языке или схематично, поэтому вы без труда сможете разобраться с вашей моделью
Как скопировать текст из PDF?
Чтобы скопировать текст со страницы инструкции воспользуйтесь вкладкой "HTML"