Обогреватели Aurora ТК-240ID 8739 - инструкция пользователя по применению, эксплуатации и установке на русском языке. Мы надеемся, она поможет вам решить возникшие у вас вопросы при эксплуатации техники.
Если остались вопросы, задайте их в комментариях после инструкции.
"Загружаем инструкцию", означает, что нужно подождать пока файл загрузится и можно будет его читать онлайн. Некоторые инструкции очень большие и время их появления зависит от вашей скорости интернета.
Загружаем инструкцию

18
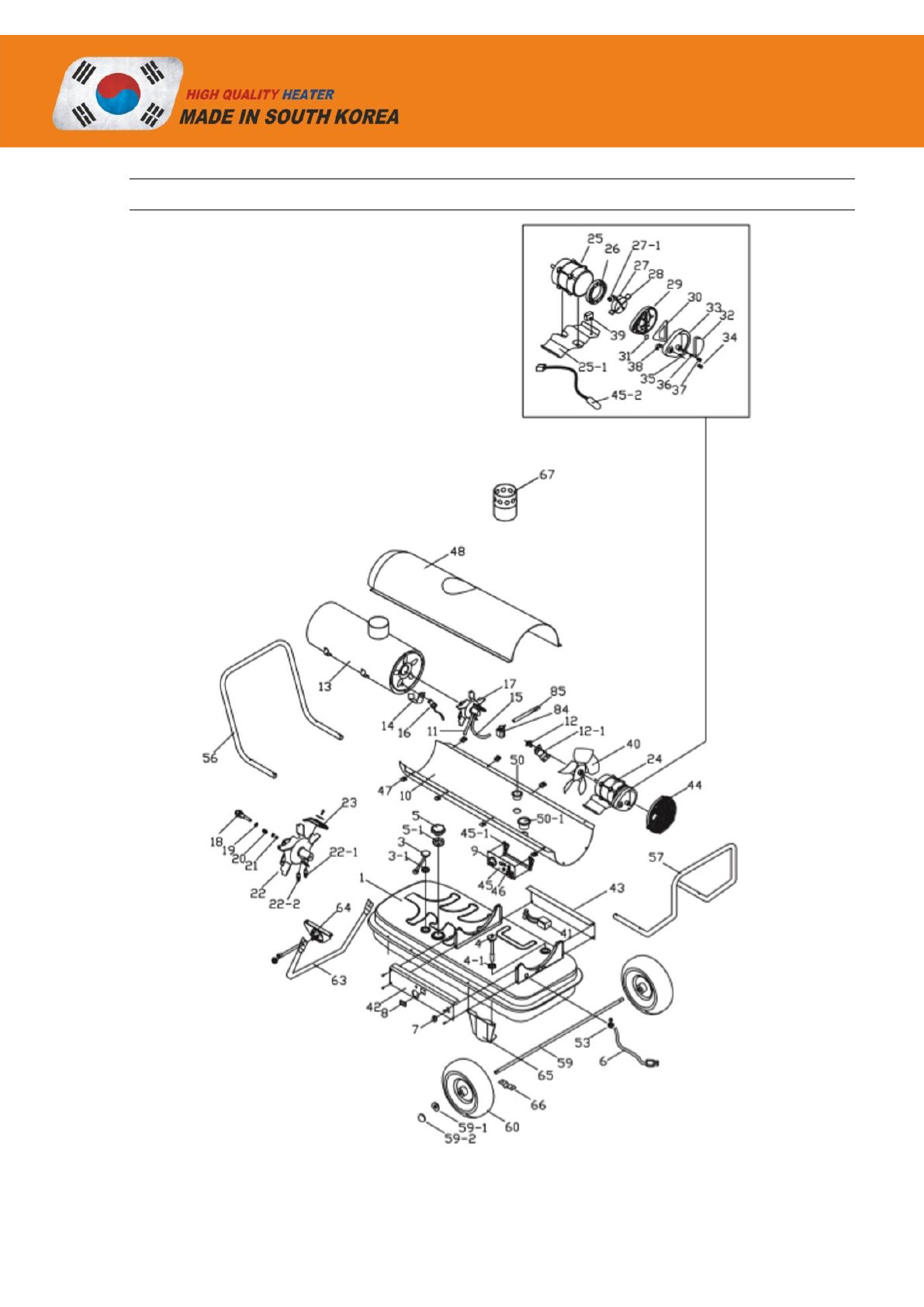
ДЕТАЛИРОВКА
Рис.6 Модель TK-50/55ID
Содержание
- 2 СОДЕРЖАНИЕ
- 3 ВВЕДЕНИЕ; вероятность получения травм и повреждения оборудования.
- 4 КОМПЛЕКТАЦИЯ
- 5 ОБЩИЙ ВИД
- 6 ТЕХНИЧЕСКИЕ ХАРАКТЕРИСТИКИ
- 8 ТЕХНИКА БЕЗОПАСНОСТИ; Опасность воспламенения!
- 10 УСТАНОВКА И ЭКСПЛУАТАЦИЯ; Подготовка к эксплуатации
- 12 Включение
- 13 Выключение
- 14 ТЕХНИЧЕСКОЕ ОБСЛУЖИВАНИЕ; Деталь
- 16 ХРАНЕНИЕ И ТРАНСПОРТИРОВКА; Внимание
- 17 УСТРАНЕНИЕ ВОЗМОЖНЫХ НЕИСПРАВНОСТЕЙ; Индикаторы неисправности:; Hi
- 19 Наименование
- 27 ЭЛЕКТРИЧЕСКАЯ СХЕМА