Обогреватели Ardesto HCP-550RBRM - инструкция пользователя по применению, эксплуатации и установке на русском языке. Мы надеемся, она поможет вам решить возникшие у вас вопросы при эксплуатации техники.
Если остались вопросы, задайте их в комментариях после инструкции.
"Загружаем инструкцию", означает, что нужно подождать пока файл загрузится и можно будет его читать онлайн. Некоторые инструкции очень большие и время их появления зависит от вашей скорости интернета.

55
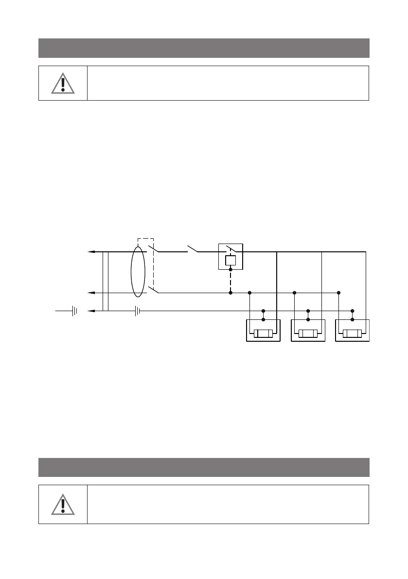
СХЕМА ПІДКЛЮЧЕННЯ
Пам'ятайте! У разі тривалого невикористання приладу слід від-
ключити його і витягнути вилку з розетки
Підключити обігрівач в розетку можна за допомогою кабелю живлення з вилкою.
При використанні обігрівачів як автономного опалення приміщення виробник реко‑
мендує використовувати підключення за допомогою зовнішнього терморегулятора,
який забезпечує автоматичне підтримання необхідної температури та істотну економію
споживання електроенергії. Терморегулятор повинен бути підібраний виходячи з кіль‑
кості певних моделей обігрівачів і конкретних технічних даних, тому для правильного
вибору терморегулятора зверніться до спеціалізованої компанії.
Принципова електрична схема підключення обігрівачів за допомогою
зовнішнього терморегулятора
~220 - 230V
t°C
L
N
УЗО
"Автомат" "Термостат"
Н2
Н2
Н2
* технічні параметри вказаних пристроїв необхідно підбирати, виходячи з загальної
потужності всіх обігрівачів, що входять до даного електричного ланцюга.
УМОВНІ ПОЗНАЧЕННЯ:
УЗО
– пристрій захисного відключення;
«Автомат»
– диференційний автоматичний
вимикач з ном. диференційним струмом відключення 30 мА;
«Термостат»
– зовнішній
терморегулятор;
Н2
‑ обігрівач.
ЧИСТКА І ДОГЛЯД
УВАГА! Вимикайте обігрівач з розетки перед чищенням. Чистка обі-
грівача за допомогою пароструйних або пневматичних очищувачів
з міркувань безпеки не дозволяється.
Характеристики
Остались вопросы?Не нашли свой ответ в руководстве или возникли другие проблемы? Задайте свой вопрос в форме ниже с подробным описанием вашей ситуации, чтобы другие люди и специалисты смогли дать на него ответ. Если вы знаете как решить проблему другого человека, пожалуйста, подскажите ему :)
