Alpine air NGS-20F - Инструкция по эксплуатации - Страница 10

Обогреватели Alpine air NGS-20F - инструкция пользователя по применению, эксплуатации и установке на русском языке. Мы надеемся, она поможет вам решить возникшие у вас вопросы при эксплуатации техники.

Если остались вопросы, задайте их в комментариях после инструкции.

"Загружаем инструкцию", означает, что нужно подождать пока файл загрузится и можно будет его читать онлайн. Некоторые инструкции очень большие и время их появления зависит от вашей скорости интернета.
Страница:
/ 17
Загружаем инструкцию
background image

 

 

 

 

 

 

 

 

 

:

 

 

1.   

 

 

 

 

 

 

 

 

   

 

 

 

 

 4 

 

 

 

 

 

   

.

 

2. 

 

 

   

 

 

 

   

   

 

.

 

3. 

 

 

 

 

 

   

   

 

   

.

 

4. 

 

 

 

 

 

 

 

 

 

   

 

 

 

 

  (

  (

 

 

 

 

 

   

.

 

 

 

 

 

 

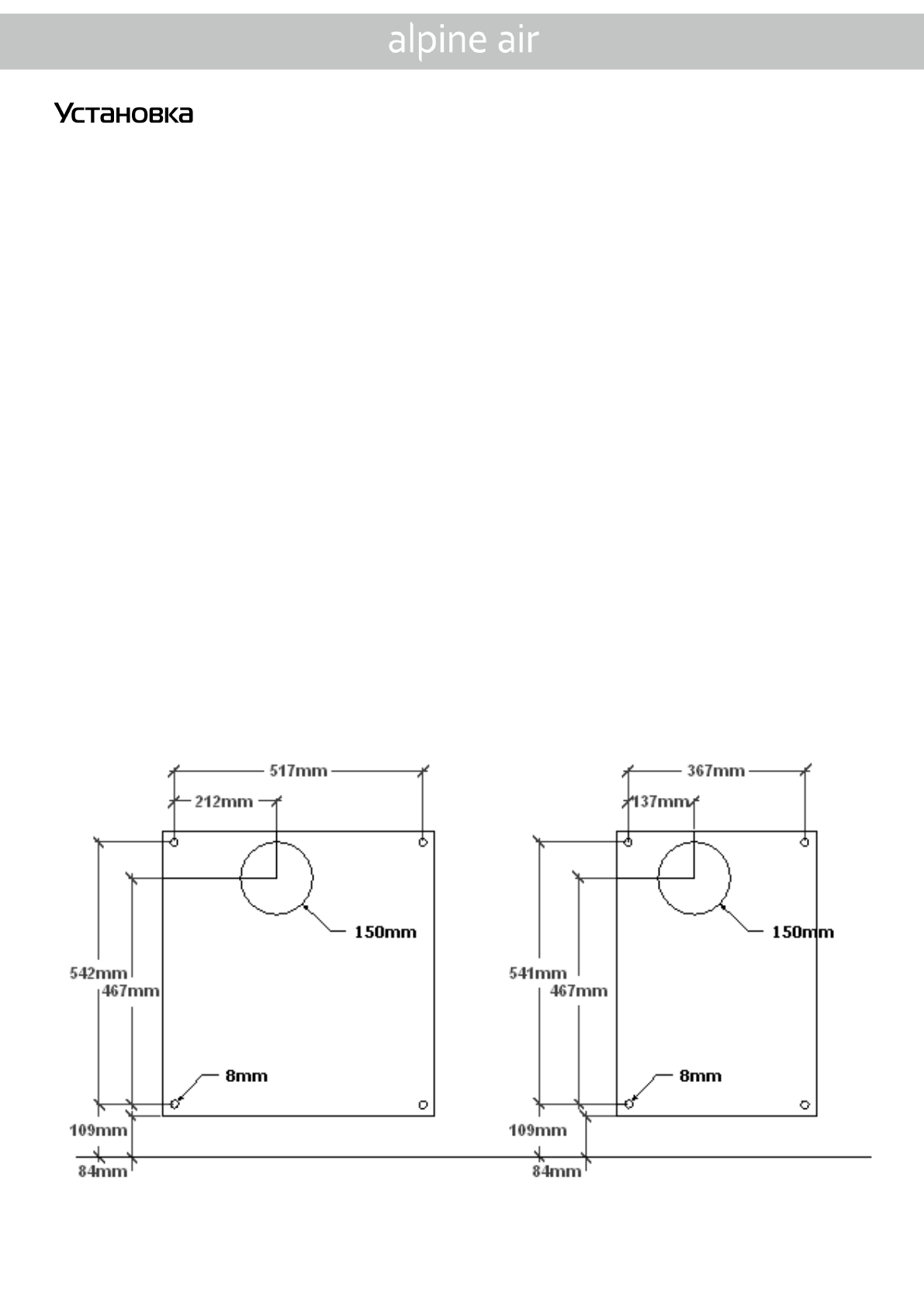
NGS 40 / NGS 50  

 

 

 

      NGS 20 / NGS 30

 

 

Полезные видео

Характеристики

Оцените статью
tehnopanorama.ru
Остались вопросы?

Не нашли свой ответ в руководстве или возникли другие проблемы? Задайте свой вопрос в форме ниже с подробным описанием вашей ситуации, чтобы другие люди и специалисты смогли дать на него ответ. Если вы знаете как решить проблему другого человека, пожалуйста, подскажите ему :)

Задать вопрос

Часто задаваемые вопросы
Как посмотреть инструкцию к Alpine air NGS-20F?
Необходимо подождать полной загрузки инструкции в сером окне на данной странице
Руководство на русском языке?
Все наши руководства представлены на русском языке или схематично, поэтому вы без труда сможете разобраться с вашей моделью
Как скопировать текст из PDF?
Чтобы скопировать текст со страницы инструкции воспользуйтесь вкладкой "HTML"