Обогреватели ALPINE AIR NGS-20F 3752021+3752000 375021 - инструкция пользователя по применению, эксплуатации и установке на русском языке. Мы надеемся, она поможет вам решить возникшие у вас вопросы при эксплуатации техники.
Если остались вопросы, задайте их в комментариях после инструкции.
"Загружаем инструкцию", означает, что нужно подождать пока файл загрузится и можно будет его читать онлайн. Некоторые инструкции очень большие и время их появления зависит от вашей скорости интернета.

9
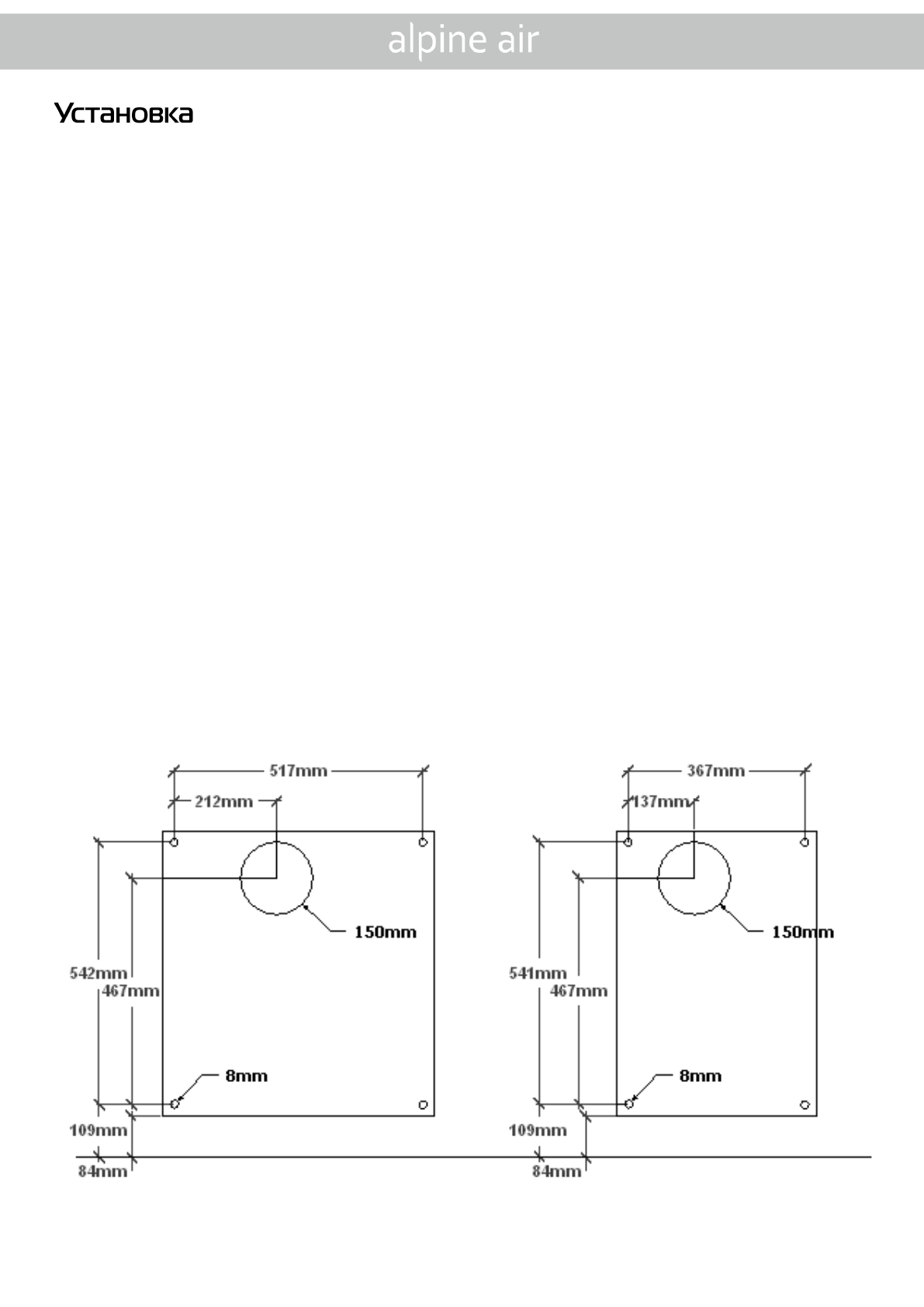
При установке прибора руководствуйтесь нижеприведенными инструкциями:
1. В стене, на которой будет висеть обогреватель, просверлите отверстие для
телескопического газоотвода с учетом толщины негорючей теплоизоляции, затем
просверлите 4 отверстия под дюбели для крепежа обогревателя на стену.
2. Смонтируйте телескопический газоотвод на обогреватель, закрепите трубу забора
воздуха на газоотводе с помощью саморезов.
3. Расположите прибор таким образом, чтобы газоотвод проходил в отверстие в
стене. Закрепите обогреватель на стене.
4. Расположите газоотвод таким образом, чтобы решетка трубы забора воздуха
полностью находилось с внешней стороны стены. Тщательно обработайте
подходящим (высокотемпературным) составом (герметик или монтажная пена) все
оставшиеся щели и отверстия.
NGS 40 / NGS 50
NGS 20 / NGS 30