Ноутбуки Lenovo ThinkPad X260 - инструкция пользователя по применению, эксплуатации и установке на русском языке. Мы надеемся, она поможет вам решить возникшие у вас вопросы при эксплуатации техники.
Если остались вопросы, задайте их в комментариях после инструкции.
"Загружаем инструкцию", означает, что нужно подождать пока файл загрузится и можно будет его читать онлайн. Некоторые инструкции очень большие и время их появления зависит от вашей скорости интернета.
Загружаем инструкцию

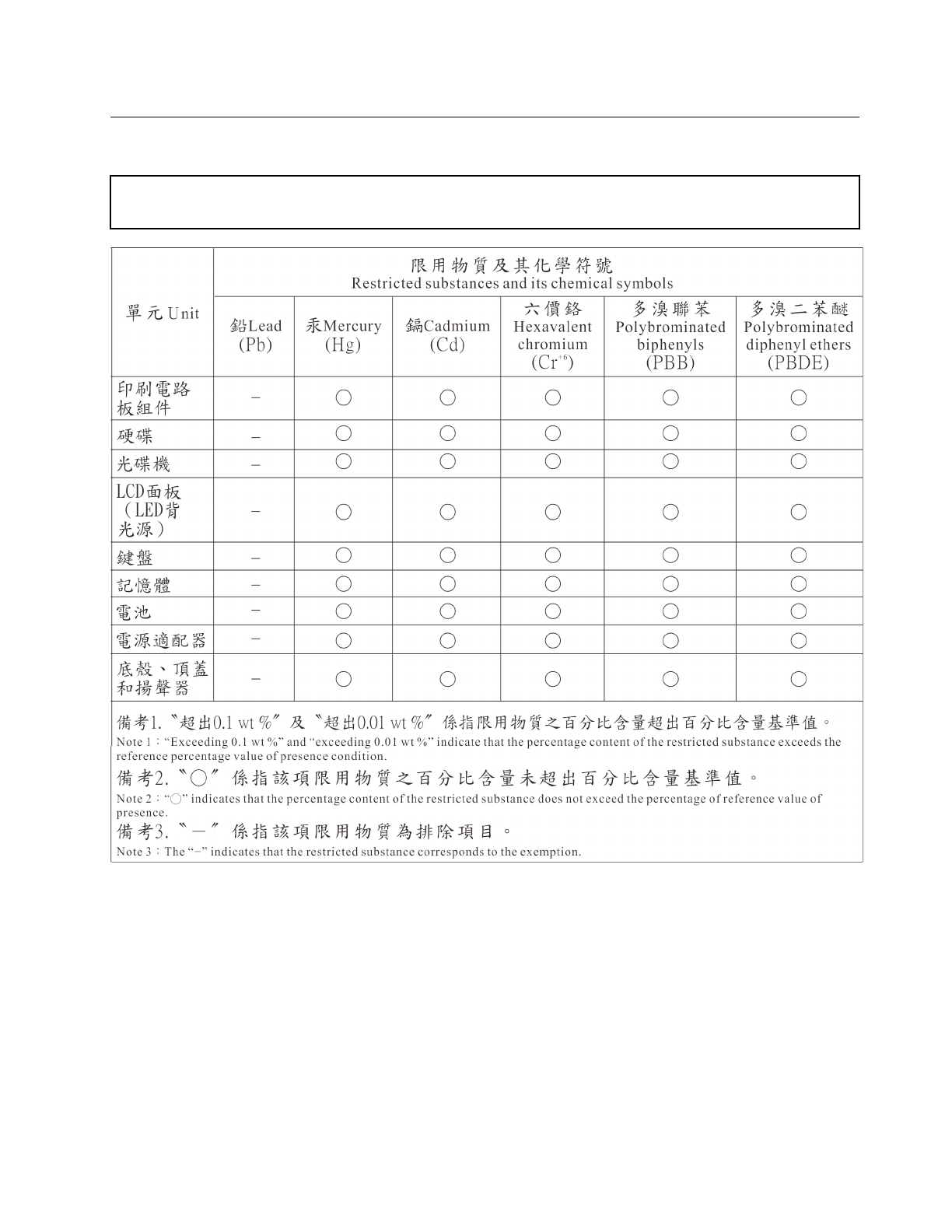
Директива с ограничениями по работе с опасными веществами
(RoHS) для Тайваня (Китай)
設 備 名 稱 : 筆 記 型 電 腦
型號
(
型式
)
:
TP00075A
,
20F5
,
20F6
Equipment name
Type designation (Type)
179
Содержание
- 3 Содержание
- 4 ii
- 5 iii
- 7 Прочтите вначале; Будьте осторожны: при работе компьютер нагревается.; Будьте осторожны: в процессе работы адаптер питания нагревается.; Берегите компьютер от влаги.
- 8 Будьте аккуратны при переноске компьютера.; Обращайтесь с компьютером аккуратно.; Важная информация по технике безопасности
- 9 Состояния, требующие немедленных действий; vii
- 10 ОПАСНО
- 12 Заявление в отношении источника питания; Внешние устройства
- 14 Примечание о плоской круглой батарейке; Эмиссия тепла и вентиляция
- 16 Замечание о жидкокристаллическом дисплее (ЖКД); xiv
- 17 Дополнительная информация по технике безопасности; Замечания по пластиковым пакетам; xv
- 19 Глава 1. Обзор продукта; Вид спереди
- 20 Вид справа
- 23 Вид слева; Разъем питания; Разъем HDMI
- 24 Вид снизу; Отверстие для аварийной перезагрузки; Индикаторы состояния
- 26 Индикатор Fn Lock; Расположение наклеек с важной информацией о продукте
- 31 Все программы; Обзор программ Lenovo
- 35 Глава 2. Работа на компьютере; Регистрация компьютера
- 39 Клавиша Windows; Манипулятор ThinkPad
- 40 Манипулятор TrackPoint; Указатель
- 41 Сенсорная панель; Жесты для сенсорной панели
- 42 Замена колпачка манипулятора
- 43 Настройка манипулятора ThinkPad; Оборудование и звук; Управление питанием; Подключение адаптера питания
- 44 Советы по подключению адаптера питания; Проверка состояния аккумулятора
- 45 Режимы энергосбережения
- 46 Эксплуатация аккумулятора
- 48 Использование подключения к беспроводной локальной сети; Проверка состояния соединения с беспроводной локальной сетью
- 49 Использование подключения к беспроводной глобальной сети; Проверка состояния соединения с беспроводной глобальной сетью
- 50 Использование соединения Bluetooth
- 53 Использование камеры; Камера
- 57 Глава 3. Расширение возможностей компьютера; Подбор дополнительных аксессуаров ThinkPad; Расположение элементов управления и разъемов
- 63 Подсоединение док-станции ThinkPad
- 64 Отсоединение док-станции ThinkPad
- 65 ThinkPad Pro Dock
- 66 Функции безопасности; ThinkPad WiGig Dock; Расположение элементов управления, разъемов и индикаторов
- 68 Настройка док-станции ThinkPad WiGig Dock
- 69 Использование док-станции ThinkPad WiGig Dock
- 73 Глава 4. Вы и ваш компьютер; Специальные возможности и удобство работы; Общая посадка
- 74 Рекомендации путешественникам; Создание комфортных условий; Информация о специальных возможностях
- 75 Сочетания клавиш; Центр специальных возможностей
- 78 Дорожные аксессуары
- 79 Глава 5. Безопасность; Использование паролей; Установка, смена или удаление пароля на включение
- 80 Пароль администратора
- 82 Пароли на доступ к жесткому диску
- 84 Защита жесткого диска
- 85 Установка микросхемы защиты
- 86 Использование устройства распознавания отпечатков пальцев
- 88 Настройка устройства распознавания отпечатков пальцев
- 90 Использование брандмауэров
- 93 Глава 6. Расширенные настройки; Установка новой операционной системы
- 94 Установка операционной системы Windows 10; Startup
- 95 Установка драйверов устройств
- 96 Меню Main; Main
- 97 Меню Config; Config; жирным шрифтом
- 102 System Date; System Time
- 103 Меню Security; Security
- 109 Меню Startup
- 110 Boot
- 112 Использование средств управления системой; Desktop Management Interface; Wake on LAN; Network Boot
- 113 Настройка средств управления компьютером
- 115 Глава 7. Предотвращение неполадок; Общие советы по предотвращению проблем; Компьютер
- 116 Обновление драйверов устройств; Загрузка последних версий драйверов с веб-сайта; Обновление драйверов с использованием программы System Update
- 117 Уход за компьютером; Обращайтесь с компьютером осторожно и бережно
- 118 Правильно носите ваш компьютер; Будьте внимательны, задавая пароли
- 119 Чистка крышки компьютера; Чистка клавиатуры; Чистка дисплея
- 121 Глава 8. Устранение неполадок компьютера; Диагностика неполадок
- 122 Попадание жидкости на клавиатуру; Если вы пролили жидкость на компьютер:; Сообщения об ошибках; Сообщение
- 124 Звуковые сигналы, сообщающие об ошибках
- 125 Неполадки модулей памяти; Проблемы, связанные с Ethernet
- 126 Проблемы беспроводной локальной сети
- 127 Неполадки клавиатуры и других манипуляторов; Неполадки манипулятора TrackPoint
- 128 Неполадки с клавиатурой; Неполадки дисплея и мультимедийных устройств; Неполадки с экраном компьютера
- 131 Проблемы с внешним дисплеем
- 133 Проблемы с воспроизведением звука
- 136 Проблемы с электропитанием; Неполадки кнопки включения питания; Неполадки при загрузке; Проблемы режима сна и гибернации; Проблема; Решение
- 137 Неполадки жестких дисков и других устройств для хранения данных
- 138 Неполадки программ
- 139 Неполадки с USB
- 141 Создание носителей восстановления
- 142 Резервное копирование и восстановление
- 143 Рабочее пространство Rescue and Recovery
- 144 Создание и использование резервного носителя; Создание резервного носителя
- 146 Решение проблем, связанных с восстановлением
- 148 Создание и использование USB-накопителя восстановления; Создание USB-накопителя восстановления; Создание диска; Использование USB-накопителя восстановления
- 149 Диагностика
- 151 Глава 10. Замена устройств; Отключение встроенного аккумулятора
- 152 Установка или замена карты micro SIM
- 154 Замена съемного аккумулятора
- 156 Замена узла крышки корпуса
- 158 Замена внутреннего устройства хранения данных
- 168 Замена модуля памяти
- 170 Замена карты беспроводной глобальной сети M.2
- 175 Глава 11. Оказание технической поддержки; Перед тем как связаться с Lenovo
- 177 Как обратиться в центр поддержки клиентов Lenovo; Телефоны; Приобретение дополнительных услуг
- 179 Информация о поддержке
- 183 Приложение B. Нормативные сведения; Расположение антенн беспроводной связи UltraConnectTM
- 184 Информация о беспроводной связи; Взаимодействие беспроводных сетей
- 185 Условия работы и ваше здоровье; Информация о соответствии нормативам радиосвязи; Информация о соответствии нормативам радиосвязи Бразилии
- 186 Информация, относящаяся к сертификации; Замечание по экспортной классификации
- 187 Модели без радиоустройства.; Модели с радиоустройством.; Deutschsprachiger EU Hinweis:
- 191 Важная информация о WEEE
- 193 Информация по утилизации для Бразилии; Declarações de Reciclagem no Brasil; Информация об утилизации аккумуляторов для Тайваня (Китай); Примечание
- 194 Утилизация аккумуляторов из продуктов Lenovo; Информация об утилизации аккумуляторов для США и Канады
- 199 Приложение E. Информация о моделях ENERGY STAR; Сетевые адаптеры
- 201 Приложение F. Замечания
- 202 Товарные знаки












