Ноутбуки Lenovo ThinkPad T460s - инструкция пользователя по применению, эксплуатации и установке на русском языке. Мы надеемся, она поможет вам решить возникшие у вас вопросы при эксплуатации техники.
Если остались вопросы, задайте их в комментариях после инструкции.
"Загружаем инструкцию", означает, что нужно подождать пока файл загрузится и можно будет его читать онлайн. Некоторые инструкции очень большие и время их появления зависит от вашей скорости интернета.
Загружаем инструкцию

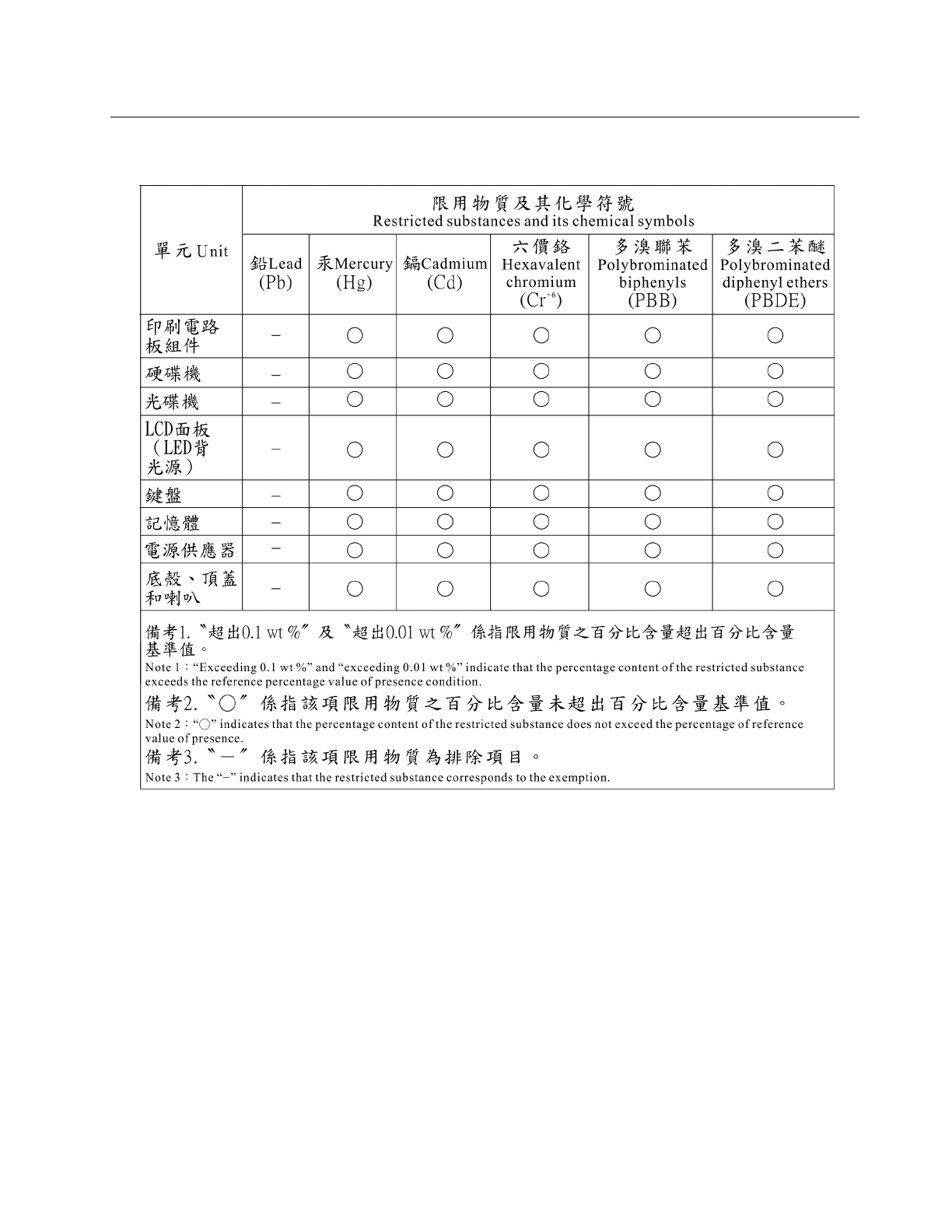
Директива с ограничениями по работе с опасными веществами
(RoHS) для Тайваня (Китай)
173
Содержание
- 3 Содержание
- 4 ii
- 5 iii
- 7 Прочтите вначале; Будьте осторожны: при работе компьютер нагревается.; Будьте осторожны: в процессе работы адаптер питания нагревается.; Берегите компьютер от влаги.
- 8 Будьте аккуратны при переноске компьютера.; Обращайтесь с компьютером аккуратно.; Важная информация по технике безопасности
- 9 Состояния, требующие немедленных действий; vii
- 10 Техника безопасности; Обслуживание и модернизация; ОПАСНО
- 12 Заявление в отношении источника питания; Внешние устройства
- 14 Примечание о плоской круглой батарейке; Тепловыделение и вентиляция
- 16 Замечание о жидкокристаллическом дисплее (ЖКД); Замечания по пластиковым пакетам
- 17 xv
- 19 Глава 1. Обзор продукта; Вид спереди; Камера
- 20 Вид справа
- 22 Лоток для карты micro SIM (в некоторых моделях)
- 23 Вид слева; Разъем питания; Решетка вентилятора; Аудиоразъем
- 24 Вид снизу; Стопор клавиатуры; Динамики; Отверстие для аварийной перезагрузки
- 25 Индикаторы состояния; Индикатор Fn Lock
- 26 Расположение наклеек с важной информацией о продукте
- 27 Информация об идентификаторе FCC ID и номере IC Certification
- 28 Наклейки для операционных систем Windows; Сертификат подлинности Windows 7.; Наклейка подлинного ПО Microsoft Windows 10.
- 29 Характеристики
- 30 Спецификации; Размеры; Условия эксплуатации
- 31 Все программы; Обзор программ Lenovo
- 35 Глава 2. Работа на компьютере; Регистрация компьютера; Можно ли найти руководство пользователя на другом языке?
- 37 Получение справки по операционной системе Windows; Для Windows 7; Справка и поддержка; Начало работы; Использование мультисенсорного экрана
- 40 Специальные клавиши
- 42 Манипулятор ThinkPad; Манипулятор TrackPoint
- 43 Сенсорная панель
- 44 Жесты для сенсорной панели
- 45 Настройка манипулятора ThinkPad; Оборудование и звук; Замена колпачка манипулятора
- 46 Подключение к источнику переменного тока
- 47 Использование питания от аккумулятора; Проверка состояния аккумулятора
- 49 Подключение к сети
- 50 Использование подключения к беспроводной локальной сети
- 51 Использование подключения к беспроводной глобальной сети
- 52 Использование соединения Bluetooth
- 55 Использование камеры
- 59 Глава 3. Расширение возможностей компьютера; Подбор дополнительных аксессуаров ThinkPad; Расположение элементов управления и разъемов
- 65 Присоединение док-станции ThinkPad
- 66 Отсоединение док-станции ThinkPad
- 68 Функции безопасности; ThinkPad WiGig Dock; Расположение элементов управления, разъемов и индикаторов
- 70 Настройка док-станции ThinkPad WiGig Dock
- 71 Использование док-станции ThinkPad WiGig Dock
- 75 Глава 4. Вы и ваш компьютер; Специальные возможности и удобство работы; Общая посадка
- 76 Рекомендации путешественникам; Создание комфортных условий; Информация о специальных возможностях
- 77 Сочетания клавиш; Центр специальных возможностей
- 80 Дорожные аксессуары
- 81 Глава 5. Безопасность; Использование паролей; Установка, смена или удаление пароля на включение
- 82 Пароль администратора
- 84 Пароли на доступ к жесткому диску
- 86 Защита жесткого диска
- 87 Установка микросхемы защиты
- 88 Использование устройства распознавания отпечатков пальцев
- 89 Настройка устройства распознавания отпечатков пальцев
- 90 Замечания относительно удаления данных с устройств хранения
- 91 Использование брандмауэров
- 93 Глава 6. Расширенные настройки; Установка новой операционной системы
- 94 Установка операционной системы Windows 10
- 95 Установка драйверов устройств
- 97 Меню Config
- 103 System Date; System Time; Меню Security; Security; жирным шрифтом
- 109 Меню Startup; Startup
- 110 Boot
- 112 Использование средств управления системой; Desktop Management Interface; Wake on LAN; Network Boot
- 113 Настройка средств управления компьютером
- 115 Глава 7. Предотвращение проблем; Общие советы по предотвращению проблем; Пуск
- 116 Поддержание драйверов устройств в актуальном состоянии; Загрузка последних версий драйверов с веб-сайта; Обновление драйверов с использованием программы System Update
- 117 Уход за компьютером; Обращайтесь с компьютером осторожно и бережно
- 118 Правильно носите ваш компьютер; Будьте внимательны, задавая пароли
- 119 Чистка кожуха компьютера; Чистка клавиатуры; Чистка дисплея
- 121 Глава 8. Устранение неполадок компьютера; Диагностика неполадок
- 122 Попадание жидкости на клавиатуру; Если вы пролили жидкость на компьютер:; Сообщения об ошибках; Сообщение
- 124 Ошибки, при которых сообщения не выводятся
- 125 Проблема; Решение; Звуковые сигналы, сообщающие об ошибках
- 126 Проблемы, связанные с Ethernet
- 128 Неполадки с Bluetooth; Проблемы с клавиатурой и другими манипуляторами; Проблемы с манипулятором TrackPoint
- 129 Проблемы с дисплеем и мультимедийными устройствами; Неполадки с экраном компьютера
- 132 Проблемы с внешним дисплеем
- 135 Проблемы с воспроизведением звука
- 136 Неполадки устройства распознавания отпечатков пальцев; Проблемы с аккумулятором
- 137 Проблема с адаптером питания от сети переменного тока; Проблемы с электропитанием
- 140 Проблемы с портами и разъемами; Проблема с USB
- 141 Создание носителей восстановления
- 142 Резервное копирование и восстановление
- 143 Использование рабочего пространства Rescue and Recovery
- 144 Создание и использование резервного носителя
- 146 Решение проблем, связанных с восстановлением
- 148 Создание и использование USB-накопителя восстановления
- 149 Глава 10. Замена устройств; Меры защиты от разрядов статического электричества
- 150 Отключение встроенных аккумуляторов; Установка или замена карты micro SIM
- 151 Замена нижней крышки
- 155 Замена блока вспомогательной платы USB
- 157 Замена твердотельного диска M.2
- 159 Замена модуля памяти
- 161 Замена карты беспроводной глобальной сети WAN
- 163 Замена клавиатуры
- 171 Глава 11. Получение технической поддержки; Перед тем как связаться с Lenovo
- 173 Как обратиться в центр поддержки клиентов Lenovo; Телефоны; Приобретение дополнительных услуг
- 177 Приложение B. Нормативные сведения; Расположение антенн беспроводной связи UltraConnect; Для моделей без функции WiGig
- 178 Информация о беспроводной связи; Взаимодействие беспроводных сетей
- 179 Условия работы и ваше здоровье; Информация о соответствии нормативам радиосвязи; Информация о соответствии нормативам радиосвязи Бразилии
- 180 Информация о соответствии нормативам радиосвязи Мексики; Информация, относящаяся к сертификации; Замечание по экспортной классификации
- 181 Соответствие требованиям Европейского Союза; Модели без радиоустройства.; Модели с радиоустройством.
- 182 Deutschsprachiger EU Hinweis:
- 185 Важная информация о WEEE
- 187 Информация по утилизации для Бразилии; Declarações de Reciclagem no Brasil; Информация об утилизации аккумуляторов для Тайваня (Китай); Примечание
- 188 Утилизация аккумуляторов из продуктов Lenovo; Информация об утилизации аккумуляторов для США и Канады
- 193 Приложение E. Информация о моделях ENERGY STAR; Сетевые адаптеры
- 195 Приложение F. Замечания
- 196 Товарные знаки












