Навигаторы Pioneer AVIC-F130_AVIC-F250 - инструкция пользователя по применению, эксплуатации и установке на русском языке. Мы надеемся, она поможет вам решить возникшие у вас вопросы при эксплуатации техники.
Если остались вопросы, задайте их в комментариях после инструкции.
"Загружаем инструкцию", означает, что нужно подождать пока файл загрузится и можно будет его читать онлайн. Некоторые инструкции очень большие и время их появления зависит от вашей скорости интернета.

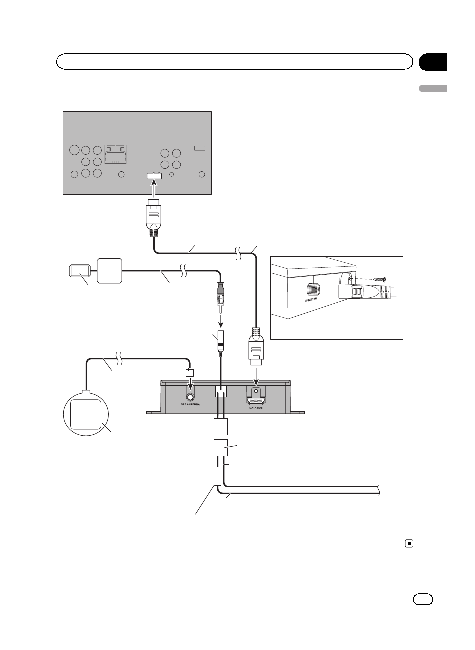
Подключение системы
ПРЕ
ДО
ХРАНИТЕ
ЛЬ
Закрепите кабель RGB с помощью
винта длиной 11 мм (.4 дюйм)
Навигационный блок
Если это применимо, прикрепите кабель
к AV-ресиверу с помощью винта длиной
11 мм (.4 дюйм) (входит в комплект).
Вставьте один конец кабеля RGB в слот “DATA
BUS” на боковой стороне данного изделия и
закрепите его с помощью винта длиной 11 мм
(.4 дюйм) (входит в комплект). Подключите
другой конец кабеля к входу RGB IN на задней
стороне AV-ресивера Pioneer.
Антенна TMC
(входит в комплект)
Подключите GPS-антенну
к гнезду “GPS ANTENNA”
на боковой стороне
данного изделия.
GPS-антенна
(входит в комплект)
Разъем антенны
TMC
AV-ресивер
Кабель RGB
(входит в комплект)
Желтый (B+)
К клемме, на которую всегда подается питание
независимо от положения выключателя
зажигания.
Черный (GND)
К кузову (металлическому) автомобиля.
Шнур питания (входит в комплект)
Предохранитель
(3 А, 250 В)
Закрепите двустороннюю ленту
(входит в комплект) как можно
ближе к горизонтальному
положению в месте, где GPS-
антенна обращена к окну.
Установите GPS-антенну на
двусторонней ленте.
2,65 м
3 м
2 м
Ru
77
Глава
13
Установка
Установка
Содержание
- 3 Благодарим; за покупку данного изделия; Внимательно прочитайте инструкции; После ознакомления с ин; Содержание
- 6 Для; Меры предосторожности
- 7 Лицензионное соглашение; PIONEER; Предисловие
- 12 Све; Меню до
- 13 ВНИМАНИЕ
- 14 Учет стоимости топлива; Pioneer
- 15 Индикация ограничения скорости; ПРЕДУПРЕЖДЕНИЕ
- 17 Перезапуск микро; Установка карты памяти
- 18 Перезапуск микропроцессора; Нажмите кнопку сброса на данном
- 19 При запуске в первый раз; Done; Перед; Перед тем
- 20 Обычный запуск
- 21 Обзор переключения экранов; Как; Как использовать экраны меню навигации
- 22 Персо
- 23 GPS
- 24 Как читать экран карты; Часто отоб; Как пользоваться картой
- 25 POI; Быстрое
- 27 Просмотр поля данных; Установка
- 28 Выберите; Настройка ви; Управление экраном карты; Изменение масштаба карты; Отобразите экран карты
- 30 Изменение угла просмотра карты; Переключение карты с; Прокрутка карты до положения
- 32 Поиск и выбор местоположения
- 33 Поиск
- 34 Поиск полезных объектов
- 40 Поиск на карте; Сохранение
- 41 Выбор местоположения; Интеллектуальная история
- 43 Выбор место
- 44 После определения местоположения
- 45 Мой маршрут; После
- 47 Проверка; Проверка и изменение текущего маршрута
- 50 Настройка расчета маршрута
- 51 Коснитесь
- 54 Изменение маршрута
- 56 Проверка ииз
- 58 Вы можете переключить навигацию во вне
- 59 Избранное; Настройка; Регистрация; Регистрация и редактирование местоположений
- 61 Использование информации о дорожном движении
- 62 Проверка дорожно
- 63 Выполнение; Выполнение персональных настроек
- 66 При наличии соответствующих данных
- 72 Другие операции
- 73 Другие
- 74 Важные меры безопасности
- 75 Перед установкой системы
- 77 Подключение системы; Навигационный блок
- 78 липучки
- 79 Если; Приложение; Приложение
- 80 Условия
- 82 Характеристики поиска маршрута
- 84 Отображение информации
- 85 Глоссарий
- 86 Технические характеристики; Общие












