Настольные часы Citizen BU0010-91ZE - инструкция пользователя по применению, эксплуатации и установке на русском языке. Мы надеемся, она поможет вам решить возникшие у вас вопросы при эксплуатации техники.
Если остались вопросы, задайте их в комментариях после инструкции.
"Загружаем инструкцию", означает, что нужно подождать пока файл загрузится и можно будет его читать онлайн. Некоторые инструкции очень большие и время их появления зависит от вашей скорости интернета.

4.
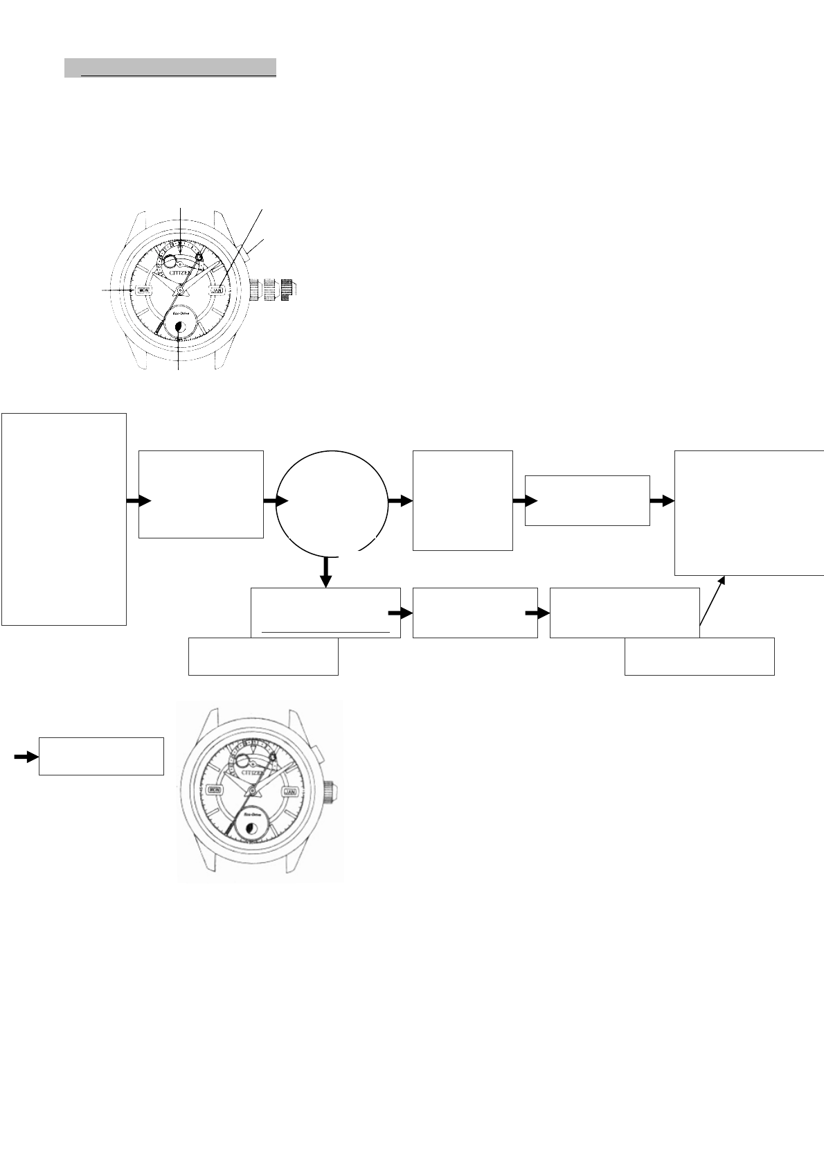
Установка
Времени
и
Даты
При
одновременной
установке
Времени
и
Даты
,
удобно
пользоваться
установками
в
режиме
«
день
недели
», «
лунная
фаза
», «
месяц
и
день
месяца
»,
а
затем
«
время
дня
».
Месяц
День
месяца
Кнопка
регулировка
месяца
День
недели
(
только
на
Английском
)
Положение
1
Регулировка
дня
месяца
и
Головка
Положение
2
Регулировка
времени
и
дня
Лунная
фаза
Регулировка
Лунной
фазы
•
Головка
в
положении
1
•
Поверните
головку
вправо
Подтвердите
день
месяца
для
установки
Установка
времени
•
Головка
в
положении
2
•
Передвиньте
вперед
минутную
стрелку
и
часовую
стрелку
путем
поворота
головки
вправо
.
Поверните
головку
влево
для
передвижения
стрелок
назад
.
Когда
день
месяца
устанавливается
с
31
по
2
число
Регулировка
дня
месяца
•
Головка
в
положении
1
•
Повертите
головку
влево
Регулировка
месяца
•
Месяц
изменяется
с
каждым
нажатием
Регулировка
дня
месяца
•
Головка
в
положении
1
•
Повертите
головку
влево
Установите
текущий
день
нмесяца
временная
установка
дня
месяца
в
положение
«30»
Установка
месяца
Нажмите
кнопку
регулировки
месяца
Регулировка
дня
месяца
•
Головка
в
положении
1
•
Поверните
головку
налево
(
Регулировка
дня
Регулировка
дня
недели
:
•
Головка
в
положении
2
•
Поверните
головку
вправо
(
день
недели
начнем
изменяться
в
положении
12:00
часов
.
Для
изменения
следующего
дня
недели
,
дважды
проверните
часовую
стрелку
).
(
Когда
день
месяца
установлен
с
3
по
30
число
)
Верните
головку
в
обычное
положение
.