Насосы Вихрь СН-50(Н) - инструкция пользователя по применению, эксплуатации и установке на русском языке. Мы надеемся, она поможет вам решить возникшие у вас вопросы при эксплуатации техники.
Если остались вопросы, задайте их в комментариях после инструкции.
"Загружаем инструкцию", означает, что нужно подождать пока файл загрузится и можно будет его читать онлайн. Некоторые инструкции очень большие и время их появления зависит от вашей скорости интернета.

7
ВНИМАНИЕ!
Конденсаторную коробку (в зависимости от модели
насоса).
и розетку необходимо разместить под навесом или в
помещении, защитив их от возможного воздействия брызг воды и
атмосферных осадков.
Для исключения возможности
засорения
насосной
части,
рекомендуется
установить
обратный клапан на выходе
насоса.
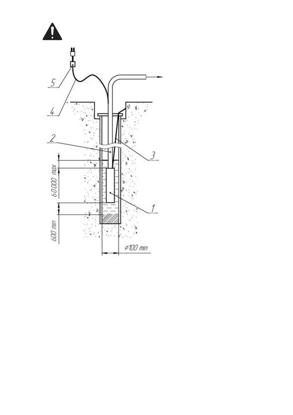
Схема установки электронасоса
1 -
электронасос;
2 -
трубопровод;
3 -
трос;
4 -
шнур сетевого питания;
5 -
коробка конденсаторная (в
зависимости от модели насоса).
Порядок работы
Перед включением электронасоса в сеть, убедитесь в его полном
погружении.
Подключите электронасос к сети с помощью штепсельной вилки.
Внимание!
Эксплуатируйте электронасос только в разработанной и
очищенной скважине. В случае появления загрязненной воды электронасос
следует выключить и еще раз проверить положение насоса относительно дна
водоема или скважины
.
Помните, что перекачивание воды с повышенным содержанием
механических примесей приводит к сокращению срока службы электронасоса и
лишает права на гарантийный ремонт
.
Производительность электронасоса зависит от глубины залегания воды,
длины, диаметра и типа используемого трубопровода и т. д. Для
предотвращения выкачивания воды из скважины, колодца, согласуйте
производительность последних с объемной подачей насоса при помощи
перекрытия вентиля, установленного на выходе трубопровода из скважины,
колодца. При этом объемная подача не должна быть менее 400 л/час.
Содержание
- 4 Температура перекачиваемой воды должна быть не более +35°С,; Технические данные; Таблица 1
- 5 объемная подача в литрах в час; Комплектность; в зависимости от модели насоса.
- 6 Требования безопасности; Запрещается нахождение в водоеме с включенным насосом людей или; Подготовка к работе
- 7 Конденсаторную коробку (в зависимости от модели; и розетку необходимо разместить под навесом или в; шнур сетевого питания; Порядок работы; Перед включением электронасоса в сеть, убедитесь в его полном
- 8 Порядок подбора скважинного насоса; Определить требуемые характеристики по напору (H, м) и расходу
- 11 Техническое обслуживание; Не откручивайте заливной болт для заливки масла; Правила хранения; При кратковременных перерывах в работе (до 10 дней) электронасос
- 12 Возможные неисправности и методы их устранении; Обращаем Ваше внимание, что рабочие части насоса подвержены
- 13 СЛУЖБА ТЕХНИЧЕСКОЙ ПОДДЕРЖКИ:
- 16 СВИДЕТЕЛЬСТВО О ПРИЕМКЕ; Скважинный насос
- 17 ГАРАНТИЙНЫЕ ОБЯЗАТЕЛЬСТВА












